LEMON Manuals: Even more car manuals for everyone: 1960-2025
Home >> Acura >> 1987 >> Integra LS, 2D Hatchback, Automatic >> Repair and Diagnosis >> Engine Performance >> System >> Electronic Engine Control System >> Wiring Diagrams
April 5, 2026: LEMON Manuals is launched! Read the announcement.

Wiring Diagrams

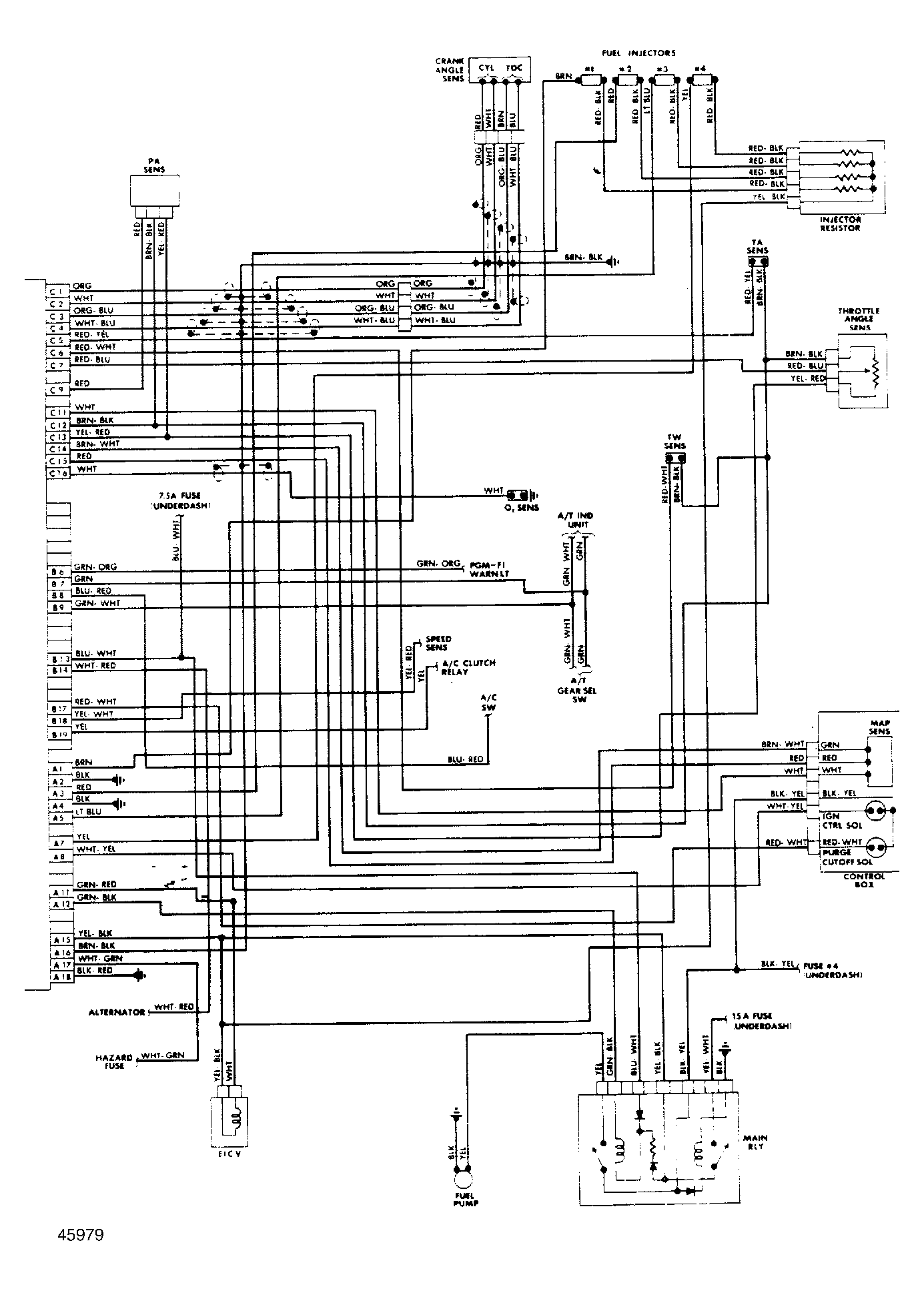
Fig 1: Integra Wiring Diagram
G45979