LEMON Manuals: Even more car manuals for everyone: 1960-2025
Home >> Acura >> 2004 >> TL V6-3.2L >> Repair and Diagnosis >> Diagrams >> Exploded Views >> Cylinder Block Assembly
April 5, 2026: LEMON Manuals is launched! Read the announcement.

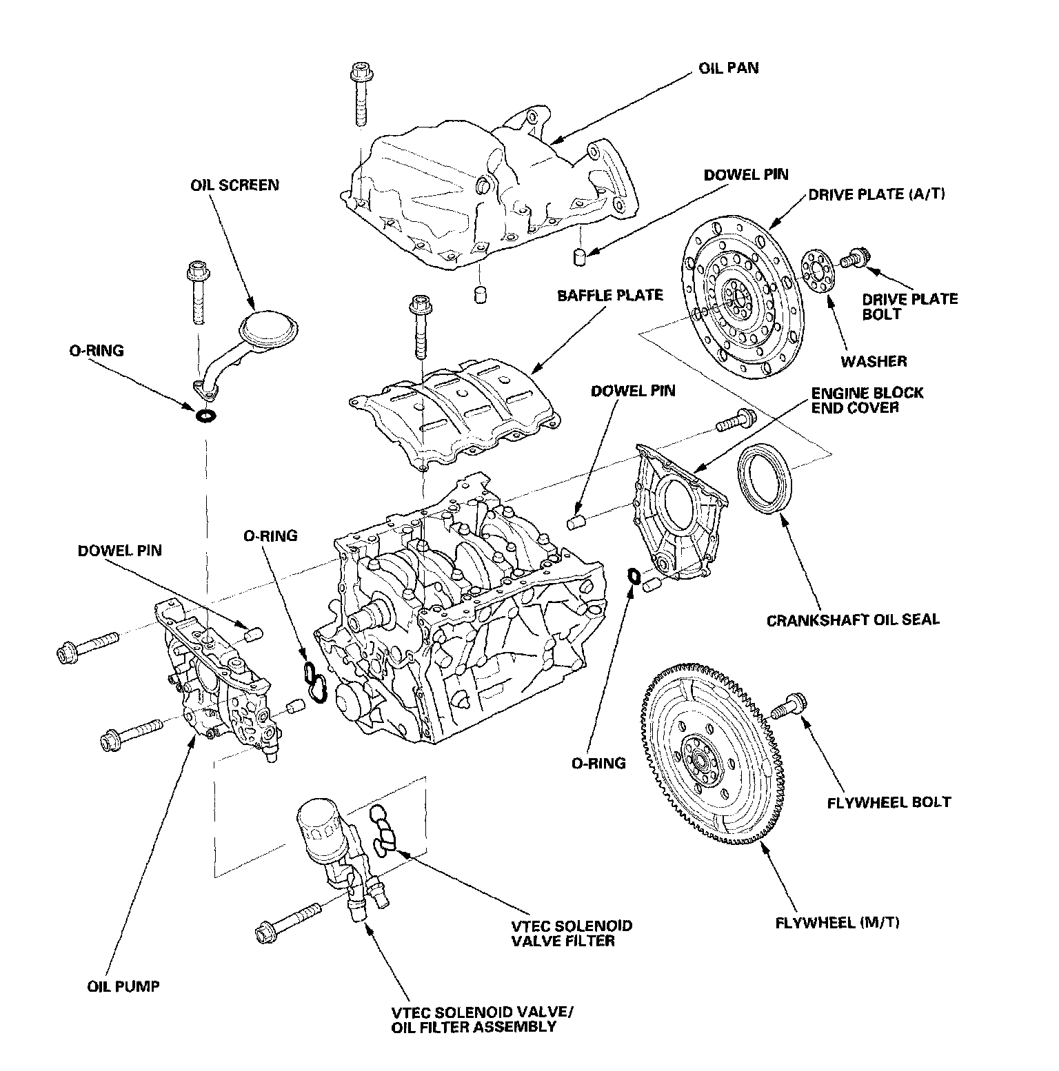
Cylinder Block Assembly