LEMON Manuals: Even more car manuals for everyone: 1960-2025
Home >> Acura >> 2007 >> TL V6-3.2L >> Repair and Diagnosis >> Diagrams >> Electrical Diagrams >> Memory Positioning Systems >> Driving Position Memory System (DPMS) Circuit Diagram
April 5, 2026: LEMON Manuals is launched! Read the announcement.

Driving Position Memory System (DPMS) Circuit Diagram

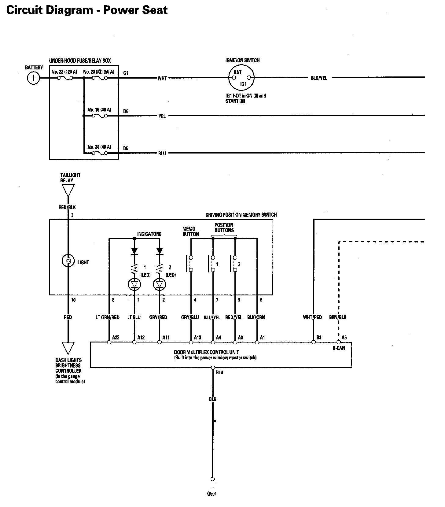
Driving Position Memory System (DPMS) Circuit Diagram - Power Seat Part 1:



Driving Position Memory System (DPMS) Circuit Diagram - Power Seat Part 2:



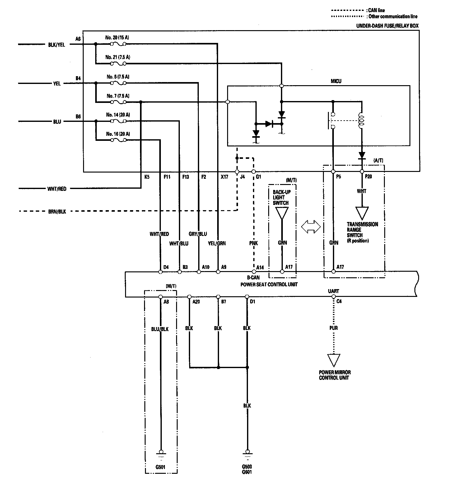
Driving Position Memory System (DPMS) Circuit Diagram - Power Seat Part 3:



Driving Position Memory System (DPMS) Circuit Diagram - Power Seat Part 4:



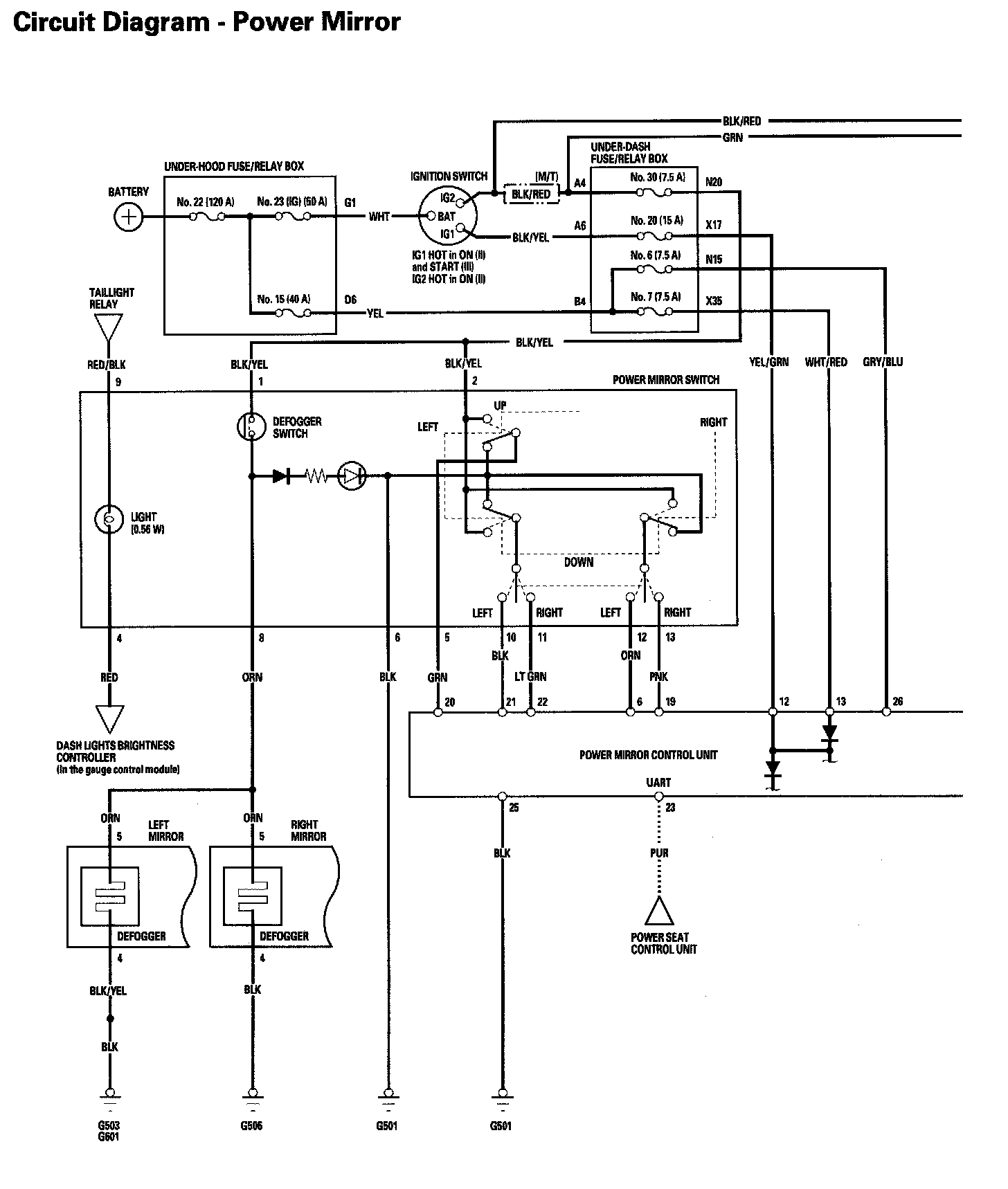
Driving Position Memory System (DPMS) Circuit Diagram - Power Mirror Part 1:



Driving Position Memory System (DPMS) Circuit Diagram - Power Mirror Part 2: