LEMON Manuals: Even more car manuals for everyone: 1960-2025
Home >> Acura >> 2009 >> RL V6-3.7L >> Repair and Diagnosis >> Specifications >> Fluid Type Specifications >> Fluids
April 5, 2026: LEMON Manuals is launched! Read the announcement.

Fluids




Lubricants and Fluids

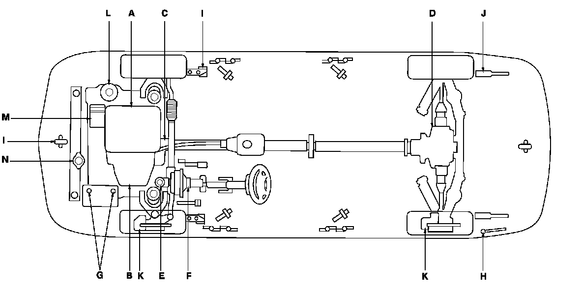
For details of the lubrication points and type of lubricants to be applied, refer to the illustrated index and various work procedures (such as Assembly/Reassembly, Replacement, Overhaul, Installation, etc.) contained in each section.