LEMON Manuals: Even more car manuals for everyone: 1960-2025
Home >> Acura >> 2009 >> RL >> Repair and Diagnosis >> Transmission >> Automatic Trans >> Automatic Transmission >> Transfer Assembly Installation
April 5, 2026: LEMON Manuals is launched! Read the announcement.

Transfer Assembly Installation

  1. Clean the areas where the transfer assembly contacts the transmission with solvent, and dry with compressed air. Then apply transmission fluid to the contact area.
  2. Install the dowel pin (A) in the transmission, and install the transfer assembly (B) on the transmission.
    Fig 1: Locating Dowel Pin And Transfer Assembly
    G06164492Courtesy of AMERICAN HONDA MOTOR CO., INC.
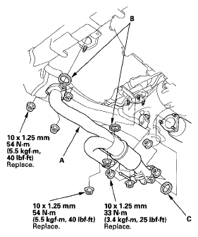
  3. Install the propeller shaft (A) to the transfer companion flange (B) by aligning the reference mark(C).
    Fig 2: Aligning Reference Mark Of Propeller Shaft And Transfer Companion Flange With Torque Specifications
    G06164493Courtesy of AMERICAN HONDA MOTOR CO., INC.
  4. Secure the transfer breather tube bracket (A) on the transfer assembly with the bolt, and install the breather tube (B) over the breather pipe (C). If the breather tube was removed from the clamp, install the tube at the dot (D) on the clamp (E).
    Fig 3: Locating Breather Tube, Breather Pipe, Dot And Clamp With Torque Specifications
    G06164494Courtesy of AMERICAN HONDA MOTOR CO., INC.
  5. Install the exhaust pipe A with the new self-locking nuts and new gaskets (B) (C).
    Fig 4: Locating Exhaust Pipe, Self-Locking Nuts And Gaskets With Torque Specifications
    G06164495Courtesy of AMERICAN HONDA MOTOR CO., INC.
  6. Refill the transfer assembly with the transfer fluid (hypoid gear oil), if necessary (see )TRANSFER ASSEMBLY FLUID REPLACEMENT .
  7. Refill the transmission with ATF (see ATF REPLACEMENT ).