LEMON Manuals: Even more car manuals for everyone: 1960-2025
Home >> Acura >> 2011 >> TL Base >> Repair and Diagnosis >> Transmission >> Automatic Trans >> Automatic Transmission >> Transfer Assembly Installation
April 5, 2026: LEMON Manuals is launched! Read the announcement.

Transfer Assembly Installation

  1. Clean the areas where the transfer assembly contacts the transmission with solvent, and dry with compressed air Then apply transmission fluid to the contact area
  2. Install the dowel pin (A) in the transmission, and install the transfer assembly (B) on the transmission
    Fig 1: Identifying Dowel Pin And Transfer Assembly
    G05990807Courtesy of AMERICAN HONDA MOTOR CO., INC.
  3. Install the No 1 propeller shaft (A) to the transfer companion flange (B) by aligning the reference mark(C)
    Fig 2: No 1 Propeller Shaft Mark Location With Torque Specification
    G05990808Courtesy of AMERICAN HONDA MOTOR CO., INC.
  4. Secure the transfer breather tube bracket (A) on the transfer assembly with the bolt, and install the breather tube (B) over the breather pipe (C) If the breather tube was removed from the clamp, install the tube at the dot mark (D) in the direction shown
    Fig 3: Transfer Breather Tube Bracket With Torque Specification
    G05990809Courtesy of AMERICAN HONDA MOTOR CO., INC.
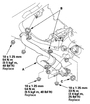
  5. Install the exhaust pipe A with the new self-locking nuts and new gaskets (B) (C)
    Fig 4: Exhaust Pipe With Self-Locking Nuts And Gaskets With Torque Specifications
    G05990810Courtesy of AMERICAN HONDA MOTOR CO., INC.
  6. Install the front subframe stiffener with new mounting bolts
    Fig 5: Front Subframe Stiffener And Mounting Bolts With Torque Specification
    G05990811Courtesy of AMERICAN HONDA MOTOR CO., INC.
  7. Refill the transfer assembly with the transfer fluid (hypoid gear oil), if necessary (see TRANSFER ASSEMBLY FLUID REPLACEMENT )
  8. Move the shift lever to N
  9. Refill the transmission with ATF (see step  5)