LEMON Manuals: Even more car manuals for everyone: 1960-2025
Home >> Acura >> 2013 >> ZDX >> Repair and Diagnosis >> Engine Performance >> System >> Advanced Diagnostics >> DTC P0627: Fuel Pump Control Module System Malfunction >> Notes
April 5, 2026: LEMON Manuals is launched! Read the announcement.

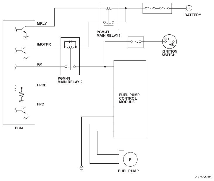
DTC P0627: Fuel Pump Control Module System Malfunction: Notes

Fig 1: Fuel Pump Control Module System Diagram
G06616930Courtesy of AMERICAN HONDA MOTOR CO., INC.