LEMON Manuals: Even more car manuals for everyone: 1960-2025
Home >> Acura >> 2016 >> MDX Base >> Repair and Diagnosis (Single Page) >> Accessories & Equipment >> Anti-Theft Systems >> Security System / Keyless Entry System - Testing & Troubleshooting (Except Hybrid) >> Circuit Diagram >> Keyless/Power Door Locks/Security System Circuit Diagram (2014 2015)
April 5, 2026: LEMON Manuals is launched! Read the announcement.

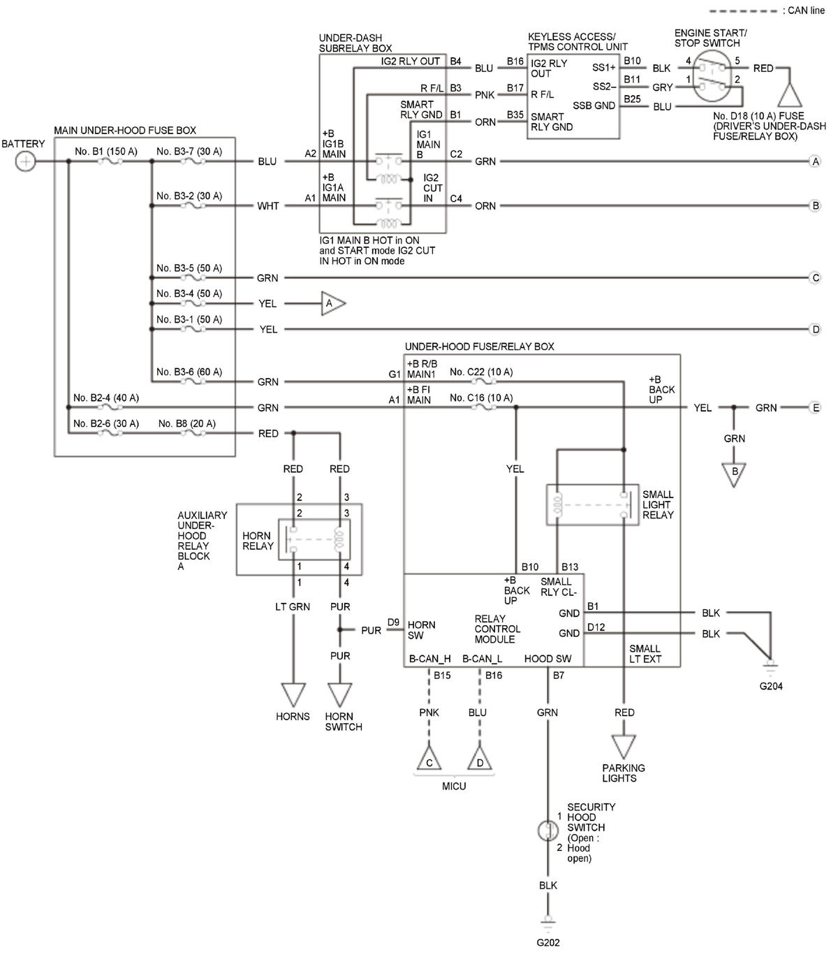
Keyless/Power Door Locks/Security System Circuit Diagram (2014 2015)

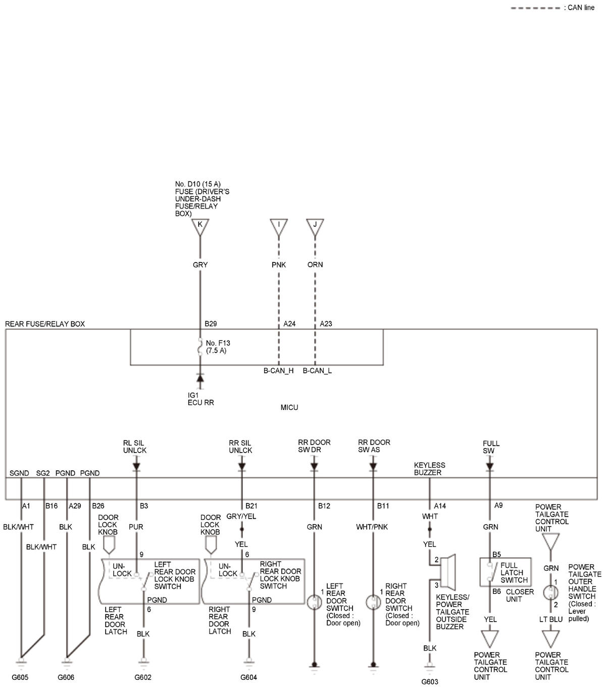
GHH326648Courtesy of HONDA, U.S.A., INC.
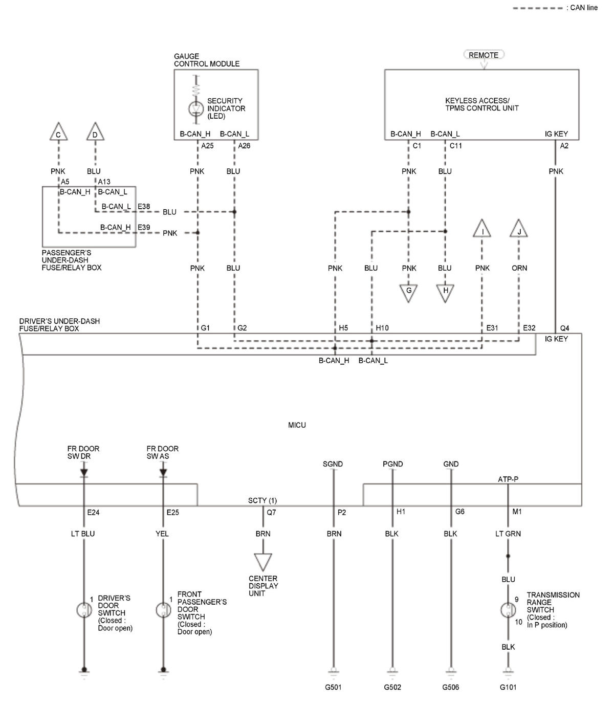
GHH326649Courtesy of HONDA, U.S.A., INC.
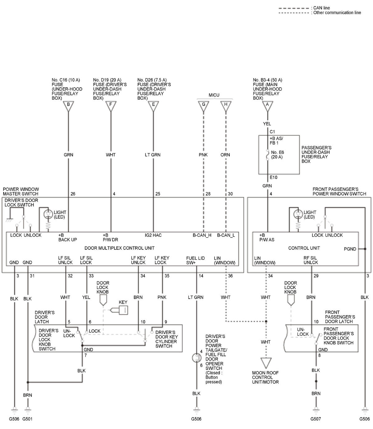
GHH326650Courtesy of HONDA, U.S.A., INC.
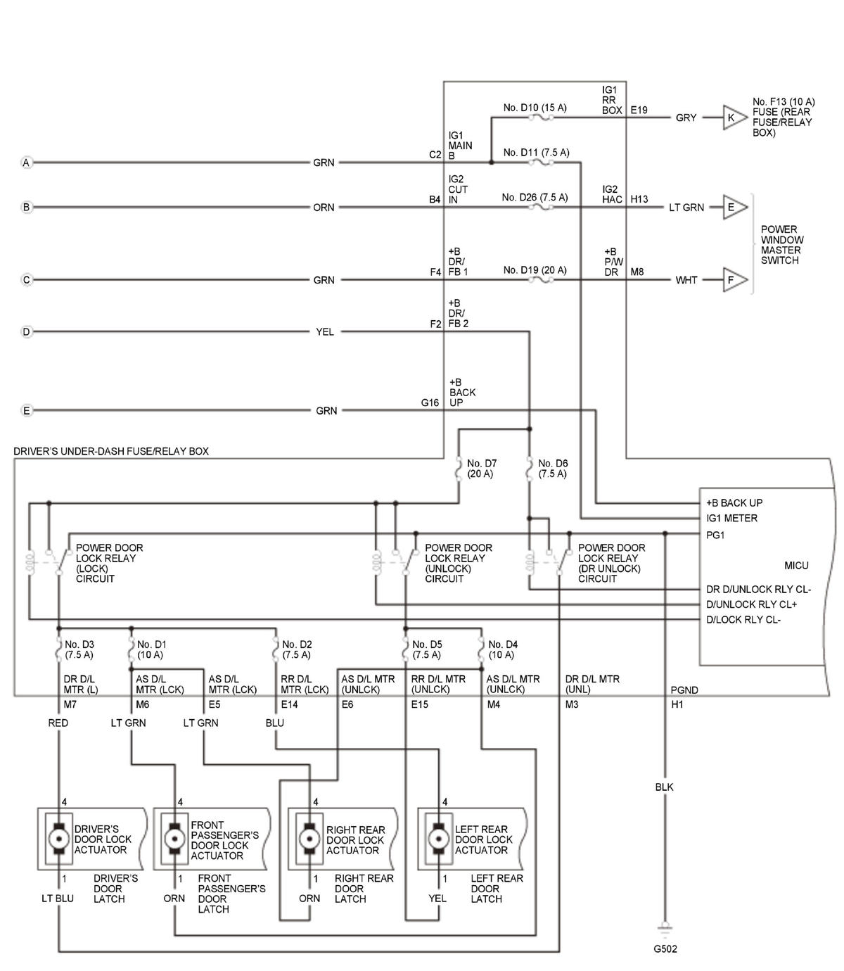
GHH326651Courtesy of HONDA, U.S.A., INC.
GHH326652Courtesy of HONDA, U.S.A., INC.