LEMON Manuals: Even more car manuals for everyone: 1960-2025
Home >> Acura >> 2016 >> MDX Base >> Repair and Diagnosis (Single Page) >> Accessories & Equipment >> Communication Devices >> Integrated Control Systems - Testing & Troubleshooting (Except Hybrid) >> Circuit Diagrams >> Driving Position Memory System (DPMS) Circuit Diagram - Driver's Power Seat (2016)
April 5, 2026: LEMON Manuals is launched! Read the announcement.

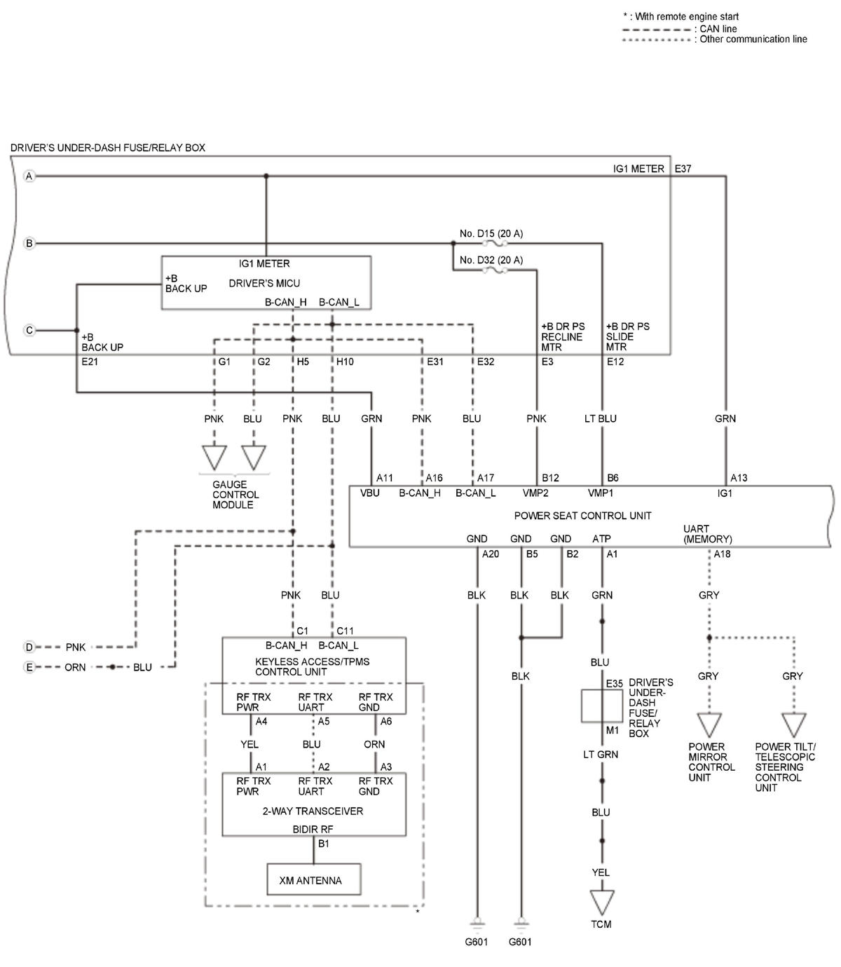
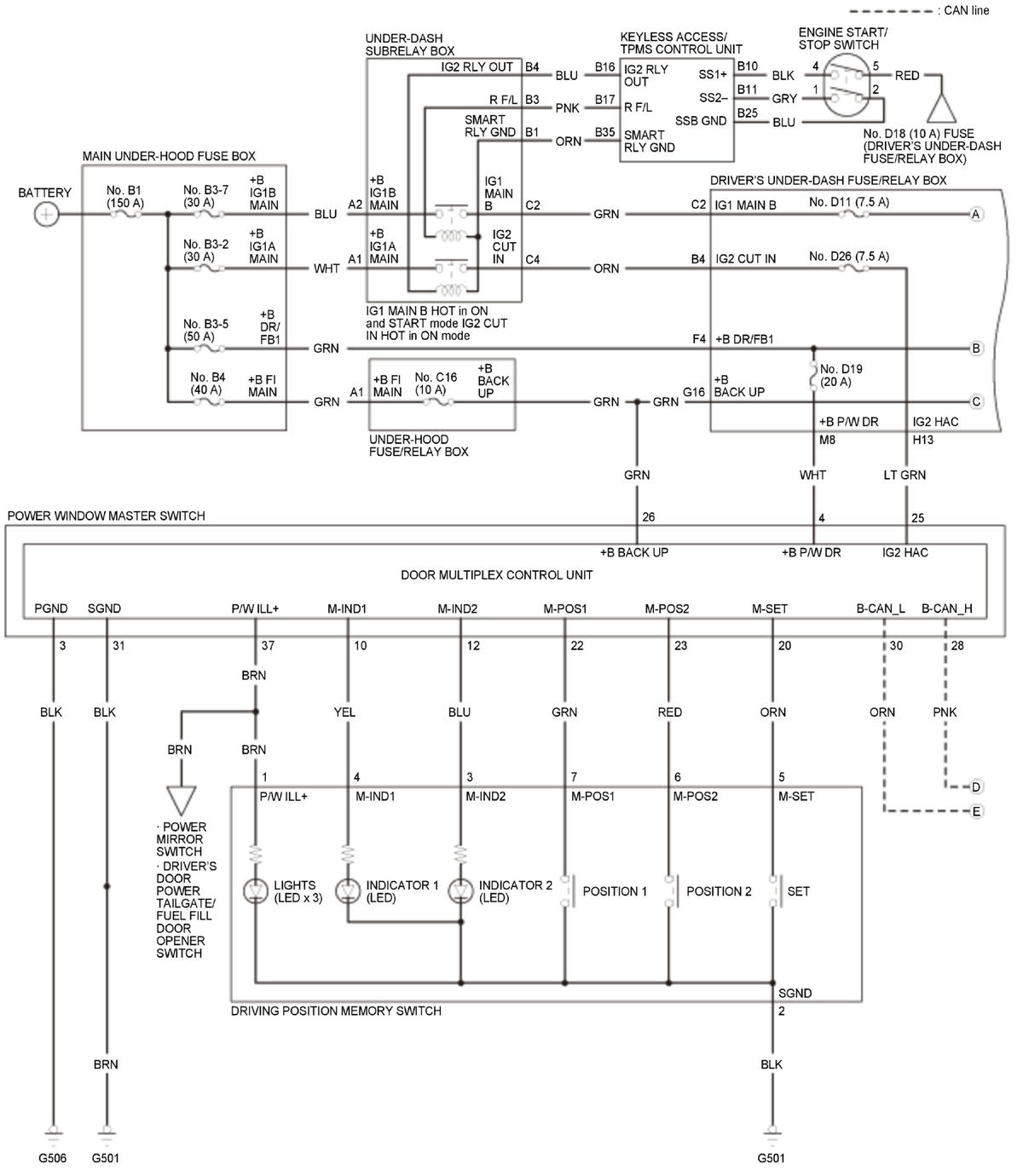
Driving Position Memory System (DPMS) Circuit Diagram - Driver's Power Seat (2016)

GHH323021Courtesy of HONDA, U.S.A., INC.
GHH323022Courtesy of HONDA, U.S.A., INC.
GHH323023Courtesy of HONDA, U.S.A., INC.