LEMON Manuals: Even more car manuals for everyone: 1960-2025
Home >> Acura >> 2016 >> MDX Base >> Repair and Diagnosis (Single Page) >> Accessories & Equipment >> Communication Devices >> Integrated Control Systems - Testing & Troubleshooting (Except Hybrid) >> Circuit Diagrams >> Driving Position Memory System (DPMS) Circuit Diagram - Power Mirror (2014 2015)
April 5, 2026: LEMON Manuals is launched! Read the announcement.

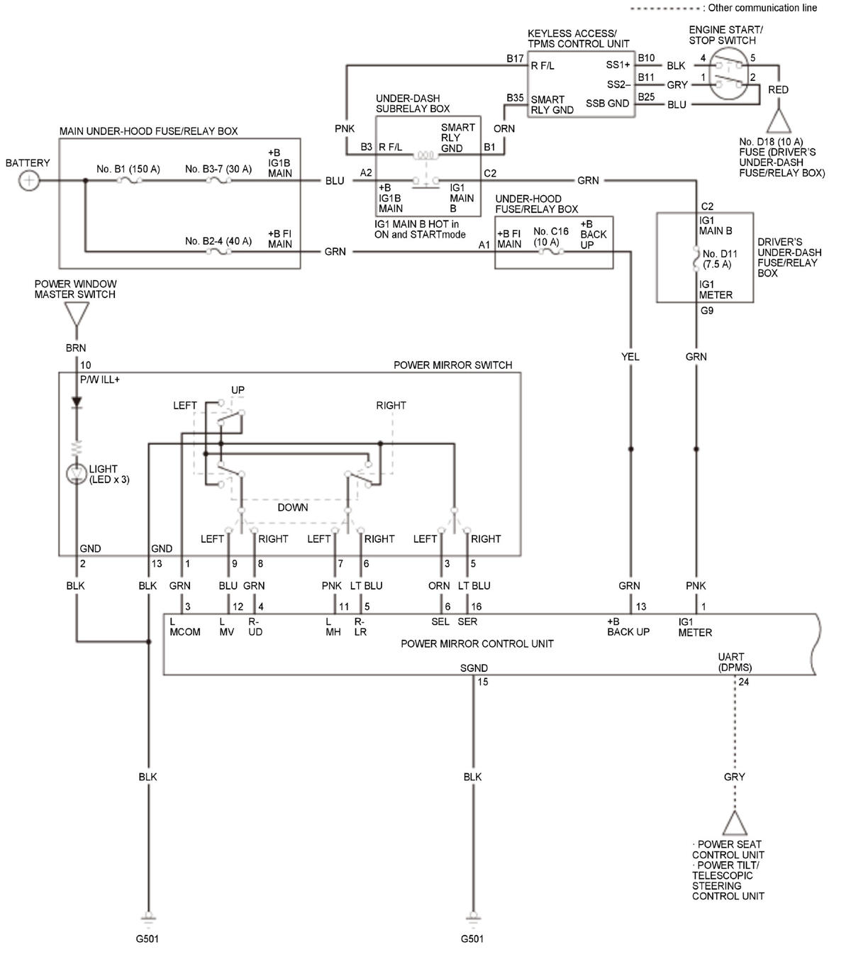
Driving Position Memory System (DPMS) Circuit Diagram - Power Mirror (2014 2015)

GHH323024Courtesy of HONDA, U.S.A., INC.
GHH323025Courtesy of HONDA, U.S.A., INC.