LEMON Manuals: Even more car manuals for everyone: 1960-2025
Home >> Acura >> 2016 >> MDX Base >> Repair and Diagnosis (Single Page) >> Steering >> Power Steering >> Steering System - Service, Testing And Troubleshooting (Except Hybrid) >> Circuit Diagram >> Driving Position Memory System (DPMS) Circuit Diagram - Power Tilt/Telescopic Steering (2014 2015)
April 5, 2026: LEMON Manuals is launched! Read the announcement.

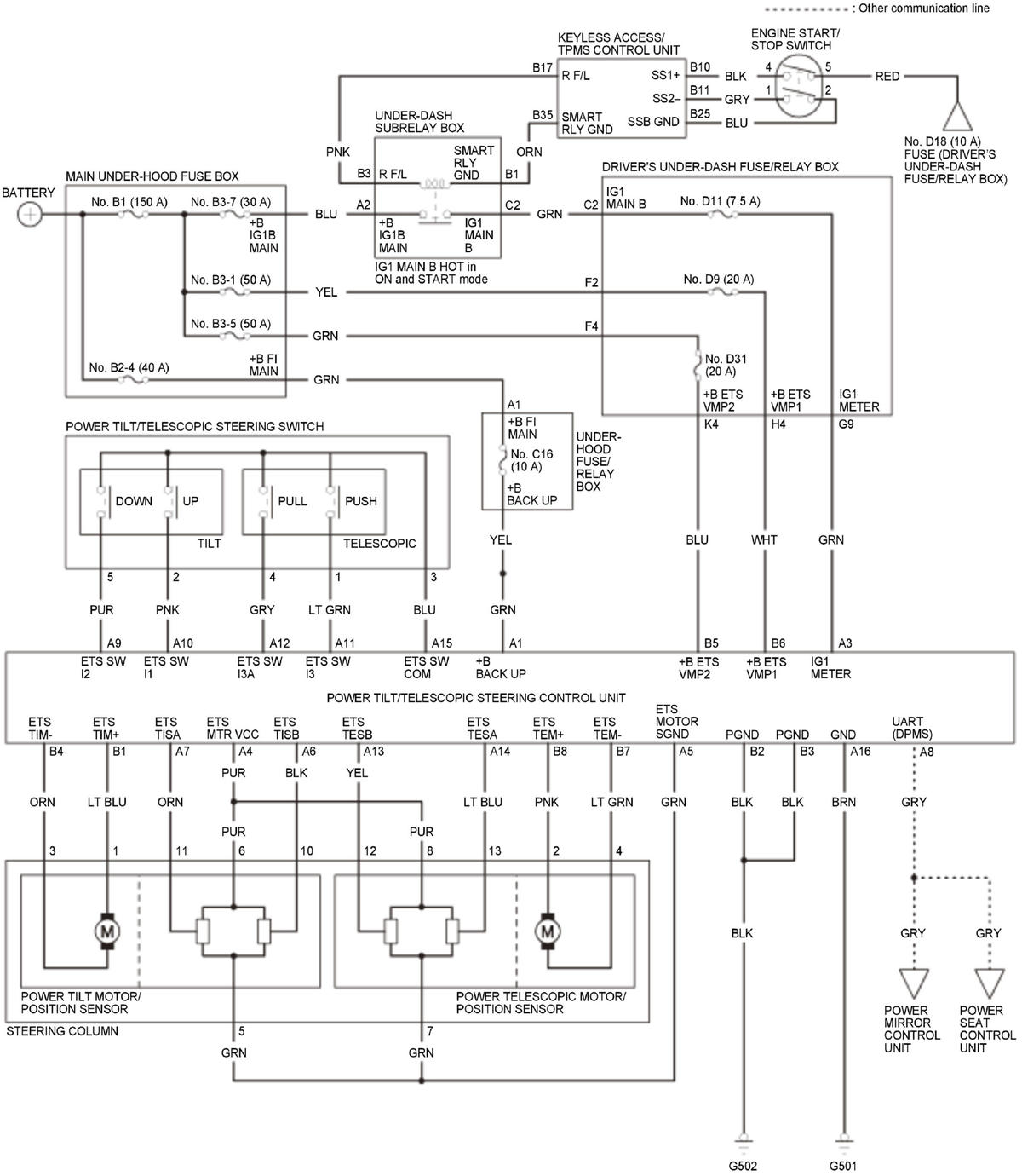
Driving Position Memory System (DPMS) Circuit Diagram - Power Tilt/Telescopic Steering (2014 2015)

GHH327550Courtesy of HONDA, U.S.A., INC.