LEMON Manuals: Even more car manuals for everyone: 1960-2025
Home >> Acura >> 2017 >> ILX >> Repair and Diagnosis (Single Page) >> Accessories & Equipment >> Communication Devices >> Integrated Control Systems - Testing & Troubleshooting (Except Hybrid) >> Circuit Diagram >> Driving Position Memory System (DPMS) (2019 2020 2021 2022)
April 5, 2026: LEMON Manuals is launched! Read the announcement.

Driving Position Memory System (DPMS) (2019 2020 2021 2022)

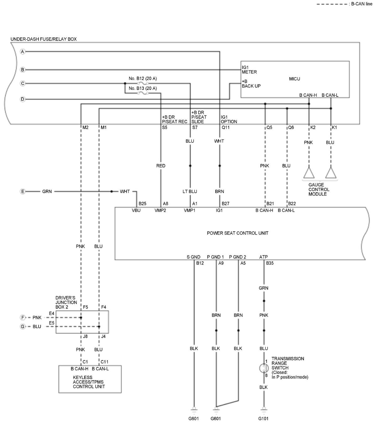
GHH471565Courtesy of HONDA, U.S.A., INC.
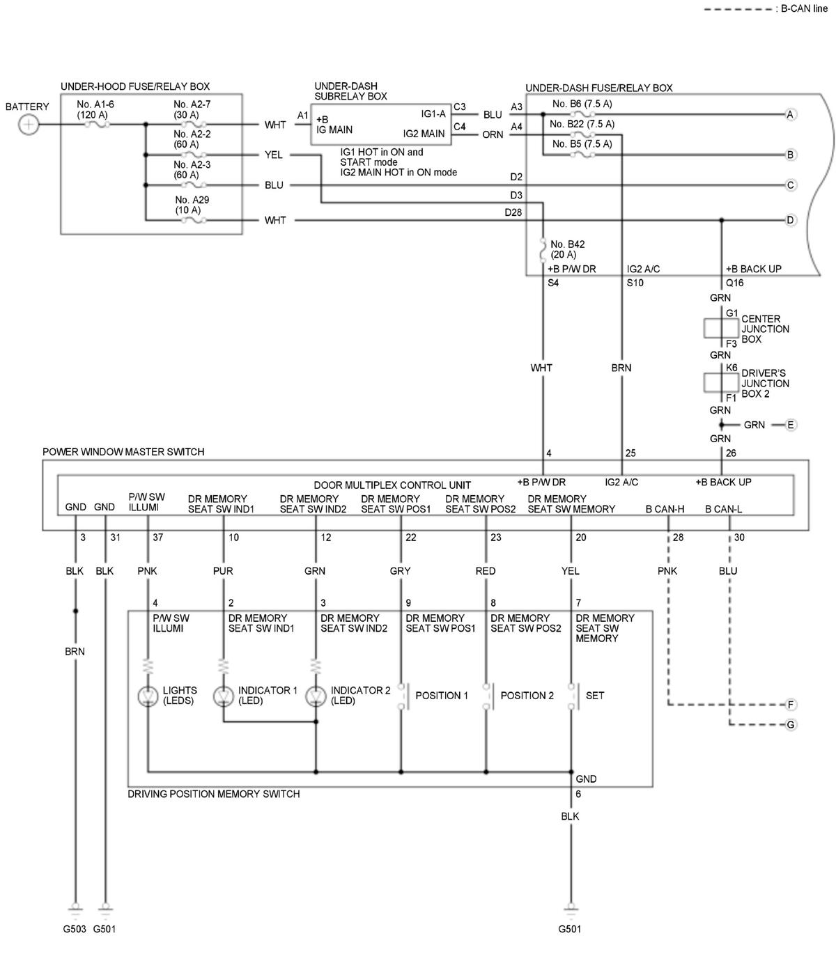
GHH471566Courtesy of HONDA, U.S.A., INC.
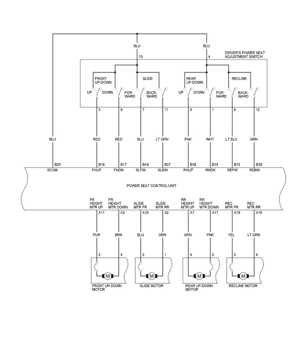
GHH471567Courtesy of HONDA, U.S.A., INC.
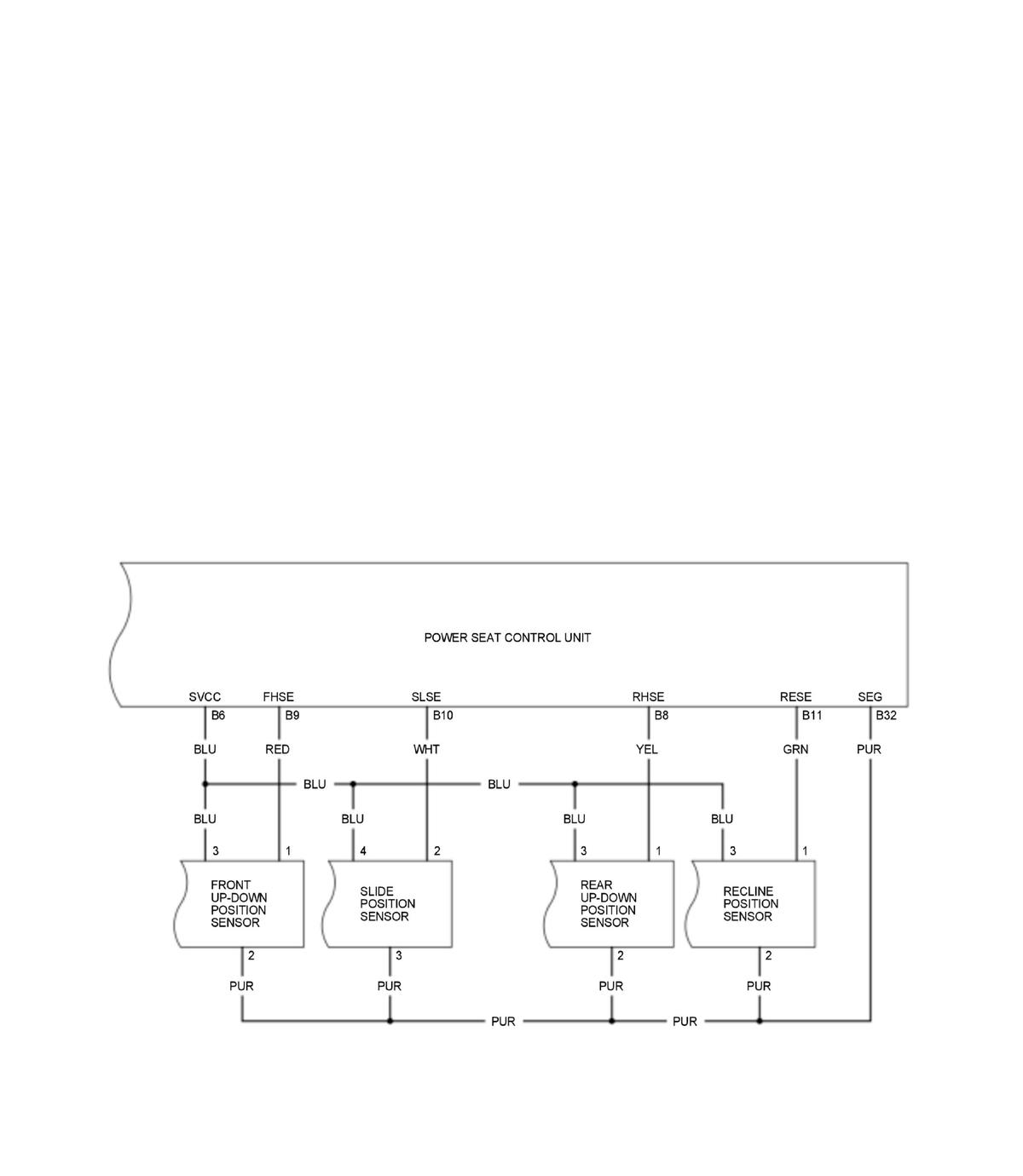
GHH471568Courtesy of HONDA, U.S.A., INC.