LEMON Manuals: Even more car manuals for everyone: 1960-2025
Home >> Acura >> 2017 >> RLX Base >> Repair and Diagnosis (Single Page) >> Accessories & Equipment >> Communication Devices >> Multiplex Integrated Control Systems - Testing & Troubleshooting (Except Hybrid) >> Circuit Diagram >> Driving Position Memory System (DPMS) Circuit Diagram (2018 2019 2020)
April 5, 2026: LEMON Manuals is launched! Read the announcement.

Driving Position Memory System (DPMS) Circuit Diagram (2018 2019 2020)

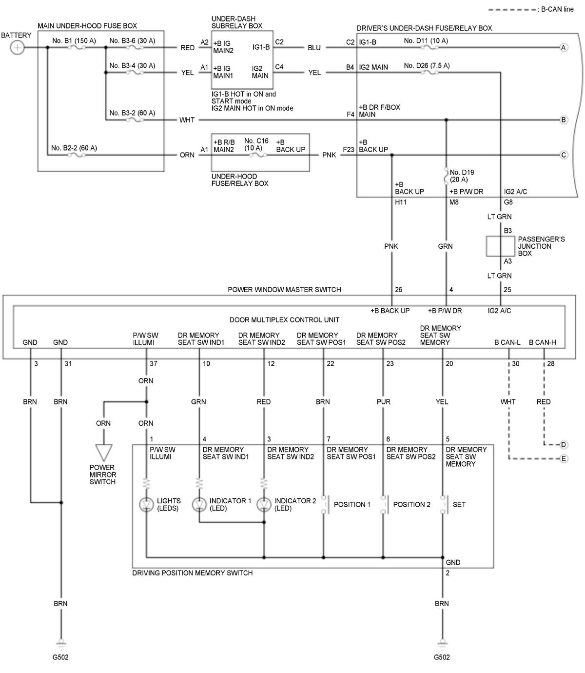
Driver's Power Seat 

GHH348176Courtesy of HONDA, U.S.A., INC.
GHH348177Courtesy of HONDA, U.S.A., INC.
GHH348178Courtesy of HONDA, U.S.A., INC.

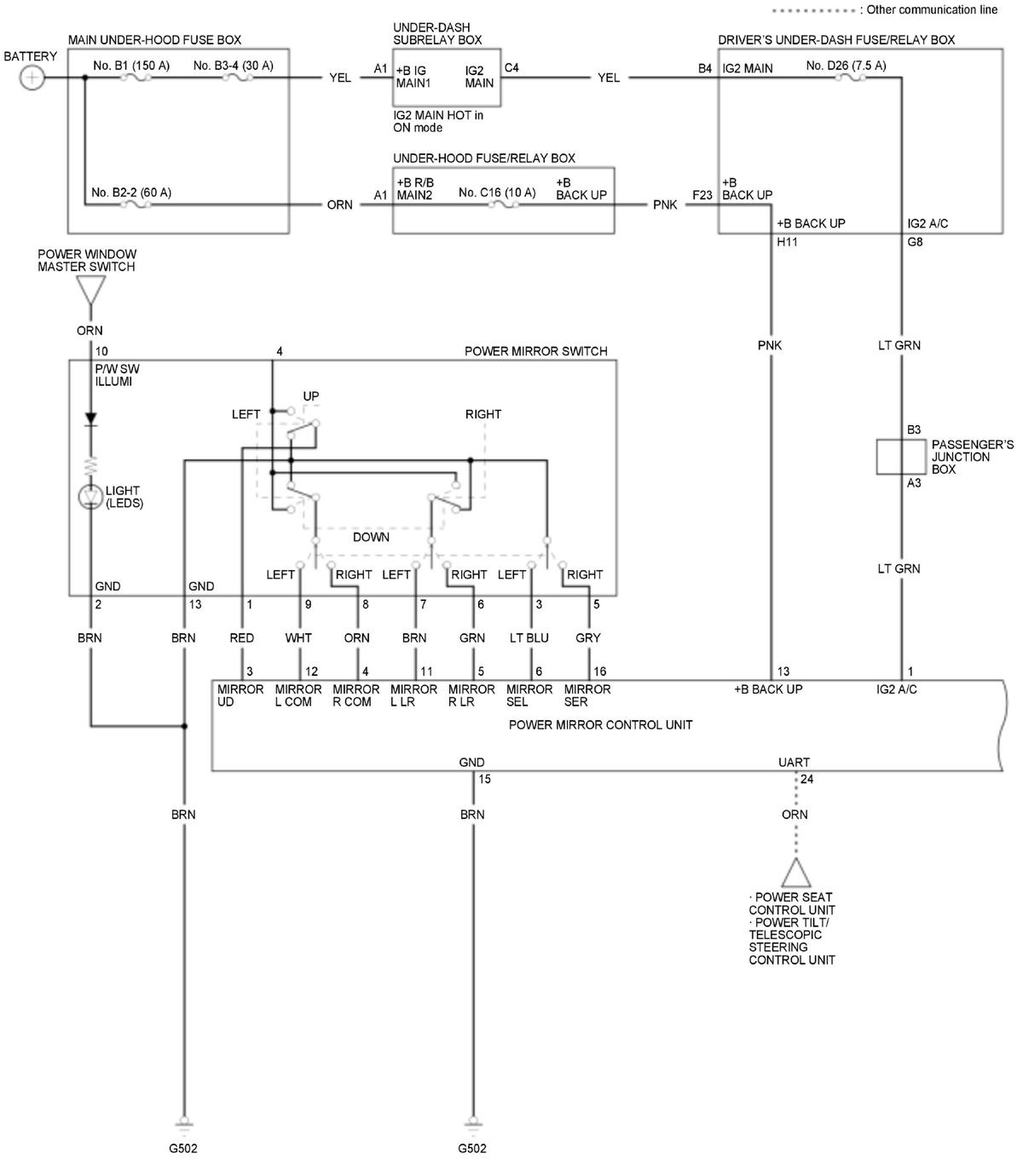
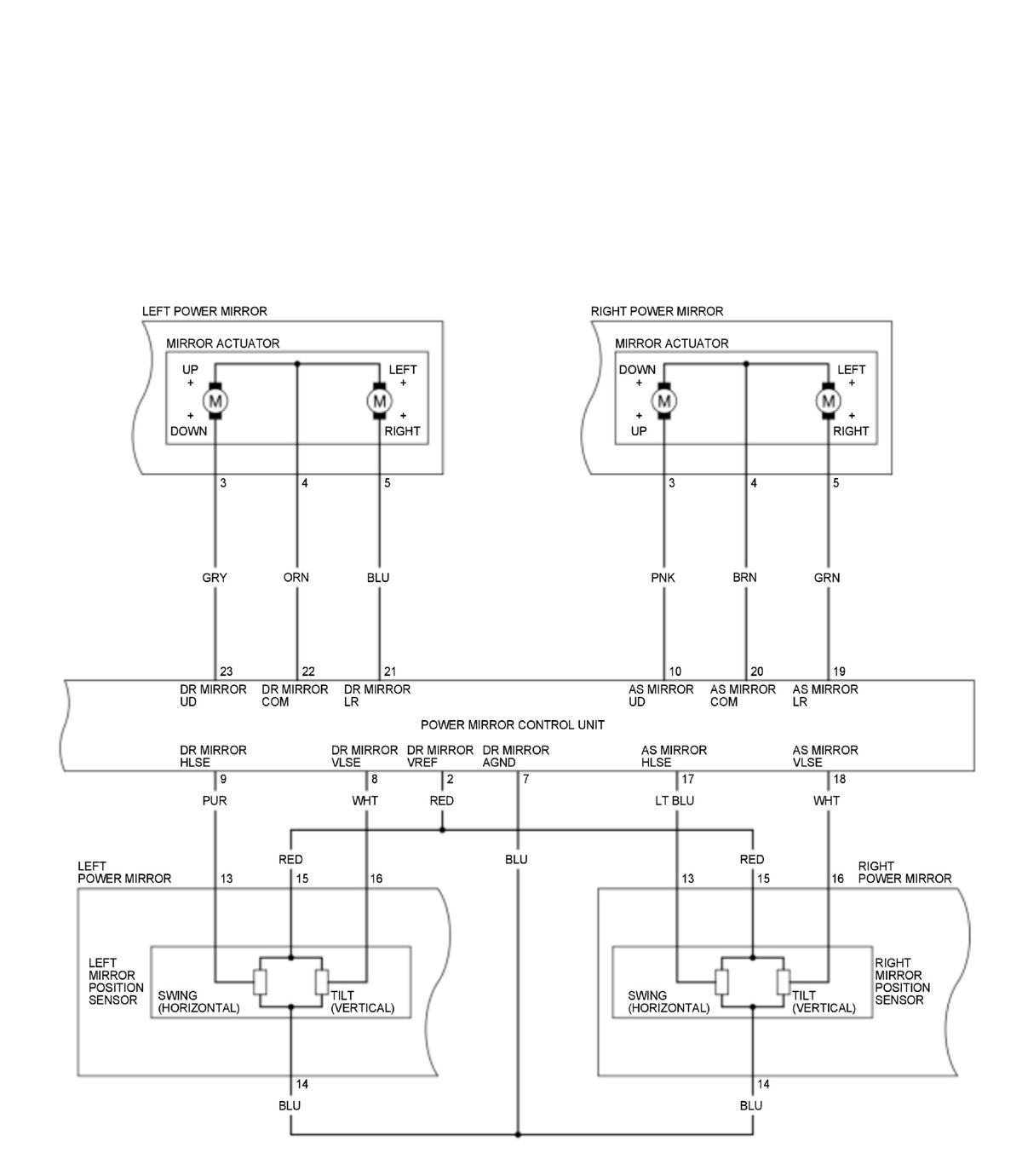
Power Mirror 

GHH348179Courtesy of HONDA, U.S.A., INC.
GHH348180Courtesy of HONDA, U.S.A., INC.

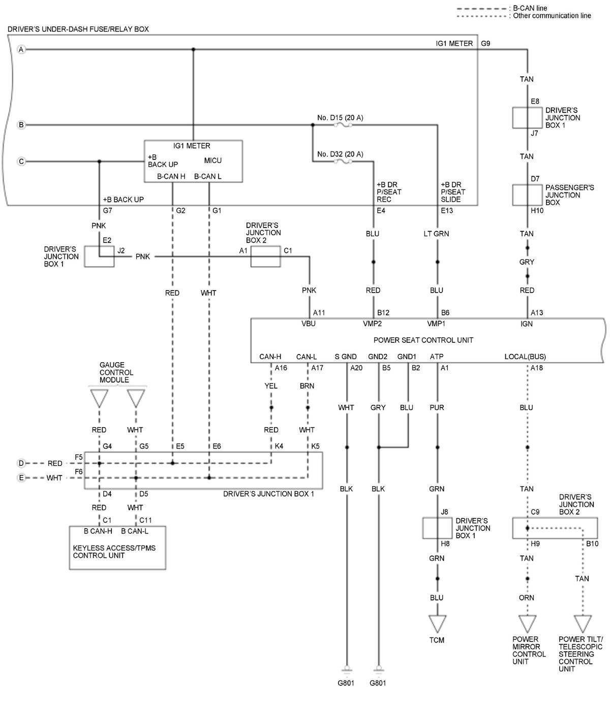
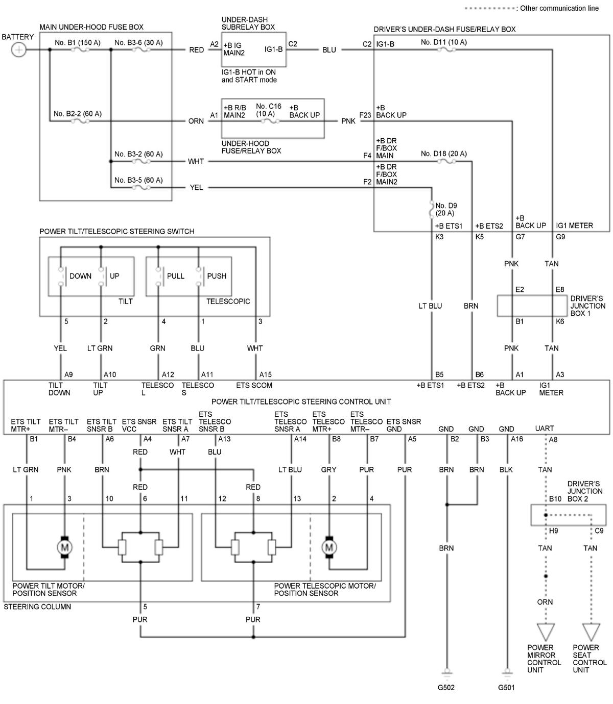
Power Tilt/Telescopic Steering 

GHH348181Courtesy of HONDA, U.S.A., INC.