LEMON Manuals: Even more car manuals for everyone: 1960-2025
Home >> Acura >> 2019 >> MDX Base >> Repair and Diagnosis (Single Page) >> Accessories & Equipment >> Anti-Theft Systems >> Security System / Keyless Entry System - Testing & Troubleshooting (Except Hybrid) >> Circuit Diagram >> Keyless Access System Circuit Diagram (2014 2015)
April 5, 2026: LEMON Manuals is launched! Read the announcement.

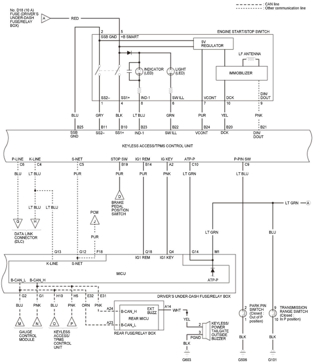
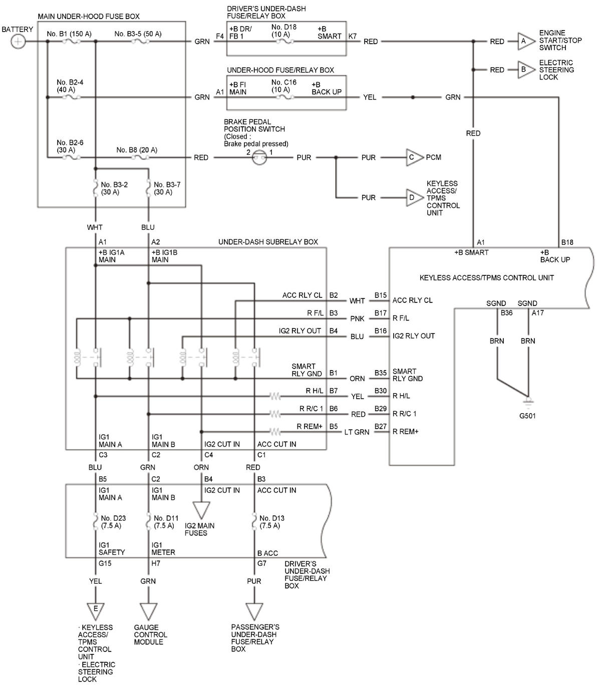
Keyless Access System Circuit Diagram (2014 2015)

GHH326622Courtesy of HONDA, U.S.A., INC.
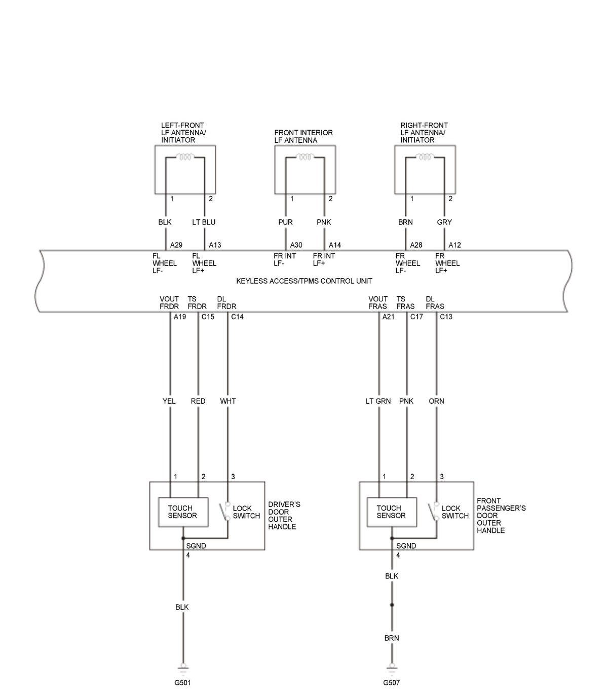
GHH326623Courtesy of HONDA, U.S.A., INC.
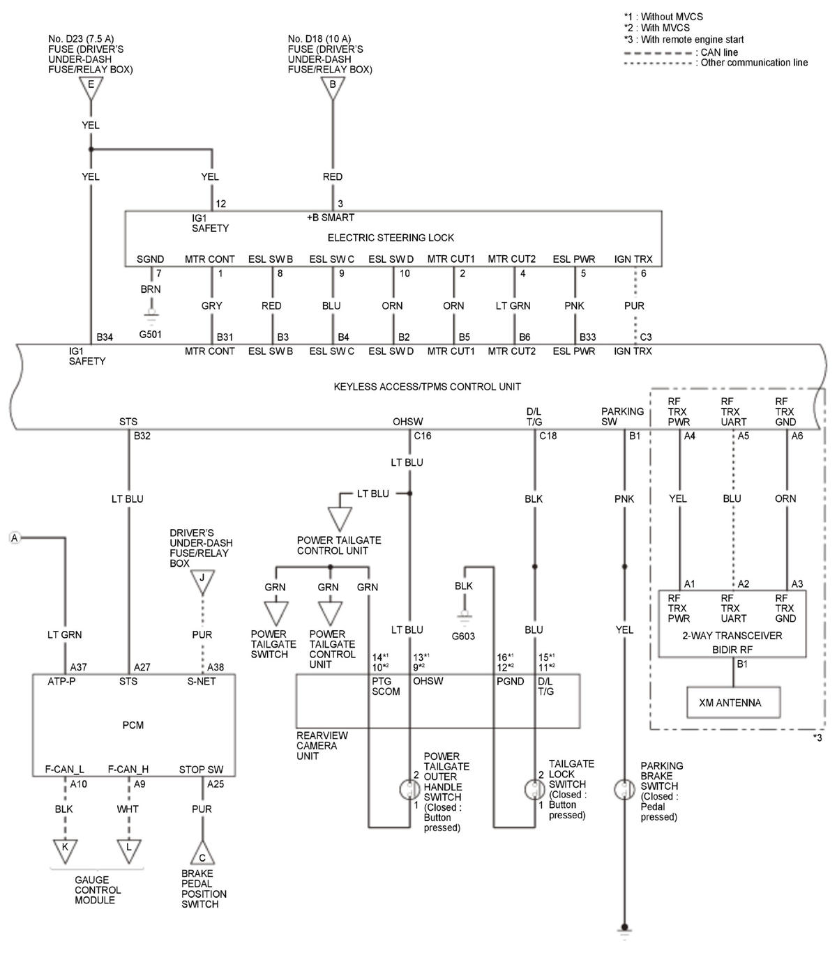
GHH326624Courtesy of HONDA, U.S.A., INC.
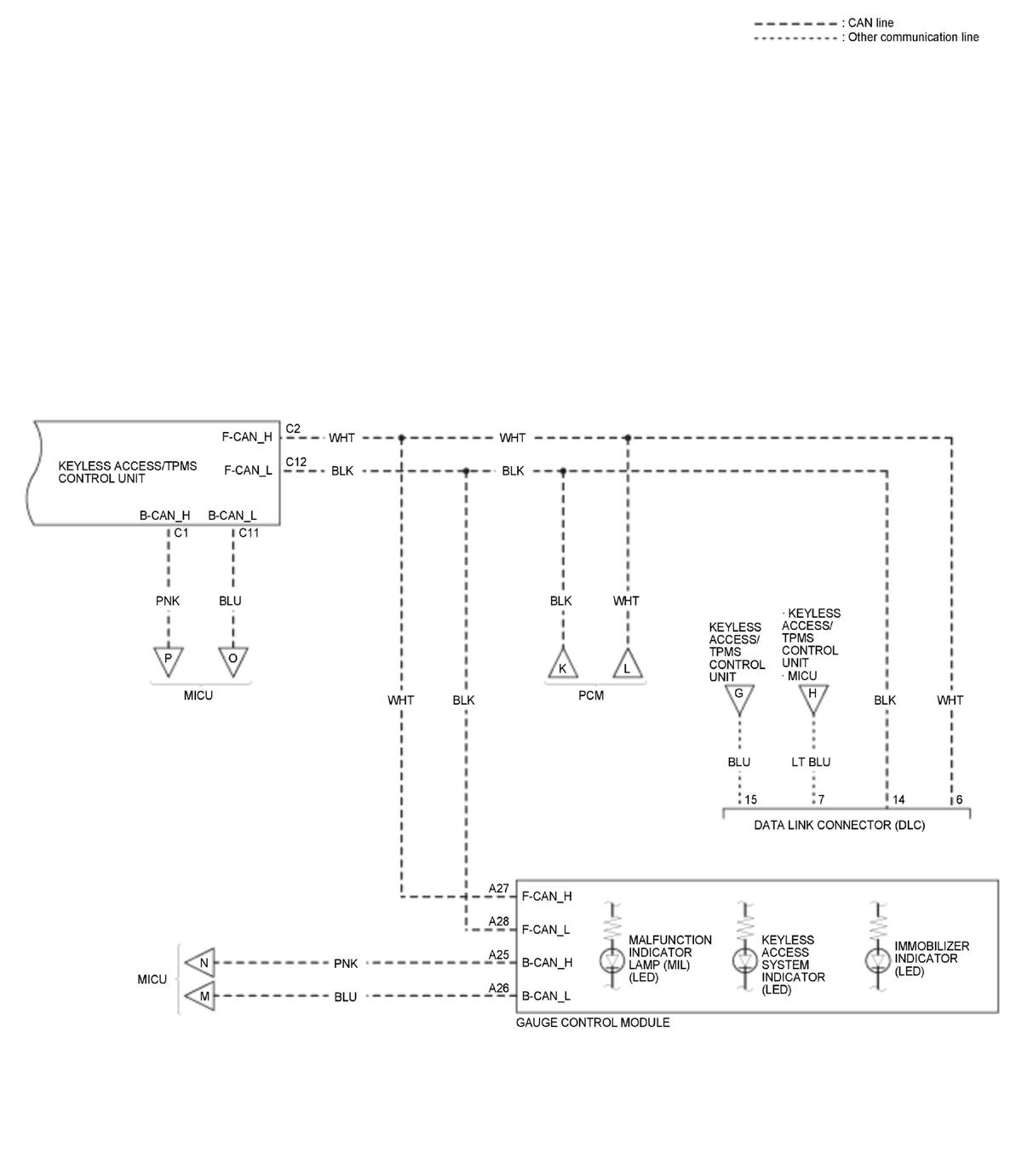
GHH326625Courtesy of HONDA, U.S.A., INC.
GHH326626Courtesy of HONDA, U.S.A., INC.
GHH326627Courtesy of HONDA, U.S.A., INC.