LEMON Manuals: Even more car manuals for everyone: 1960-2025
Home >> Acura >> 2019 >> MDX Base >> Repair and Diagnosis (Single Page) >> Accessories & Equipment >> Anti-Theft Systems >> Security System / Keyless Entry System - Testing & Troubleshooting (Except Hybrid) >> Circuit Diagram >> Keyless Access System Circuit Diagram (2016)
April 5, 2026: LEMON Manuals is launched! Read the announcement.

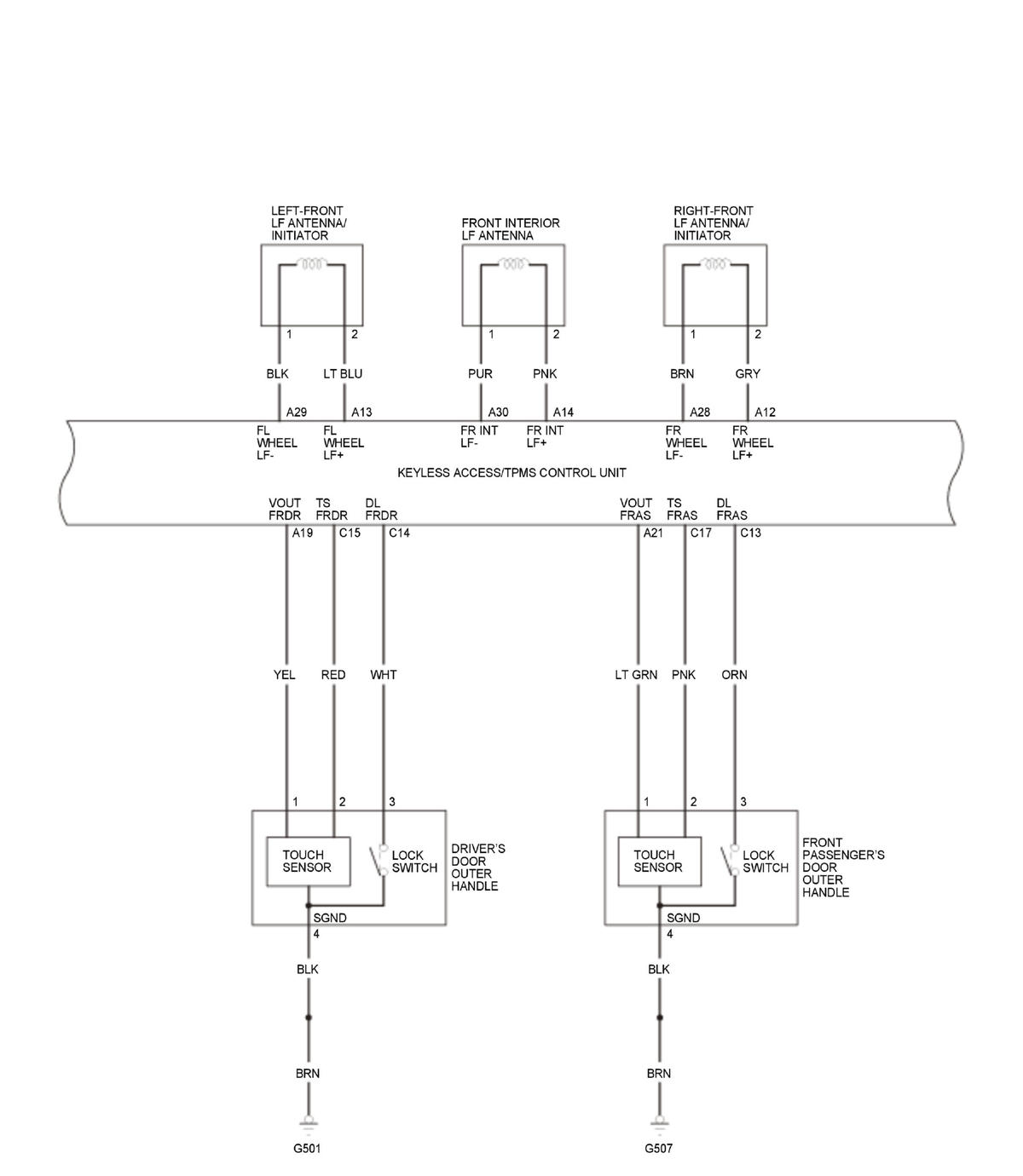
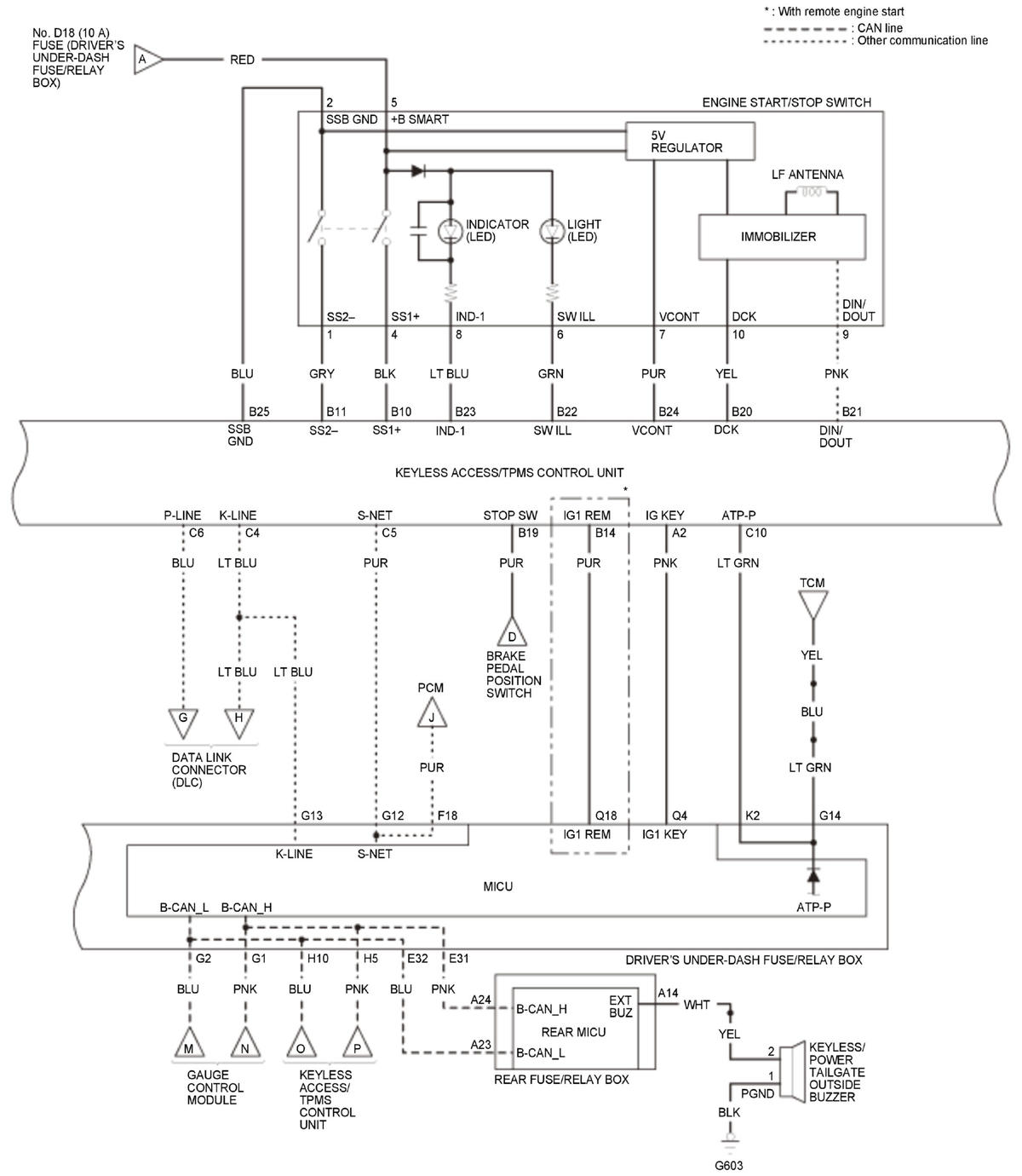
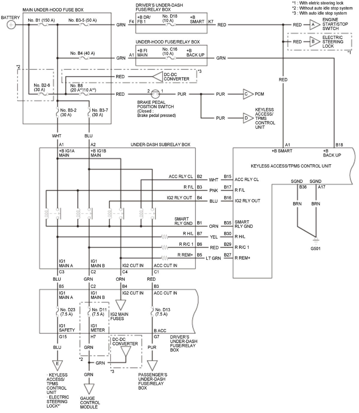
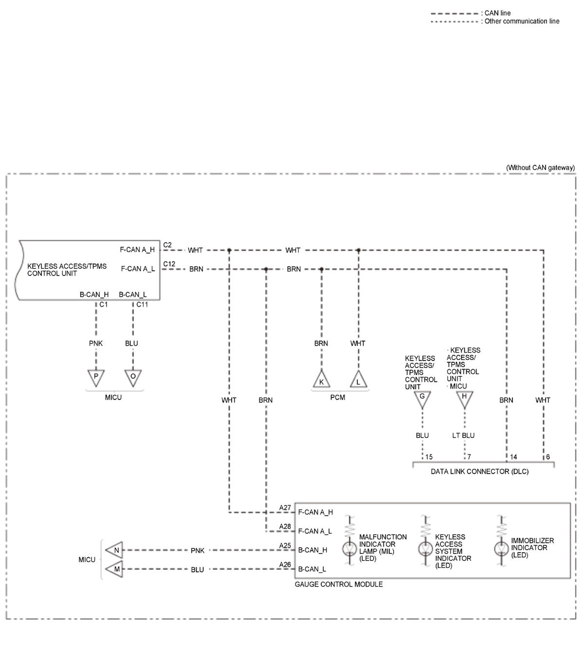
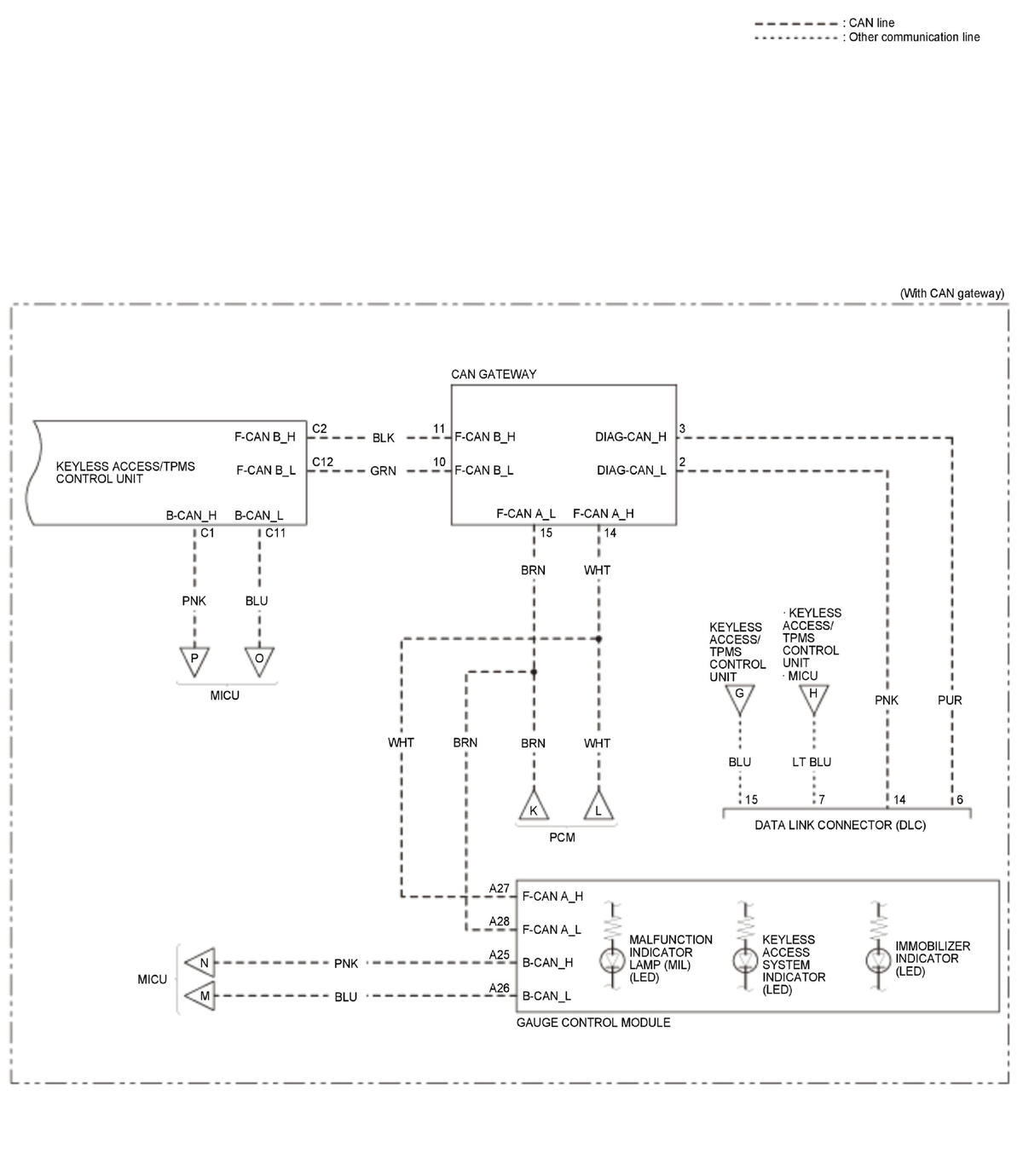
Keyless Access System Circuit Diagram (2016)

GHH326628Courtesy of HONDA, U.S.A., INC.
GHH326629Courtesy of HONDA, U.S.A., INC.
GHH326630Courtesy of HONDA, U.S.A., INC.
GHH326631Courtesy of HONDA, U.S.A., INC.
GHH326632Courtesy of HONDA, U.S.A., INC.
GHH326633Courtesy of HONDA, U.S.A., INC.
GHH326634Courtesy of HONDA, U.S.A., INC.