LEMON Manuals: Even more car manuals for everyone: 1960-2025
Home >> Acura >> 2019 >> MDX Base >> Repair and Diagnosis (Single Page) >> Accessories & Equipment >> Anti-Theft Systems >> Security System / Keyless Entry System - Testing & Troubleshooting (Except Hybrid) >> Circuit Diagram >> Keyless Access System Circuit Diagram (2019 2020)
April 5, 2026: LEMON Manuals is launched! Read the announcement.

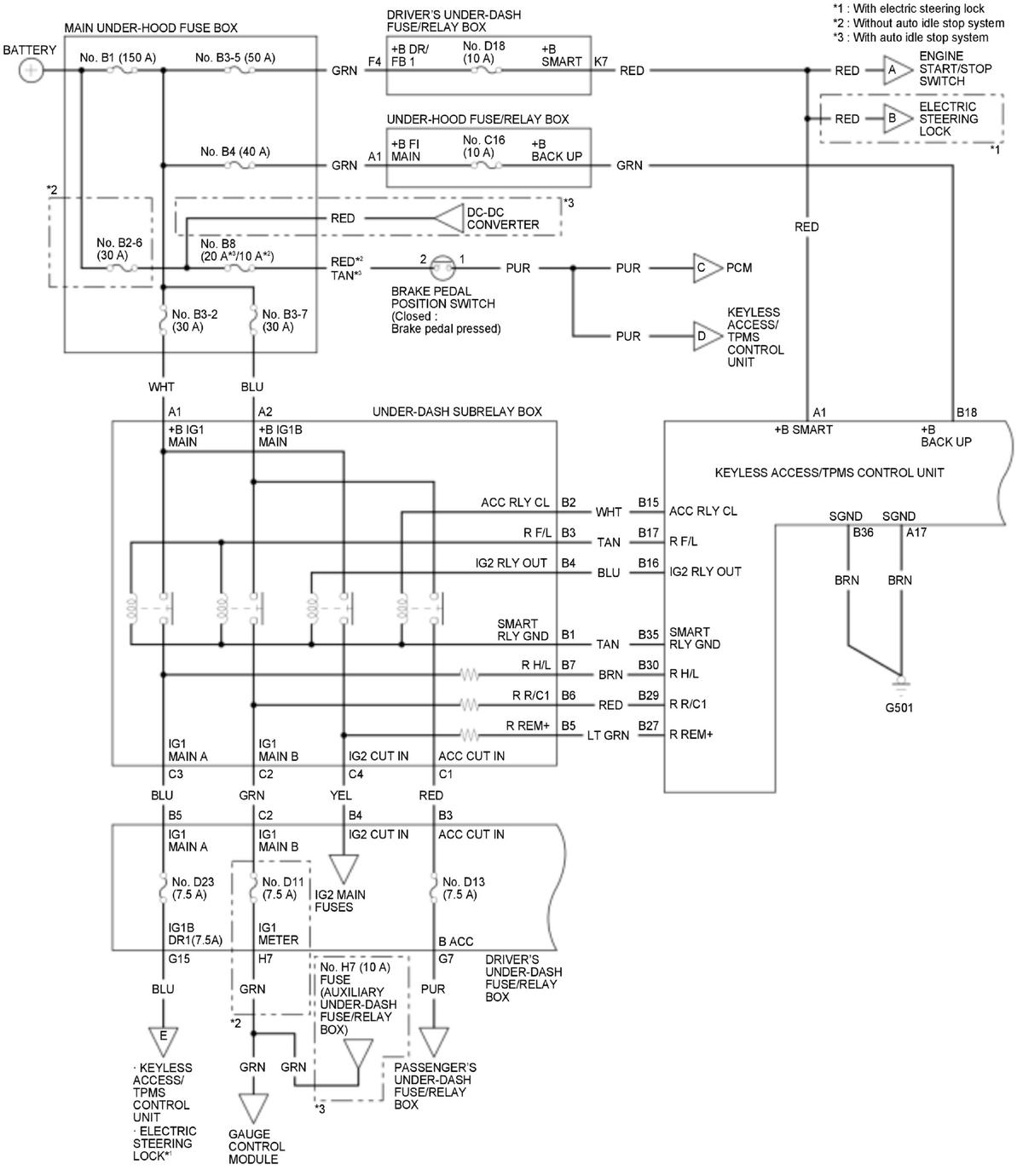
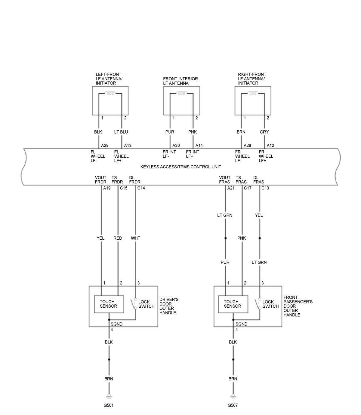
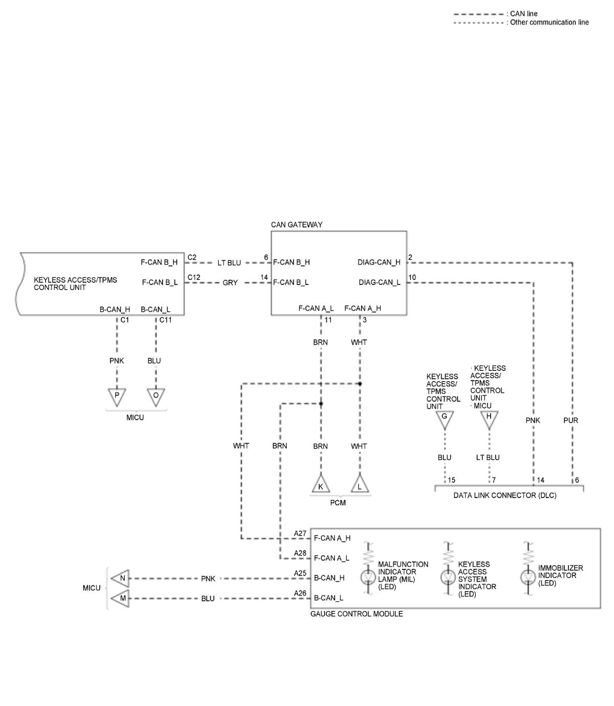
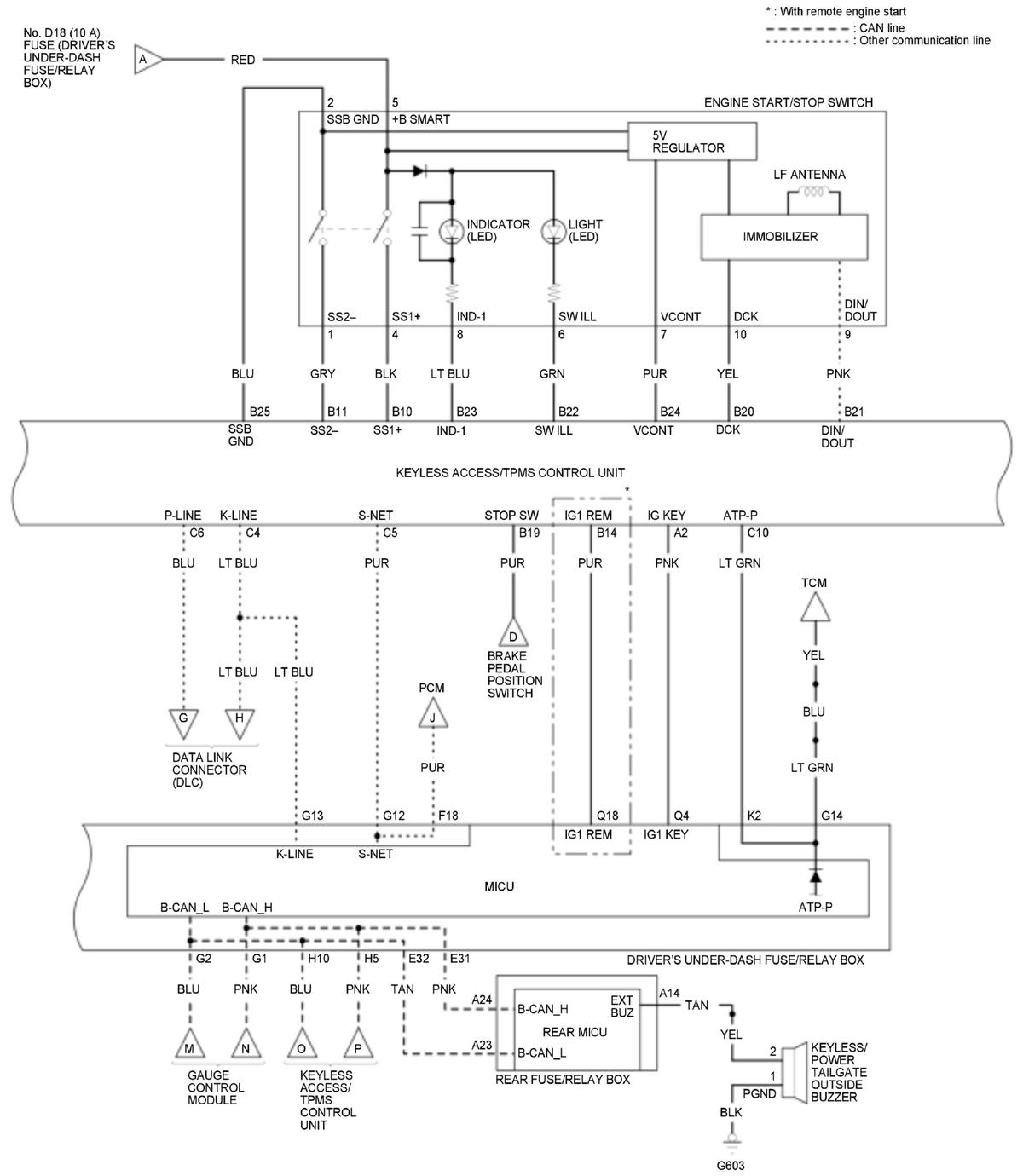
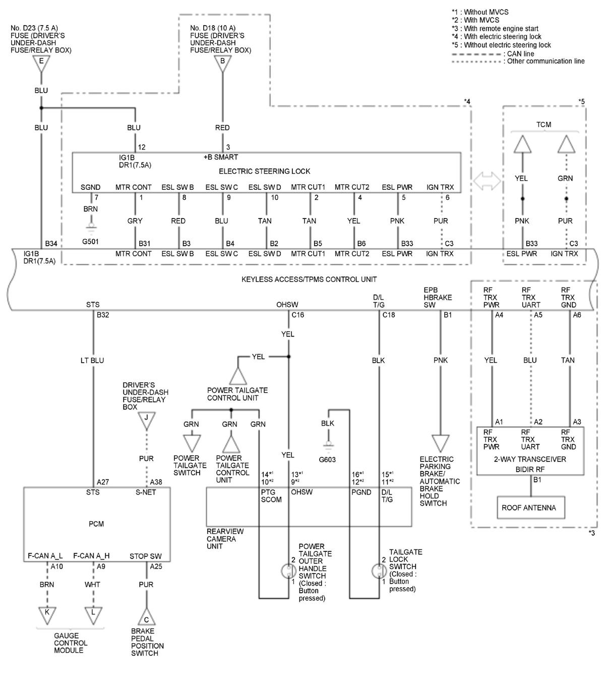
Keyless Access System Circuit Diagram (2019 2020)

GHH326642Courtesy of HONDA, U.S.A., INC.
GHH326643Courtesy of HONDA, U.S.A., INC.
GHH326644Courtesy of HONDA, U.S.A., INC.
GHH326645Courtesy of HONDA, U.S.A., INC.
GHH326646Courtesy of HONDA, U.S.A., INC.
GHH326647Courtesy of HONDA, U.S.A., INC.