LEMON Manuals: Even more car manuals for everyone: 1960-2025
Home >> Acura >> 2019 >> MDX Base >> Repair and Diagnosis (Single Page) >> Body & Frame >> Mirrors >> Mirrors - Testing And Troubleshooting (Except Hybrid) >> Circuit Diagrams >> Driving Position Memory System (DPMS) Circuit Diagram - Power Mirror (2016)
April 5, 2026: LEMON Manuals is launched! Read the announcement.

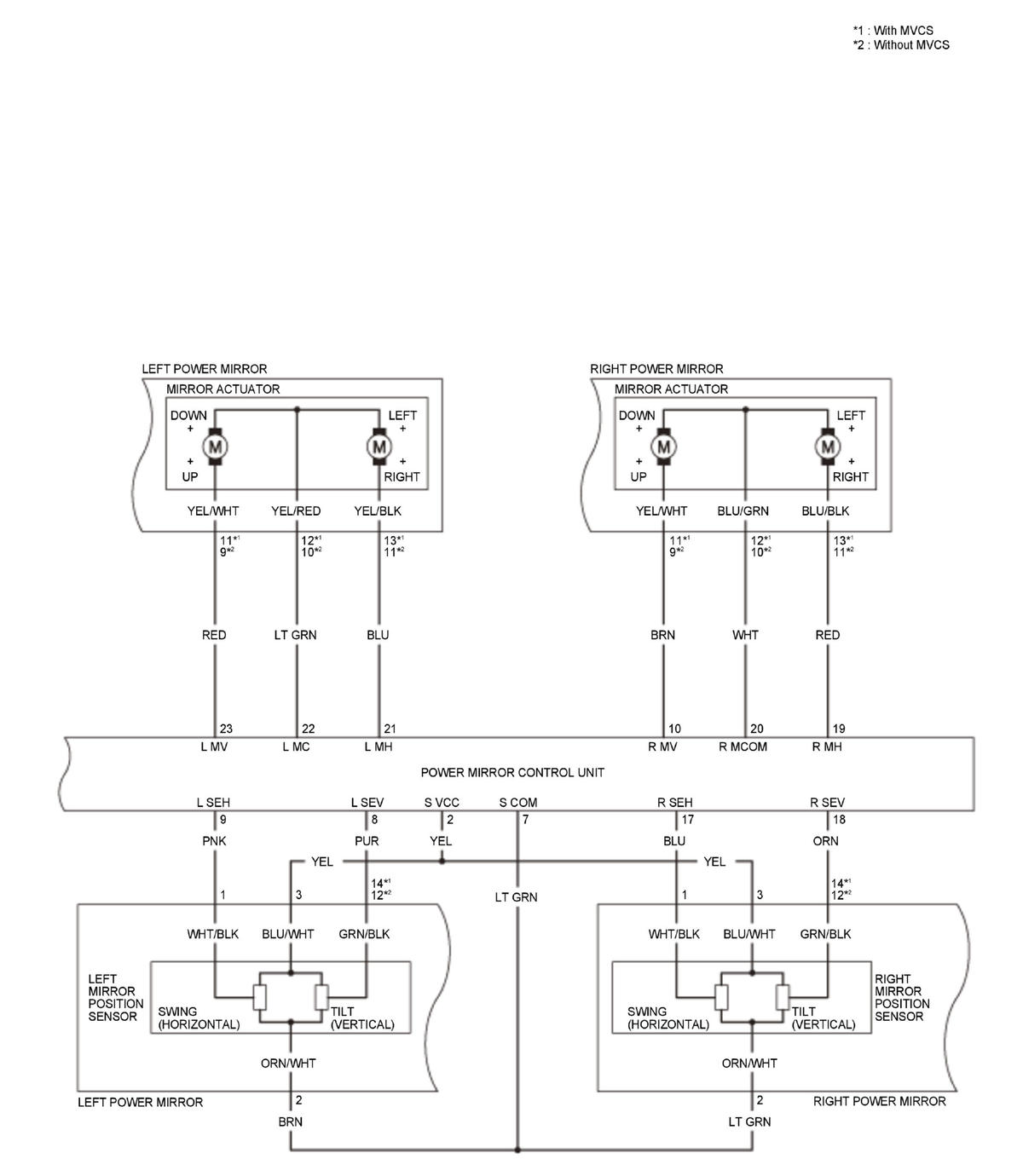
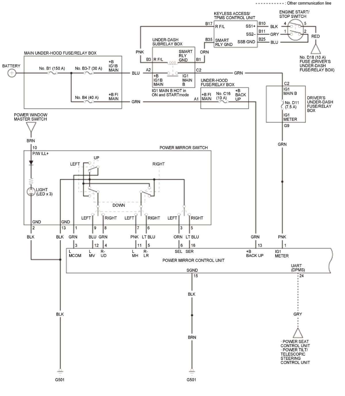
Driving Position Memory System (DPMS) Circuit Diagram - Power Mirror (2016)

GHH323816Courtesy of HONDA, U.S.A., INC.
GHH323817Courtesy of HONDA, U.S.A., INC.