LEMON Manuals: Even more car manuals for everyone: 1960-2025
Home >> Acura >> 2019 >> TLX Base, 3.5L Eng >> Repair and Diagnosis >> Engine Performance >> System >> Engine Control System - Diagnostics & Advanced Diagnostics >> DTC Advanced Diagnostics >> DTC U0301: PGM-FI System and Transmission System Program Version Mismatch (V6) (2018-19)
April 5, 2026: LEMON Manuals is launched! Read the announcement.

DTC U0301: PGM-FI System and Transmission System Program Version Mismatch (V6) (2018-19)

General Description 

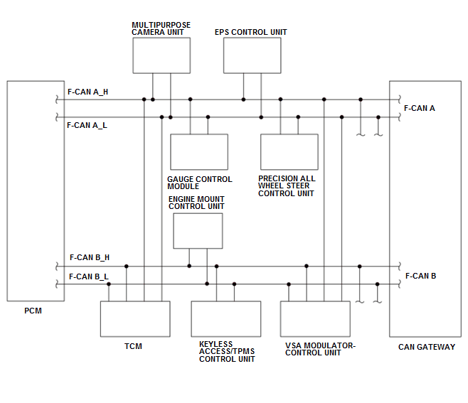
GHH198208Courtesy of HONDA, U.S.A., INC.

The controller area network (CAN) uses two signal lines. F-CAN A and F-CAN B, and it receives and transmits multiple signals simultaneously to/from multiple control modules. When the software version in the powertrain control module (PCM) and the transmission control module (TCM) are mismatched for a set time, the PCM detects a malfunction and stores a DTC.

Monitor Execution, Sequence, Duration, DTC Type 

Execution Continuous
Sequence None
Duration 1 second or more
DTC Type One drive cycle, MIL on

Enable Conditions 

Condition  
Vehicle ON mode

Malfunction Threshold 

The software version in the PCM and the TCM are mismatched for at least 1 second.

Possible Cause 

NOTE:  The causes shown may not be a complete list of all potential problems, and it is possible that there may be other causes.

Diagnosis Details 

Conditions for setting the DTC 

When a malfunction is detected, the MIL comes on and a Pending DTC, a Confirmed DTC, the freeze data, and the on-board snapshot are stored in the PCM memory.

Conditions for clearing the DTC 

The MIL is cleared if the malfunction does not return in three consecutive trips in which the diagnostic runs. The MIL, the Pending DTC, the Confirmed DTC, the freeze data, and the on-board snapshot can be cleared with the scan tool Clear command or by disconnecting the 12 volt battery.