LEMON Manuals: Even more car manuals for everyone: 1960-2025
Home >> Acura >> 2021 >> ILX >> Repair and Diagnosis (Single Page) >> Accessories & Equipment >> Communication Devices >> Integrated Control Systems - Testing & Troubleshooting (Except Hybrid) >> Circuit Diagram >> Driving Position Memory System (DPMS) (2016)
April 5, 2026: LEMON Manuals is launched! Read the announcement.

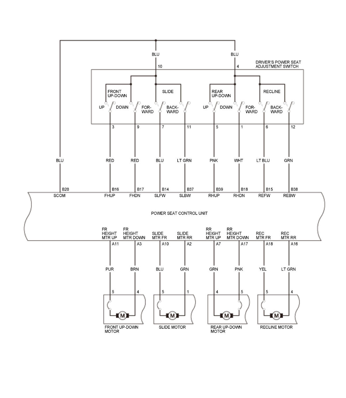
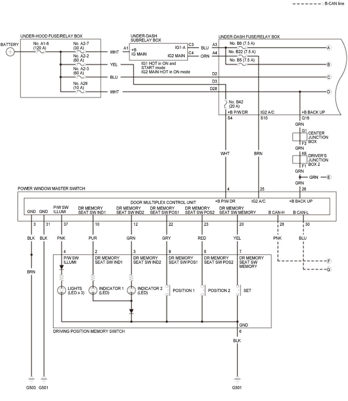
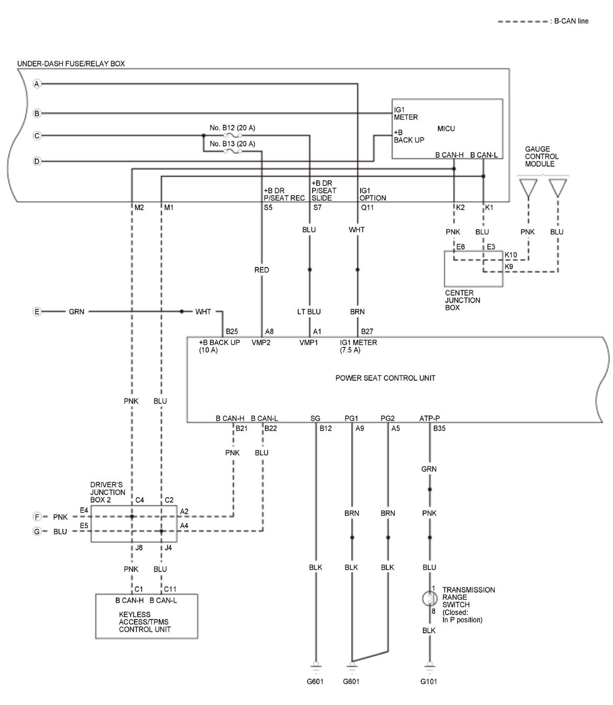
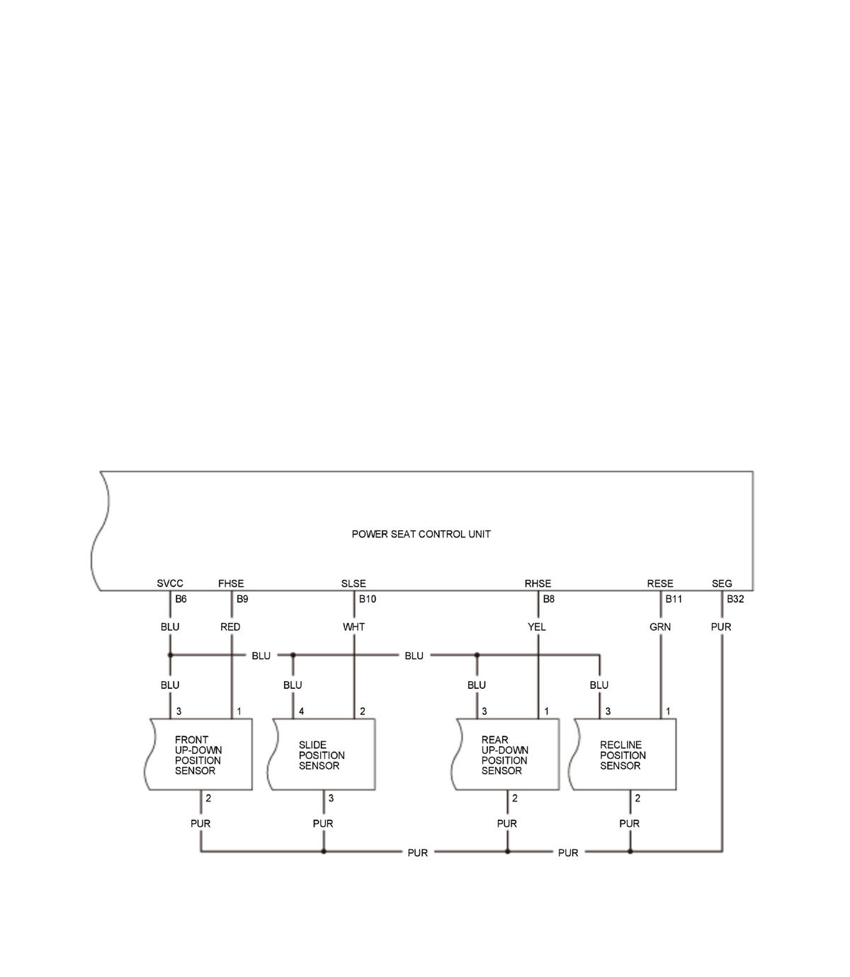
Driving Position Memory System (DPMS) (2016)

GHH471557Courtesy of HONDA, U.S.A., INC.
GHH471558Courtesy of HONDA, U.S.A., INC.
GHH471559Courtesy of HONDA, U.S.A., INC.
GHH471560Courtesy of HONDA, U.S.A., INC.