LEMON Manuals: Even more car manuals for everyone: 1960-2025
Home >> Acura >> 2021 >> RDX Base >> Repair and Diagnosis (Single Page) >> Body & Frame >> Door Locks >> Security System / Keyless Entry System - Testing & Troubleshooting >> Circuit Diagram >> Keyless Access System Circuit Diagram
April 5, 2026: LEMON Manuals is launched! Read the announcement.

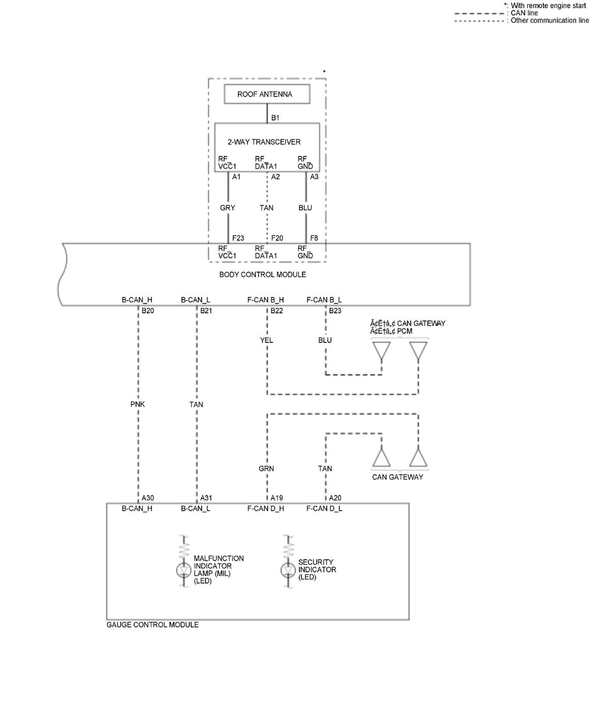
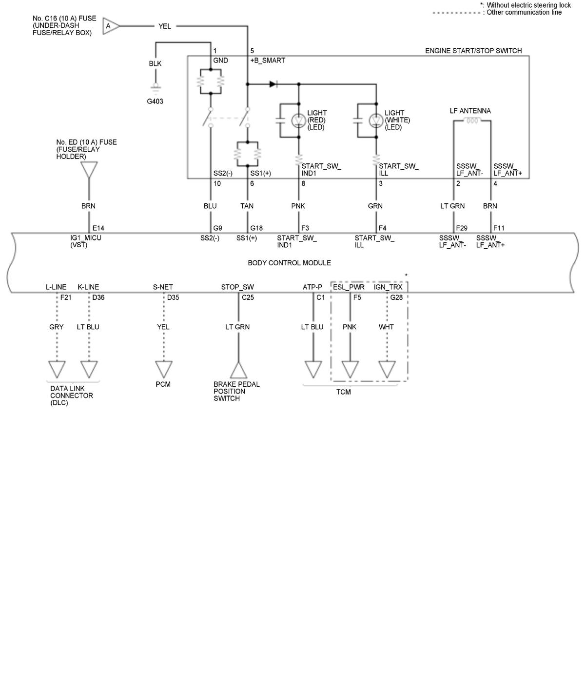
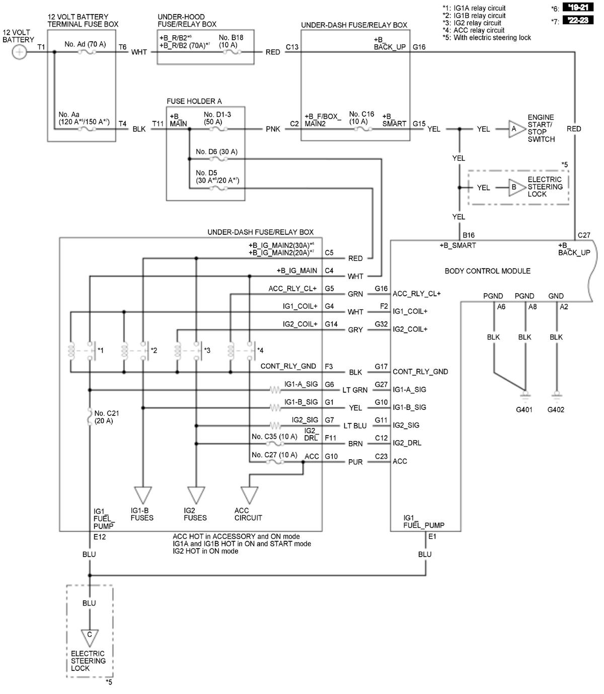
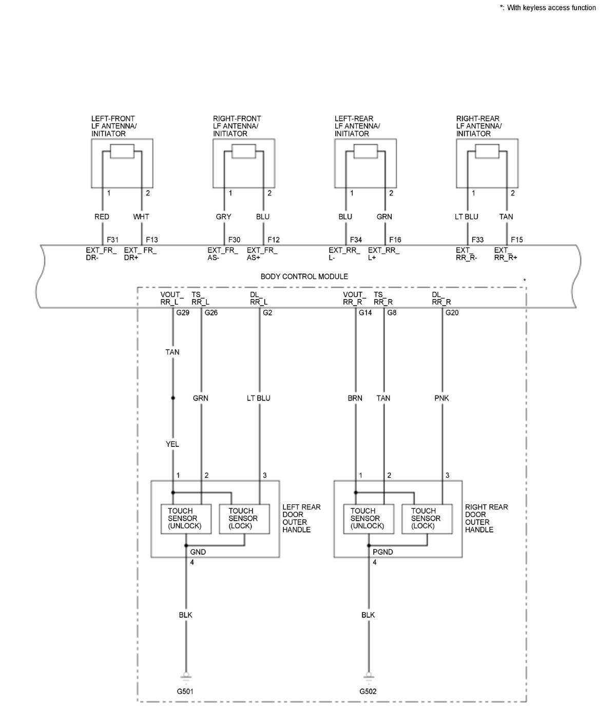
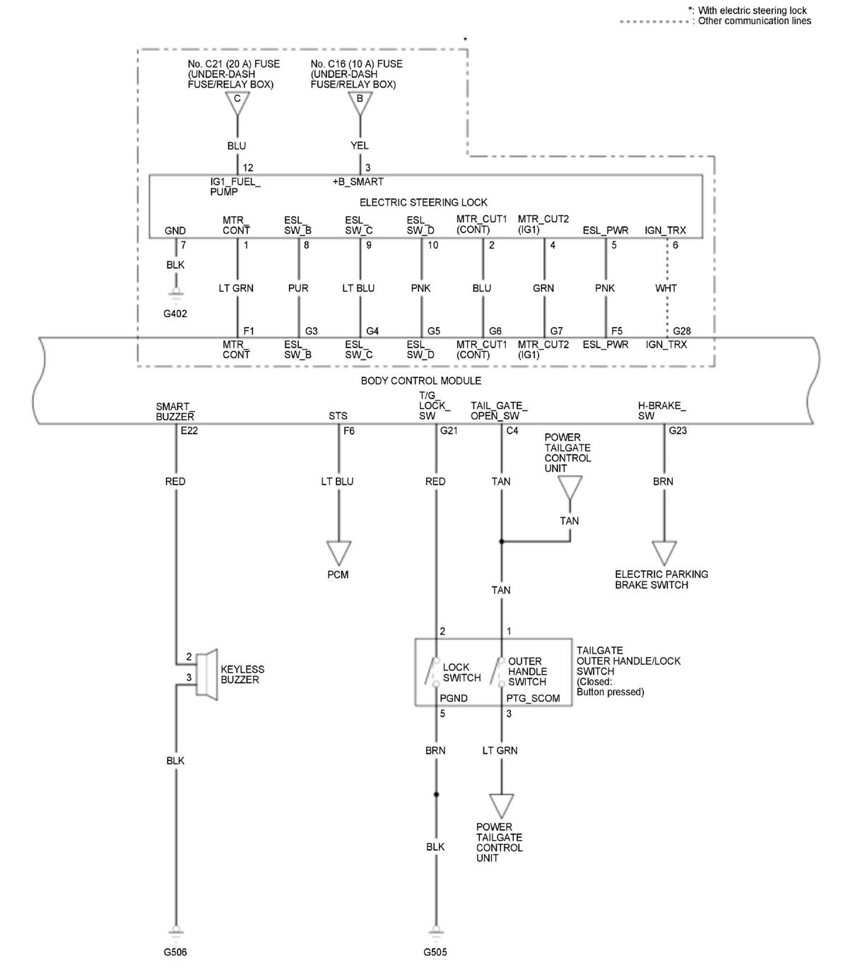
Keyless Access System Circuit Diagram

GHH556499Courtesy of HONDA, U.S.A., INC.
GHH556500Courtesy of HONDA, U.S.A., INC.
GHH556501Courtesy of HONDA, U.S.A., INC.
GHH556502Courtesy of HONDA, U.S.A., INC.
GHH556503Courtesy of HONDA, U.S.A., INC.
GHH556504Courtesy of HONDA, U.S.A., INC.