LEMON Manuals: Even more car manuals for everyone: 1960-2025
Home >> Acura >> 2021 >> RDX Base >> Repair and Diagnosis (Single Page) >> Body & Frame >> Door Locks >> Security System / Keyless Entry System - Testing & Troubleshooting >> Circuit Diagram >> Keyless/Power Door Locks/Security System Circuit Diagram
April 5, 2026: LEMON Manuals is launched! Read the announcement.

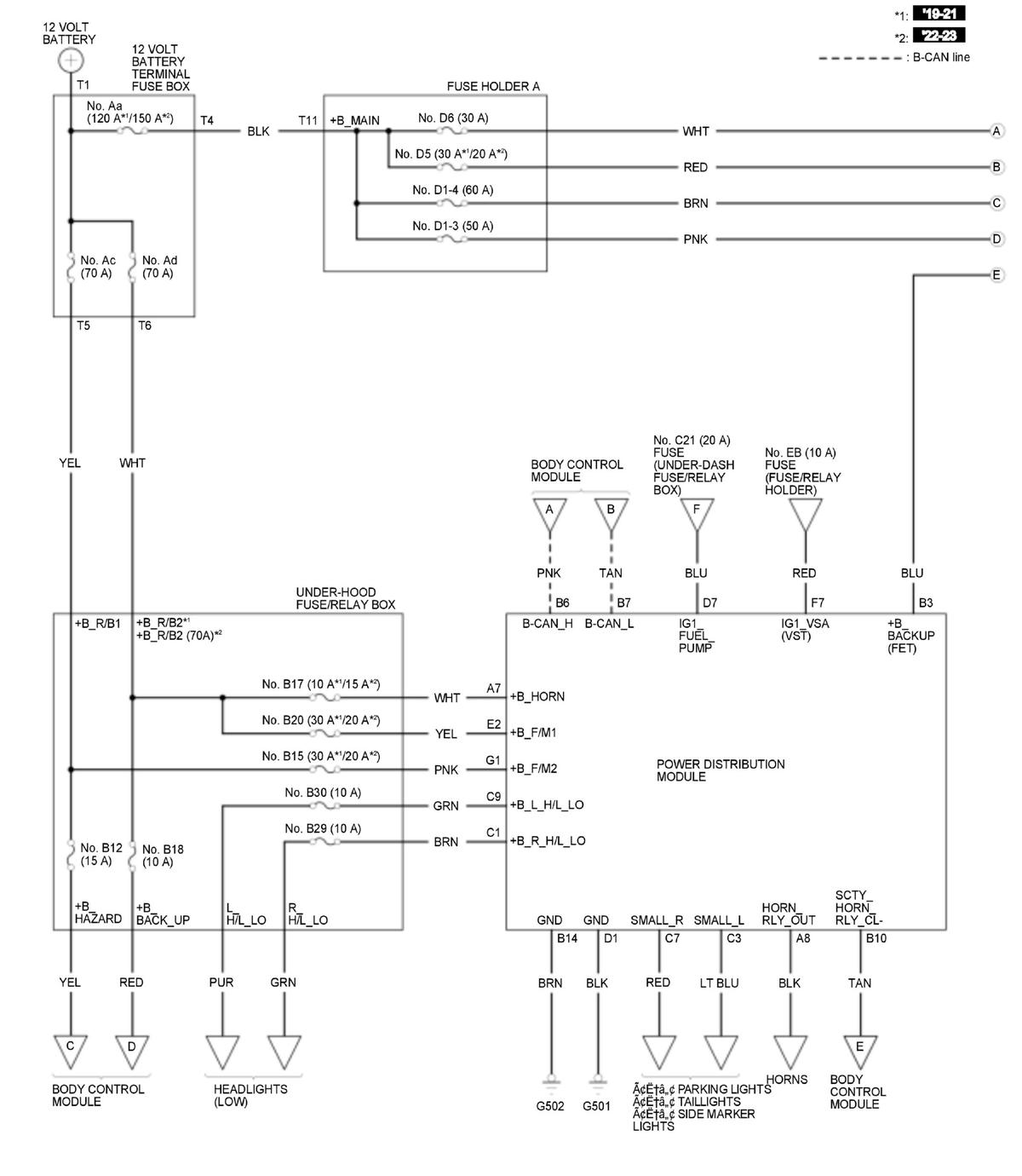
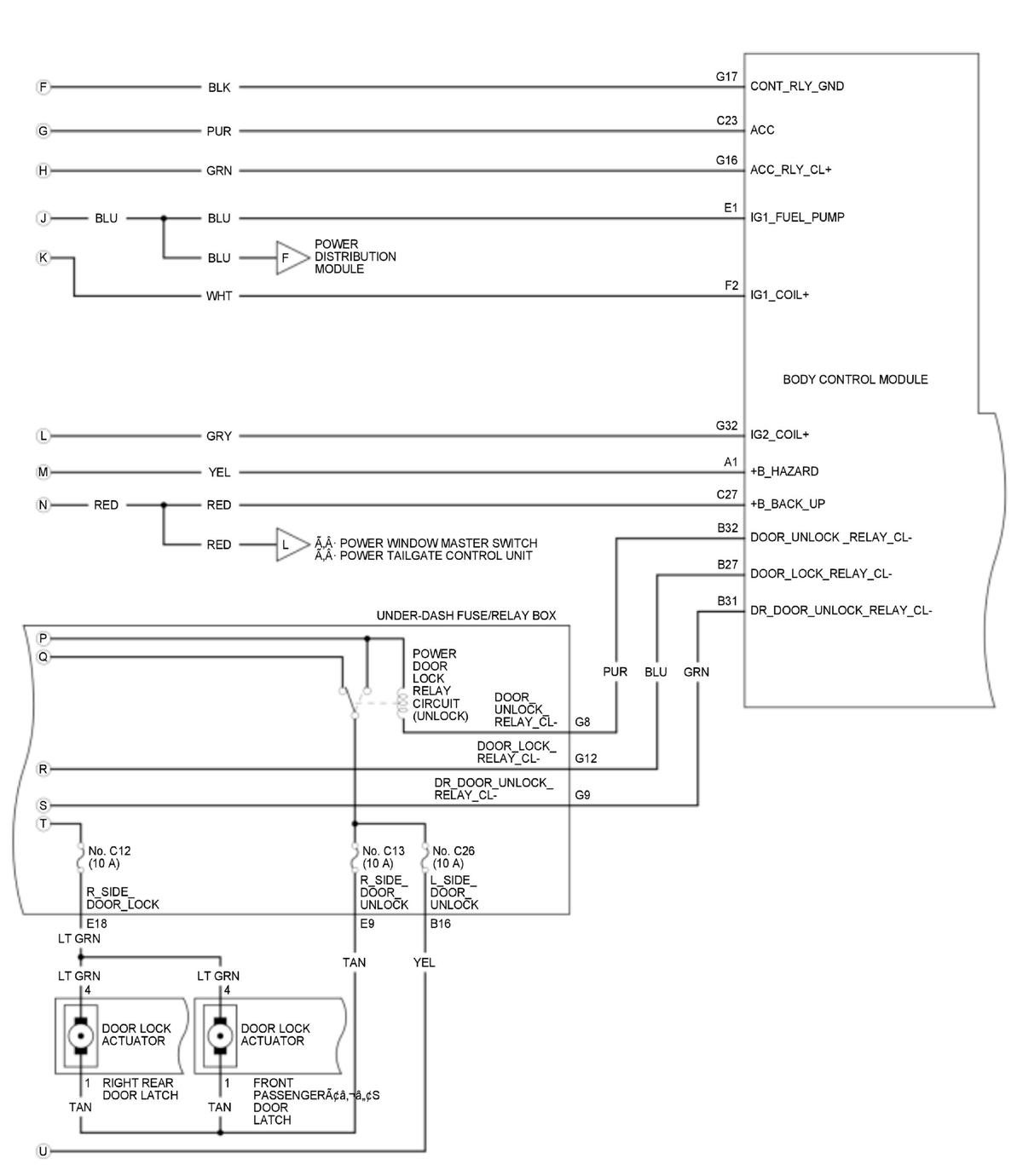
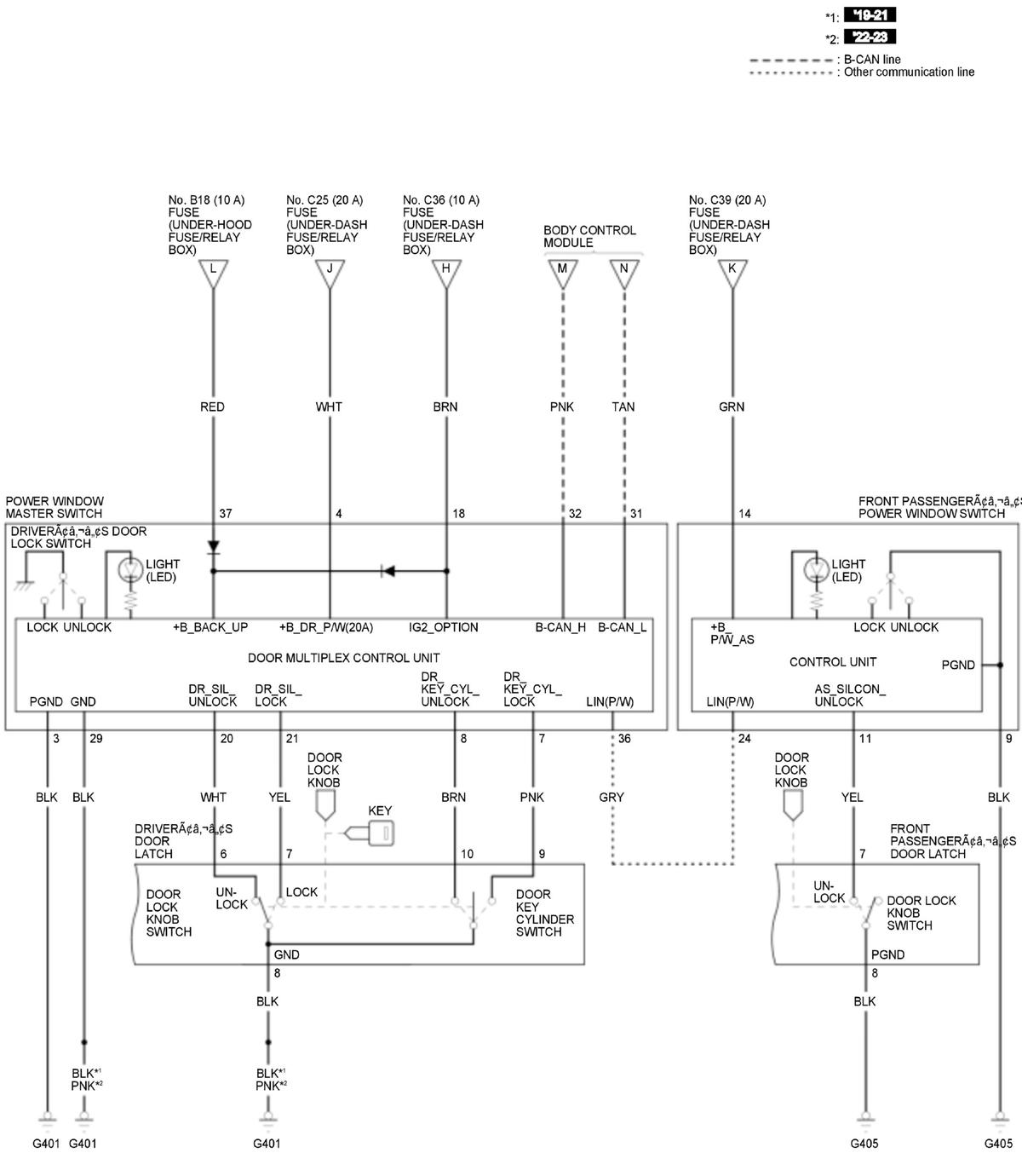
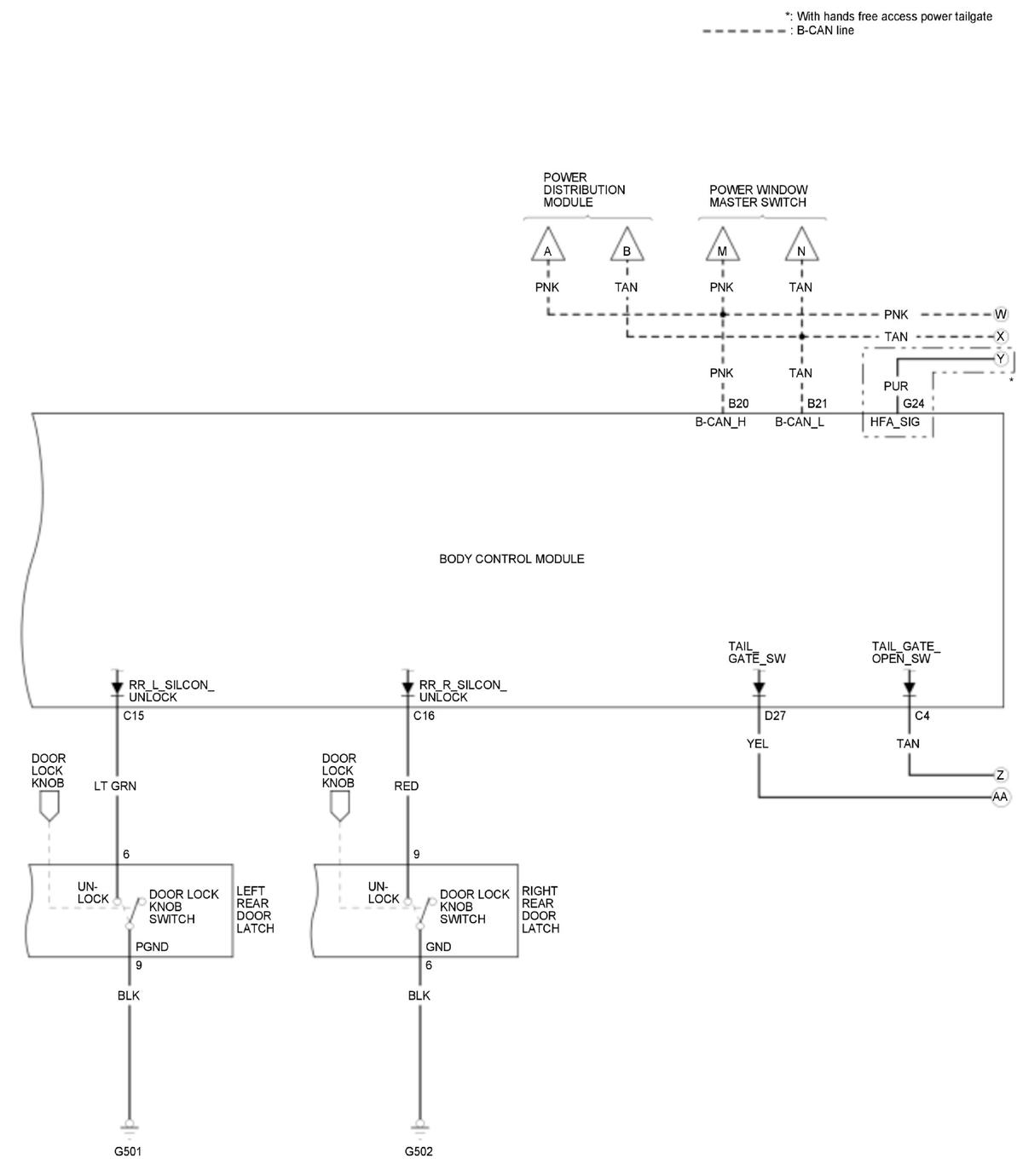
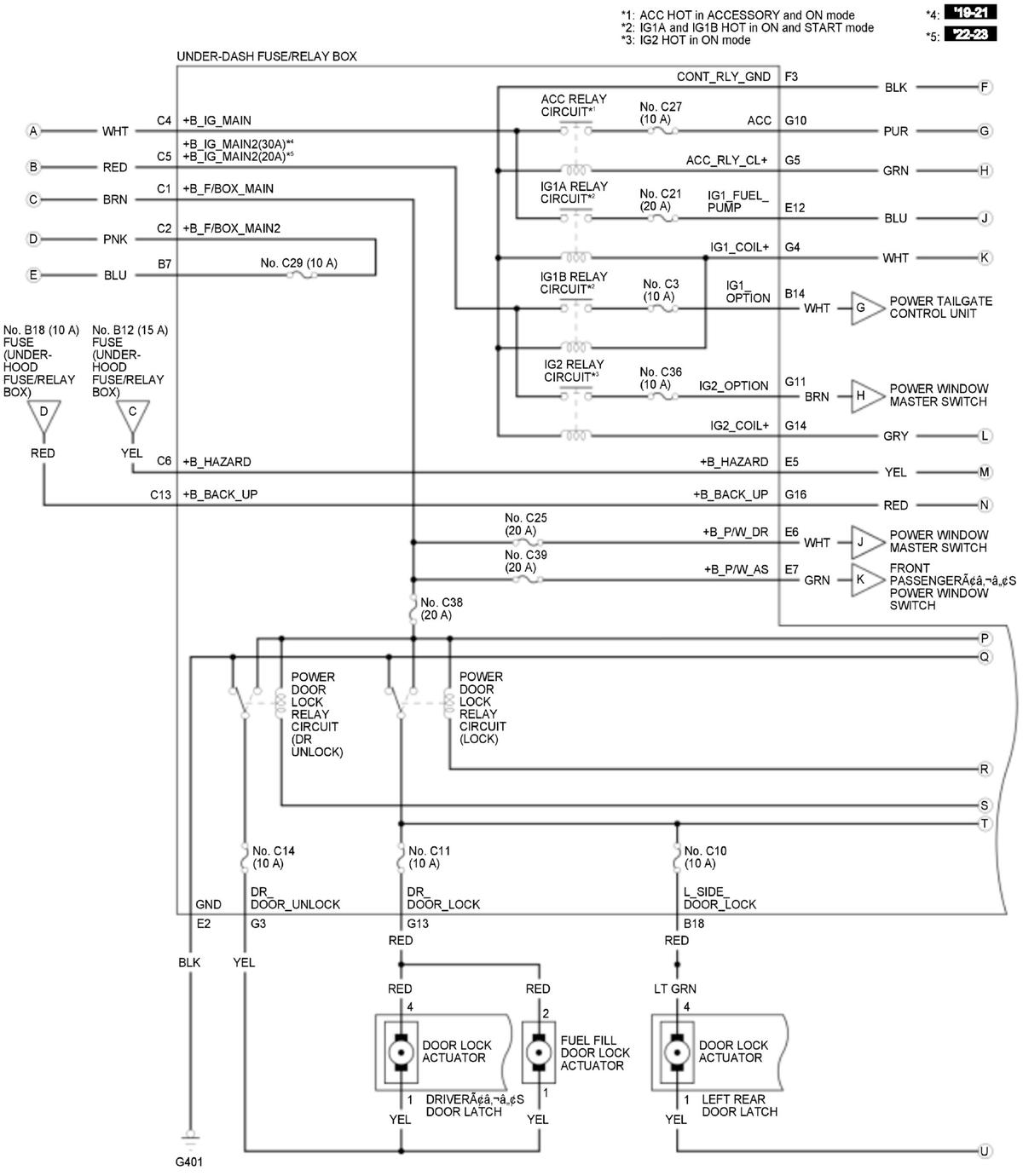
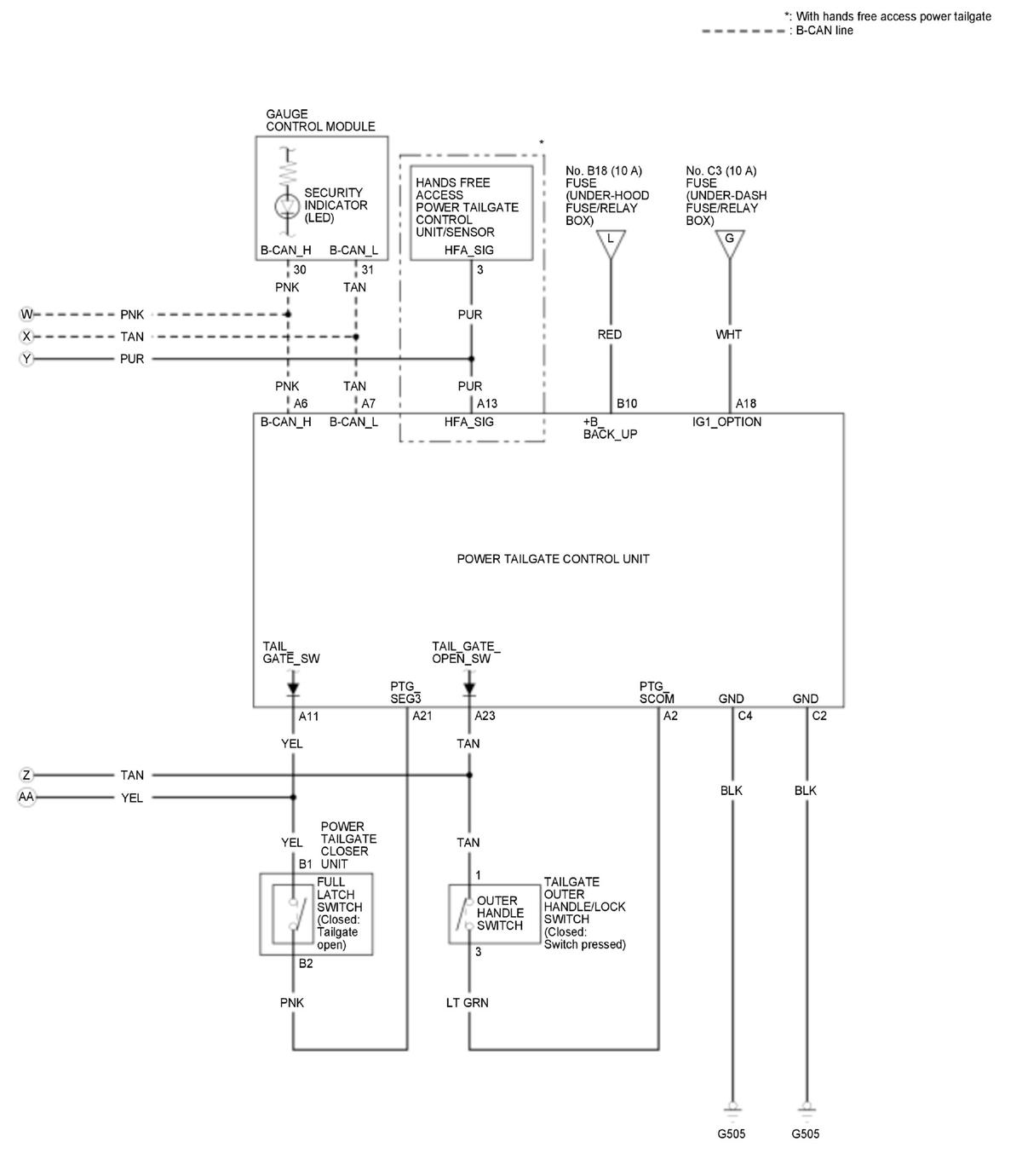
Keyless/Power Door Locks/Security System Circuit Diagram

GHH556505Courtesy of HONDA, U.S.A., INC.
GHH556506Courtesy of HONDA, U.S.A., INC.
GHH556507Courtesy of HONDA, U.S.A., INC.
GHH556508Courtesy of HONDA, U.S.A., INC.
GHH556509Courtesy of HONDA, U.S.A., INC.
GHH556510Courtesy of HONDA, U.S.A., INC.
GHH556511Courtesy of HONDA, U.S.A., INC.