LEMON Manuals: Even more car manuals for everyone: 1960-2025
Home >> Acura >> 2023 >> Integra Base, Standard Trans >> Repair and Diagnosis (Single Page) >> Engine Performance >> System >> Engine Control System Advanced Diagnostics (P16E2 - U3502) >> Advanced Diagnostics >> DTC Advanced Diagnostics: P26F0 (1.5L Engine) (2025)
April 5, 2026: LEMON Manuals is launched! Read the announcement.

DTC Advanced Diagnostics: P26F0 (1.5L Engine) (2025)

DTC P26F0  : Starter Cut Relay Diagnosis Circuit High Voltage

General Description 

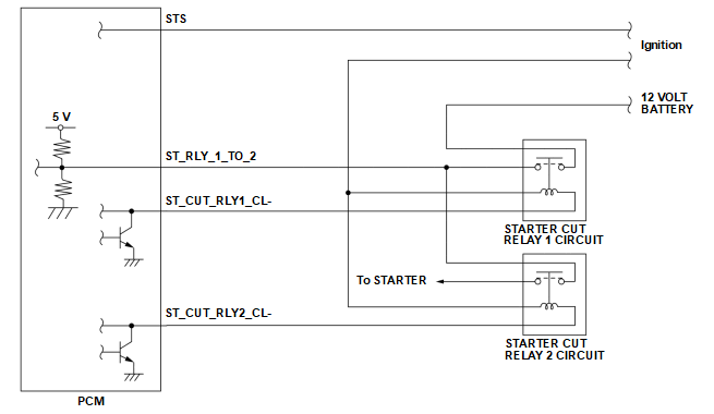
GHH652906Courtesy of HONDA, U.S.A., INC.

The starter control system prevents the starter from accidentally activating when the shift position is not in the P or N position/mode, or when the engine is running. If the vehicle is turned mistakenly while shift position is not in P or N or while the engine is running, the powertrain control module (PCM) will stop power to the starter cut relays. However, cranking to return from auto idle stop does not correspond to this. In this system, two starter cut relays are connected in series (starter cut relay 1 circuit, starter cut relay 2 circuit) to prevent the starter from running continuously due to a starter cut relay malfunction. Also a diagnosis line (ST_RLY_1_TO_2) is connected to monitor the voltage between the starter cut relay 1 circuit and starter cut relay 2 circuit. Based on the diagnosis line signals, the PCM detects an OPEN malfunction of diagnosis line, an ON malfunction of starter cut relay 1 circuit, and an ON malfunction of starter cut relay 2 circuit. The PCM also equips with return signal circuits of starter cut relay 1 circuit and starter cut relay 2 circuit to detect an OFF malfunction. If the voltage of the diagnosis line (ST_RLY_1_TO_2) is a specified voltage for a set time when the starter is OFF (STS OFF), the PCM detects an ON malfunction of starter cut relay 1 circuit and stores a DTC.

Monitor Execution, Sequence, Duration, DTC Type 

Execution Continuous
Sequence None
Duration 5 seconds or more
DTC Type One drive cycle, MIL on* 1, off* 2

*1: USA/Canada models

*2: Mexico models

Enable Conditions 

Condition Minimum
Vehicle ON mode

Malfunction Threshold 

The diagnosis line (ST_RLY_1_TO_2) input voltage [Starter Cut Relay] is 3.19 V or more for at least 5 seconds.

[ ]: HDS Parameter

Possible Cause 

NOTE:

The causes shown may not be a complete list of all potential problems, and it is possible that there may be other causes.

  • Starter cut relay 1 circuit ON failure
  • Starter cut relay circuit ST_RLY_1_TO_2 line short to power
  • PCM internal circuit failure

Diagnosis Details* 1 

Conditions for setting the DTC 

When a malfunction is detected, the MIL comes on and a Pending DTC, a Confirmed DTC, the freeze data, and the on-board snapshot are stored in the PCM memory.

Conditions for clearing the DTC 

The MIL is cleared if the malfunction does not return in three consecutive trips in which the diagnostic runs. The MIL, the Pending DTC, the Confirmed DTC, the freeze data, and the on-board snapshot can be cleared with the scan tool clear command.

Diagnosis Details* 2 

Conditions for setting the DTC 

When a malfunction is detected, a Pending DTC, a Confirmed DTC, the freeze data, and the on-board snapshot are stored in the PCM memory. The MIL does not come on.

Conditions for clearing the DTC 

The Pending DTC, the Confirmed DTC, the freeze data, and the on-board snapshot can be cleared with the scan tool clear command.