LEMON Manuals: Even more car manuals for everyone: 1960-2025
Home >> Acura >> 2025 >> TLX Base >> Repair and Diagnosis (Single Page) >> Accessories & Equipment >> Communication Devices >> Integrated Control Systems - Testing & Troubleshooting >> Circuit Diagram >> Driving Position Memory System (DPMS) Circuit Diagram
April 5, 2026: LEMON Manuals is launched! Read the announcement.

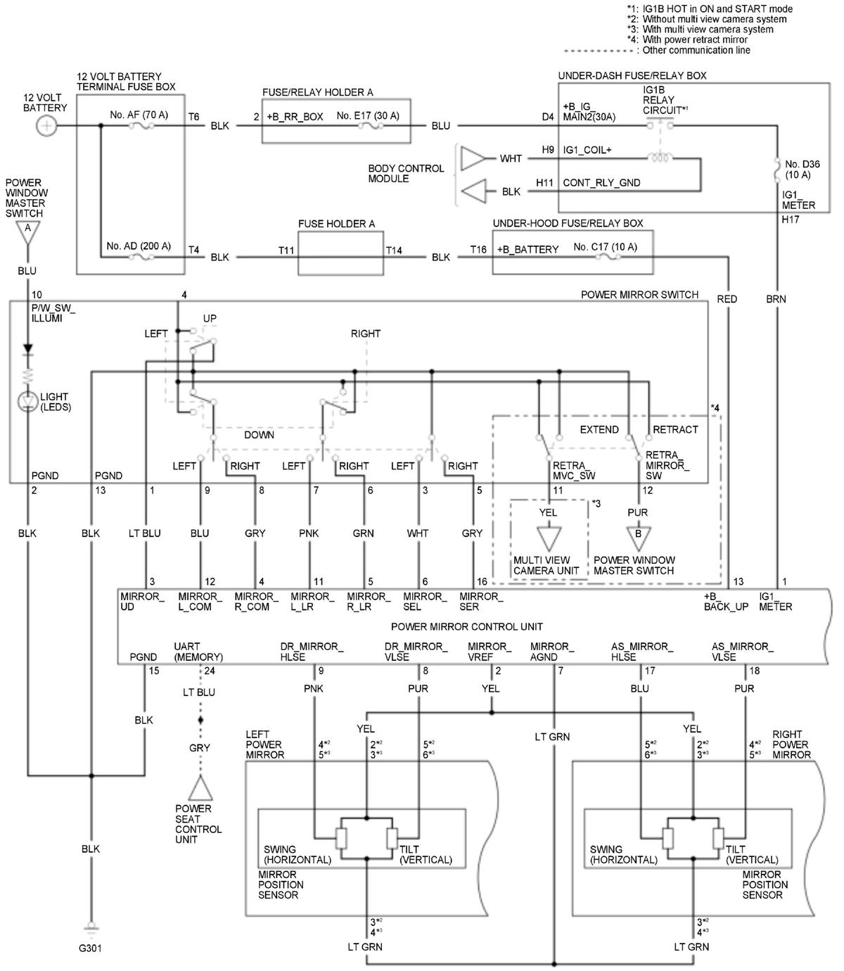
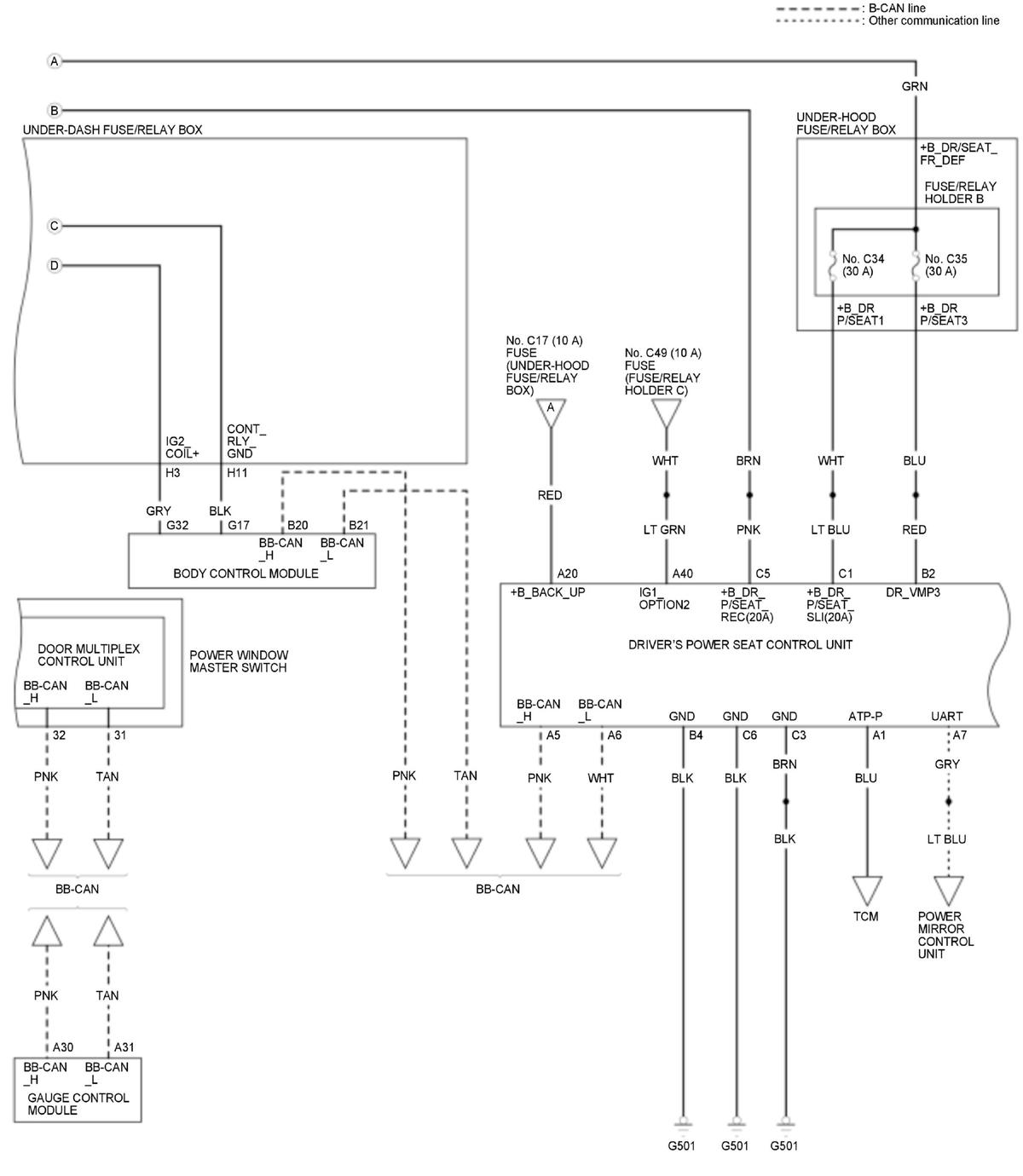
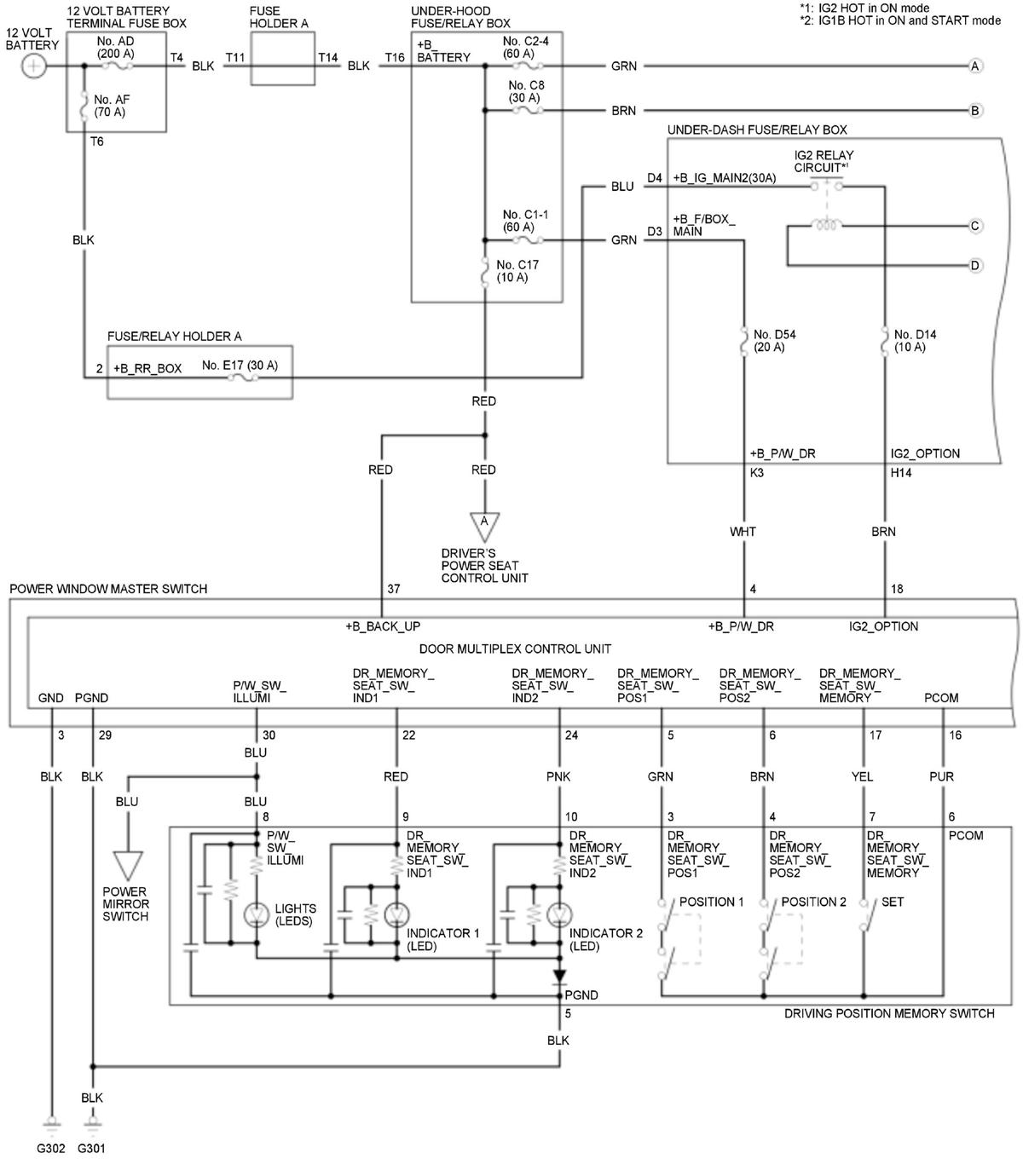
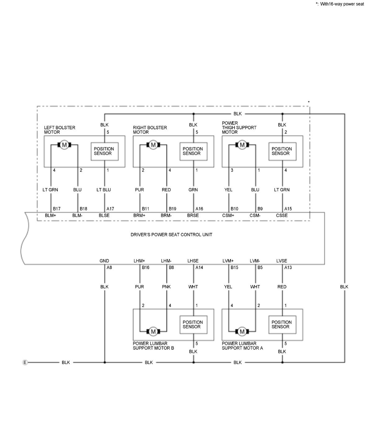
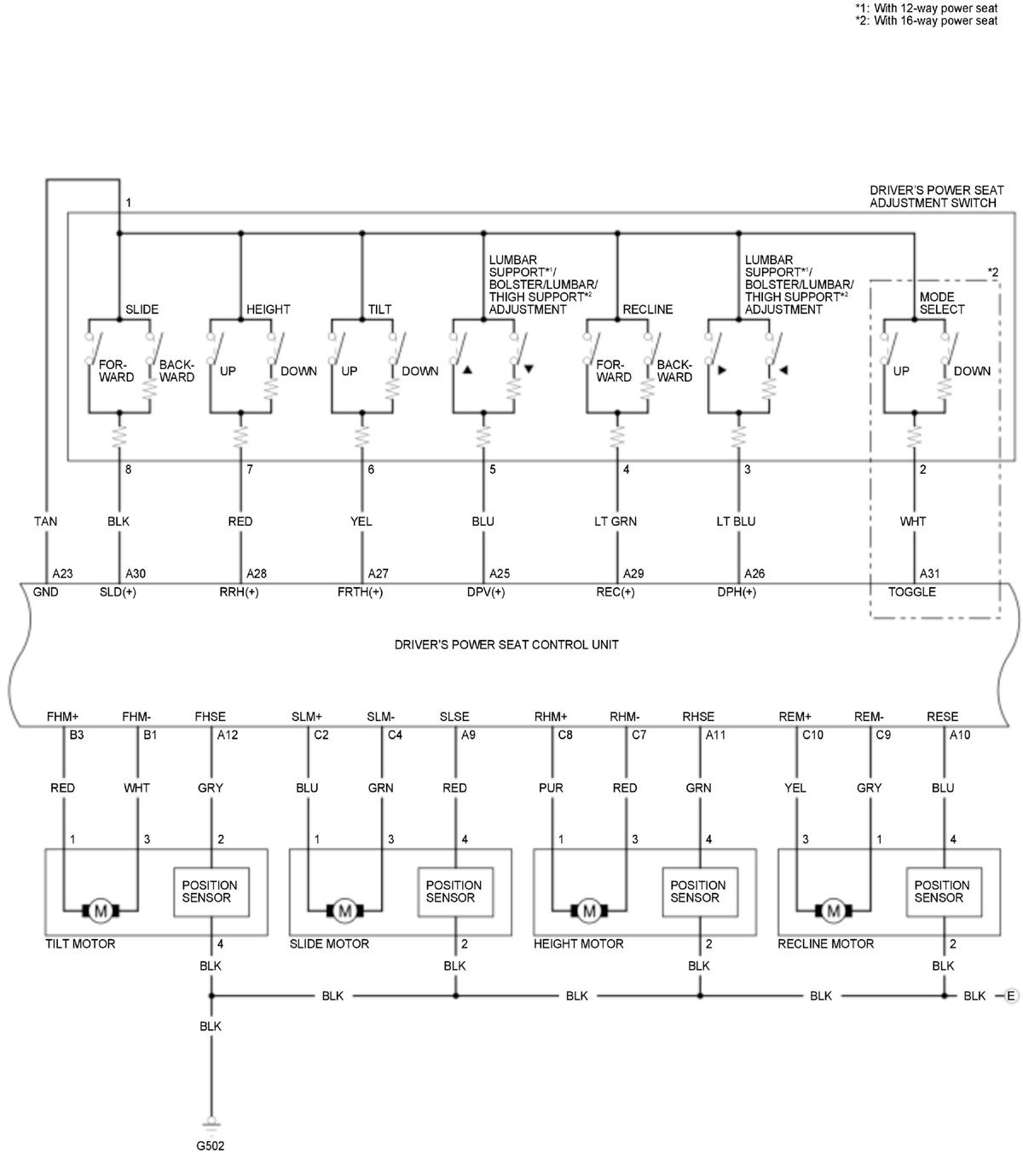
Driving Position Memory System (DPMS) Circuit Diagram

Driver's power seat 

NOTE: For details of the CAN circuit, refer to the Network Communications Circuit Diagram.
GHH484897Courtesy of HONDA, U.S.A., INC.
GHH484898Courtesy of HONDA, U.S.A., INC.
GHH484899Courtesy of HONDA, U.S.A., INC.
GHH484900Courtesy of HONDA, U.S.A., INC.

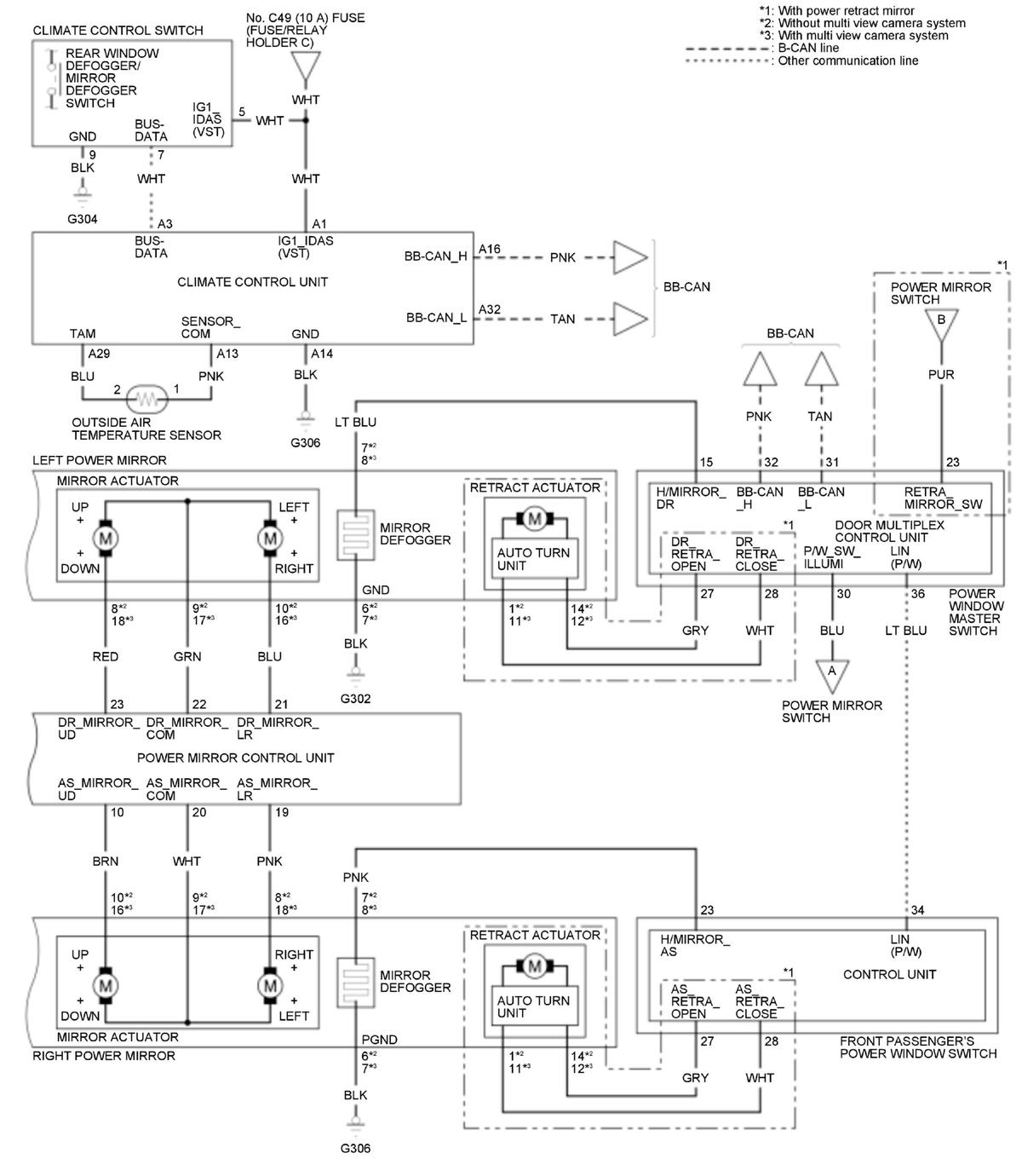
Power Mirror 

NOTE: For details of the CAN circuit, refer to the Network Communications Circuit Diagram.
GHH484901Courtesy of HONDA, U.S.A., INC.
GHH484902Courtesy of HONDA, U.S.A., INC.