LEMON Manuals: Even more car manuals for everyone: 1960-2025
Home >> Alfa Romeo >> 1987 >> Milano Verde >> Repair and Diagnosis >> Engine Performance >> System >> Spark Control System >> Testing >> Vacuum Advance
April 5, 2026: LEMON Manuals is launched! Read the announcement.

Vacuum Advance

  1. Install tachometer and timing light. Disconnect ignition ECU connector. Disconnect vacuum advance hose. Raise engine to 3000 RPM. Note timing advance reading. Timing advance should be 12-16 degrees.
  2. Connect ignition ECU connector. Ground ignition coolant temperature sensor with jumper wire. Raise engine to 3000 RPM. Note timing advance reading. Timing advance should be 6-9 degrees. Replace ignition ECU if timing advance reading is not within specification.
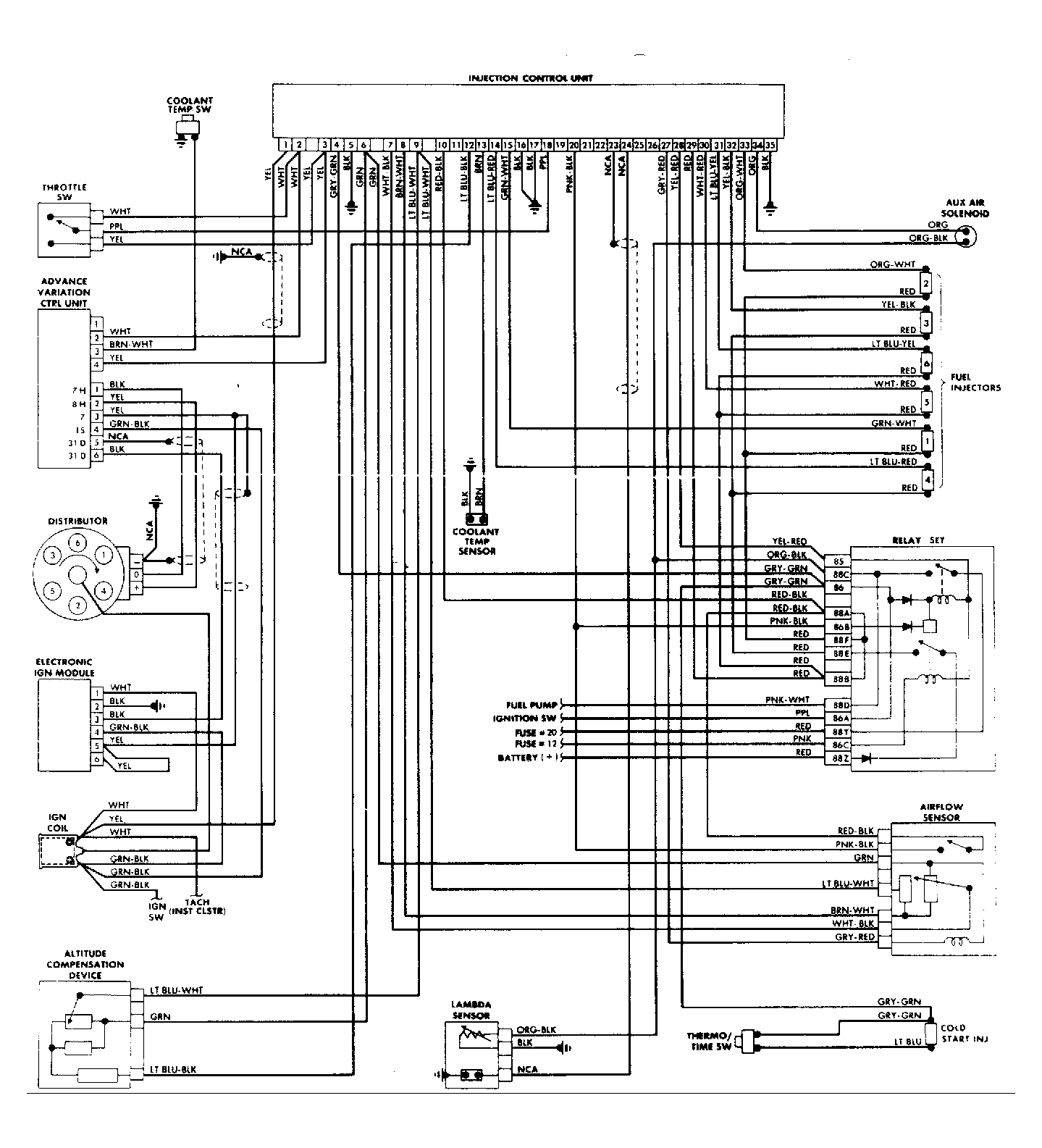
Fig 1: Wiring Diagram
G65209