LEMON Manuals: Even more car manuals for everyone: 1960-2025
Home >> Alfa Romeo >> 2017 >> Giulia Base, AWD >> Repair and Diagnosis (Single Page) >> Accessories & Equipment >> Communication Devices >> Electronic Control Modules (Service Information) >> Module, Ignition Control (ICM) >> Description And Operation
April 5, 2026: LEMON Manuals is launched! Read the announcement.

Description And Operation

GC0195571Courtesy of CHRYSLER GROUP, LLC

The components through which both ECMs manage and implement the engine ignition stroke are the following:

  1. ELDOR electronic module
  2. Ignition coils (ELDOR)
  3. Spark plugs.
GC0196925Courtesy of CHRYSLER GROUP, LLC

The 2.9 V6 turbo engine has the characteristic of working with odd firing. The firings follow one another every 90° and every 150°. This gives the engine a distinctive noise due to a irregular pace of the drive torque compared to firings that follow one another every 120°.

GC0196851Courtesy of CHRYSLER GROUP, LLC

The cylinders are numbered according to the order shown in the illustration. "Front" means the front of the vehicle (front bumper).

The firings come in the following succession: 1-6-3-4-2-5.

GC0195534Courtesy of CHRYSLER GROUP, LLC

The ELDOR electronic module is designed to run diagnostics of misfires. The need for a specific module for this function is due to the engine's characteristic of having some firings very close to one another. The proximity of the fires does not allow the ECMs (Master and Slave) to accurately diagnose the misfire.

The ELDOR module detects the ionization current to the spark plug electrode heads using the ignition coil as a sensor: The ELDOR module detects the value of the current in the secondary winding of the coil and based on this, using a special algorithm, it calculates the ionization of the air-petrol mixture present between the spark plug's electrodes. The value of the current present in the primary winding of the coils the moment the spark is fired is influenced by the degree of ionization of the air-petrol mixture present between the spark plug's electrodes.

The ELDOR module receives the signal of the motor revolutions from a specific pin of the ECM1 Master module.

The diagnostics present in the ELDOR memory allow it to analyze the current present in the secondary winding of the coils. If the current has certain values, the ELDOR module can establish:

  1. Whether there was a spark at the spark plug electrode head.
  2. Whether there is combustion.
GC0197402Courtesy of CHRYSLER GROUP, LLC

The graph shows the trend of the current in the coil's secondary winding. (The graph is a reconstruction and is representative of the true trend. The goal is to highlight the concept in which the ELDOR module runs diagnostics.)

The ELDOR module can understand whether the spark at the spark plug's electrode heads was fired by the presence of the peak in current A. Obviously, if the spark was not fired, the peak in current is practically absent as the ionization in the air between the electrodes is nil. The second peak in current B occurs when oxidation of the chemical species present in the air-petrol mixture begins. The peak in current C occurs when there is an increase in the release of heat (the moment the flame develops). Between the two peaks in current B and C, the ELDOR module can understand whether the injection of petrol occurred and whether combustion is taking place.

GC0195584Courtesy of CHRYSLER GROUP, LLC

The ELDOR module has two connectors through which it interfaces with ECM Master and Slave respectively.

GC0196092Courtesy of CHRYSLER GROUP, LLC

Ignition coils 1, 2, 3, 4, 5, 6 are indirectly commanded by the ECMs (Master e Slave), and not directly. The ECM1 Master module sends ignition commands (IGN-1; IGN-2;IGN-3) to the ELDOR module, which in turn sends to pin 2 of coils 1, 2 and 3 the ignition command (to load the primary winding).

GC0196471Courtesy of CHRYSLER GROUP, LLC

Similarly, the ECM2 Slave sends the ignition commands (IGN-4; IGN-5; IGN-6) to the ELDOR module, which sends the commands (load the primary winding) to coils 4, 5, 6. The commands the ELDOR module sends to the coils follow one another in a sequential timing mode, in compatibility with the ignition order.

The two ECMs exchange data on the ignition commands given via the private CAN that connects them.

GC0196257Courtesy of CHRYSLER GROUP, LLC

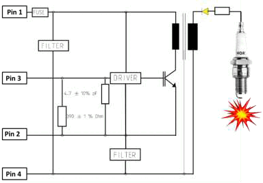
The 2.9L Coils Pinout

  1. 12V power supply from main relay.
  2. Vehicle chassis ground
  3. Command by ELDOR module (ignition)
  4. Ionization signal (for ELDOR).

:

GC0195656Courtesy of CHRYSLER GROUP, LLC

To pin 3, the ELDOR module sends a threshold current to saturate the transistor allowing it to conduct current. Under this condition, the transistor connects the primary winding of the coil to pin 2 of the coil (chassis ground). From this moment, the primary winding loading stage begins. After about 2ms, the ELDOR module removes the command to pin 3, creating the variable magnetic flux that induces high tension in the secondary winding.

Primary winding current. 8.5 A ±0.1A
Ignition signal 4 V ± 0.1V
Loading duration of primary winding 2.0 ms ± 0.2ms
Voltage of secondary winding 35 Kv