LEMON Manuals: Even more car manuals for everyone: 1960-2025
Home >> Alfa Romeo >> 2017 >> Giulia Base, AWD >> Repair and Diagnosis (Single Page) >> Accessories & Equipment >> Drivers Assistance Systems - ADAS >> Electronic Control Modules (Service Information) >> Module, Forward Facing Camera (FFCM) >> Description And Operation
April 5, 2026: LEMON Manuals is launched! Read the announcement.

Description And Operation

GC0196009Courtesy of CHRYSLER GROUP, LLC

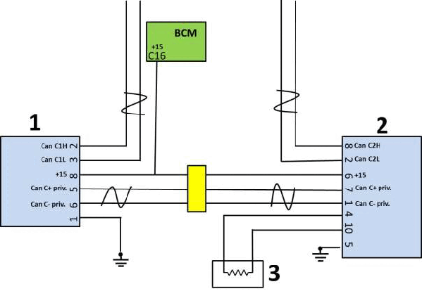
The Forward Facing Camera Module (FFCM) is a component located behind the rearview mirror in contact with the windshield. The FFCM is a visual spectrum camera which helps determine the type of object detected by the Adaptive Cruise Control (ACC) module. The FFCM is the primary module for the Lane Departure Warning (LDW) system. The FFCM transmits data to the ACC module over a dedicated Controller Area Network (CAN)-C data bus operating at 500 kbps.

The FFCM also provides input for the automaci SMART BEAM high beam headlamps.

Automatic headlamp activation: SMART BEAM function 

The system automatically switches (if activated by the customer) from high beam to low beam headlights if light sources outside of the vehicle are detected, such as the light from the headlights of vehicles coming in the opposite direction, from the rear lights of vehicles in front or from road lighting. If these conditions are not maintained, the system will automatically switch back to high beam to increase nighttime driving safety on poorly lit roads.

The system uses the FFCM for detecting oncoming lights or lights ahead of the vehicle. When the headlights of an approaching or preceding vehicle are detected or in case of changes in environment light (daylight or lamp posts, buildings and other sources), the FFCM communicates with the Body Control Module (BCM) via CAN and the BCM switches off the high beam headlights before they can annoy other drivers.

This feature is automatically deactivated at speeds lower than approximately 20 km/h (13 mph). The FFCM controls a small heater installed on the module support to keep the glass located in front of the optical sensor from misting up.

Whenever the FFCM or the windshield is replaced or whenever required for correct operation, the module must be calibrated using the diagnostic scan tool. Refer to MODULE, FORWARD FACING CAMERA (FFCM), REMOVAL AND INSTALLATION .

GC0197367Courtesy of CHRYSLER GROUP, LLC
PIN DESCRIPTION
1 CAN-C (-) PRIVATE
2 CAN-CH L
3 NA
4 HEATER POWER SUPPLY
5 GROUND
6 POWER SUPPLY
7 CAN-C (+) PRIVATE
8 CAN-CH H
9 NA
10 HEATER GROUND
11 NA
12 NA
GC0196780Courtesy of CHRYSLER GROUP, LLC

Wiring Diagram - Driver Assistance

The camera and bracket are not adjustable or repairable and must be replaced if inoperable or damaged.