LEMON Manuals: Even more car manuals for everyone: 1960-2025
Home >> Audi >> 1987 >> 5000 CS, Automatic >> Repair and Diagnosis >> Brakes >> Traction Control >> Anti-Lock Brake System >> Test 7 >> All Models
April 5, 2026: LEMON Manuals is launched! Read the announcement.

All Models

  1. Item Being Tested - ABS Control Unit Ground (Terminal No. 10) Place ABS tester in program switch position No. 7. When button No. 5 lights up, press button. Reading on ABS tester should be 80-300 millivolts. If correct, TEST 7 is completed.
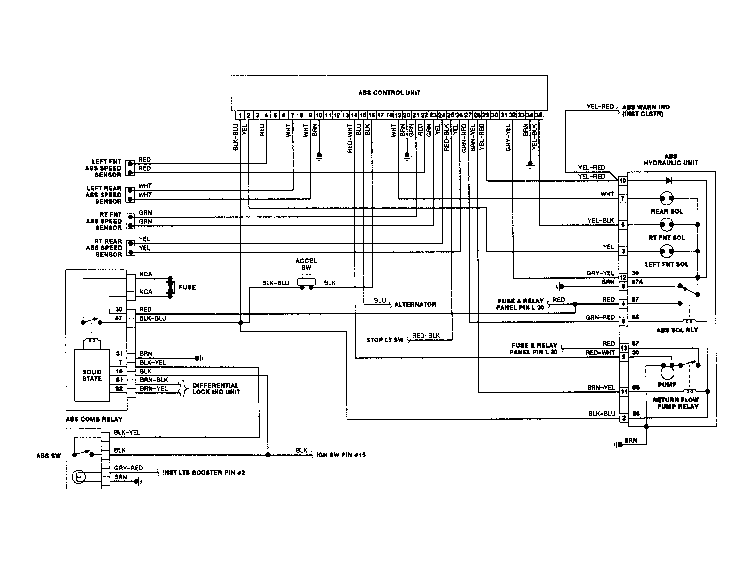
  2. If reading is incorrect, turn ignition off. Use ohmmeter to check continuity between terminal No. 10 in plug for ABS control unit and ground. See Figure . If there is no continuity, repair wiring harness to restore continuity.
IDENTIFICATION

Fig. # Identification
6 ABS Control Unit Terminal ID
7 Solenoid Valve Relay Terminal ID
8 ABS Power Supply Relay (Rear)
9 ABS Power Supply Relay Contacts (Front)
10 ID of Terminal in Plug for Hydraulic Modulator
11 ID of Terminal is Socket on Hydraulic Modulator
Fig 1: ABS Component Contacts & Terminal ID (1 of 6)
G46806Courtesy of AUDI OF AMERICA, INC.
Fig 2: ABS Component Contacts & Terminal ID (2 of 6)
G46807Courtesy of AUDI OF AMERICA, INC.
Fig 3: ABS Component Contacts & Terminal ID (3 of 6)
G46808Courtesy of AUDI OF AMERICA, INC.
Fig 4: ABS Component Contacts & Terminal ID (4 of 6)
G46809Courtesy of AUDI OF AMERICA, INC.
Fig 5: ABS Component Contacts & Terminal ID (5 of 6)
G46810Courtesy of AUDI OF AMERICA, INC.
Fig 6: ABS Component Contacts & Terminal ID (6 of 6)
G46811Courtesy of AUDI OF AMERICA, INC.