LEMON Manuals: Even more car manuals for everyone: 1960-2025
Home >> Audi >> 1998 >> A8 Base >> Repair and Diagnosis (Single Page) >> Accessories & Equipment >> Warning Systems >> On Board Diagnostic (OBD) - Abs/EDL/ASR >> Electronic Stabilization Program (ESP) >> ESP function >> The new components: >> ABS/ESP Control Module CAN Bus
April 5, 2026: LEMON Manuals is launched! Read the announcement.

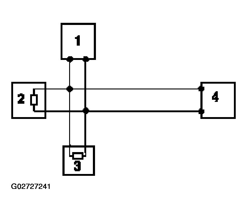
ABS/ESP Control Module CAN Bus

The function of the ESP requires that the ABS Control Module (w/EDL) -J104- (item -2-) transfer data to and from the Engine Control Module (ECM) (item -3-), the Transmission Control Module (TCM) (item -4-) and the steering angle sensor -G85- (item -1-).

The data is transferred via the CAN-bus. For information and test procedure, see TWO-LINE BUS SYSTEM, CHECKING  . The CAN-bus only contains two lines. These are called bus lines. These transfer all required data. Two bus lines are used to be able to detect malfunctions in the lines.

Fig 1: ABS/ESP Control Module CAN Bus Communication Diagram
G02727241Courtesy of AUDI OF AMERICA, INC.

The CAN-bus is connected in the Engine Control Module (ECM) with a resistance of approximately 66 ohm. All other control modules connected to the CAN system (for example the ABS Control Module (w/EDL) -J104-) are connected with a high ohm resistance (2.6 k ohm).

The ASR and ESP functions can be switched on and off using the ASR/ESP switch on the center console. If the driver steps on the brake pedal, the status of the ESP switch is ignored. When braking, ESP is always active. When the ignition is switched on, the ASR and ESP functions are activated.

You can check the function of the ASR/ESP switch by selecting the "Read Value Measuring Block" function 08. See MEASURING VALUE BLOCK (SCAN TOOL FUNCTION 08), READING  , Display group 002.

When switched off, the ASR/ESP indicator light is lit up in the instrument cluster. During normal operation the indicator light blinks three times per second.