A/C Unit
-- Remove A/C unit, refer to HEATING AND A/C UNIT .
-- Remove attachments from heating and A/C unit, refer to ATTACHMENTS - MANUALLY REGULATED A/C SYSTEM (version with manual regulation).
-- Remove attachments from heating and A/C unit, refer to ATTACHMENTS - AUTOMATICALLY REGULATED A/C SYSTEM (version with automatic regulation).
- Air Distribution Housing For A/C System
- Do not disassemble further.
- On vehicles without an Auxiliary Heater Heating Element -Z35- the opening for the auxiliary air heater heating element is covered by the cover for the heat exchanger.
- If necessary, coat bearing areas and guides of temperature doors thinly with grease (e.g. with G 052 745 A3)
- Different versions in vehicles with manually and automatically regulated A/C system.
- A step-up gear with curved washer for actuating air distribution doors is installed on the air distribution housing for vehicles with manually regulated A/C system. Do not remove this step-up gear as the adjustment cannot be reestablished.
- Beginning November 2007, an air distribution housing (for heating or A/C) with a door in the air outlet to the defroster vents in the instrument panel without a side cut-out is gradually being installed. On vehicles with out A/C (just heating) or with a manual A/C system, the change to this door has no influence on the controls (the door is controlled only by adjusting the heating or A/C), refer to AIR DISTRIBUTION HOUSING DEFROSTER OUTLET DOOR .NOTE:
- On vehicles with manually regulated A/C system, the air distribution doors are moved manually via a flexible shaft. On vehicles with automatically regulated A/C system, air distribution doors are actuated by different control motors.
- On vehicles with manually regulated A/C system, the right and left temperature doors are connected to each other via the shaft and are operated by a control motor. On vehicles with an automatically regulated A/C system, the left and right temperature doors are each actuated by one control motor.
- The change to the door has no influence on the A/C controls on vehicles with manual A/C (without automatic A/C) (the door is controlled only when the manual A/C is adjusted).
- On vehicles with an automatic A/C, the Climatronic Control Module -J255- was already changed at the end of MY 2007. The Climatronic control module, part number 8P0 820 043 beginning with index AE can be entered, via the "adaptation", and the version of the door in the air outlet to the defroster vents in the instrument and number of control motors on the A/C unit (with and without Back Pressure Door Motor -V71-) (Climatronic control module). Check using Vehicle Diagnosis, Testing and Information System VAS 5051 under "Guided Fault Finding".
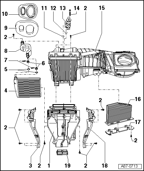
- Screw
- Air Guide Channel To Left Footwell Vent
- A/C system version (with temperature sensor mount).NOTE:
Vehicles with manually regulated A/C system: temperature sensor will be discontinued at a later point in time (date not yet finalized), the mount is sealed on vehicles without temperature sensor.
- A/C system version (with temperature sensor mount).
- Heat Exchanger For Heater Unit
- Removing and installing, refer to HEAT EXCHANGER .
- Sealing Ring
- Replace.
- Coat thinly with coolant and insert on proper side, refer to HEAT EXCHANGER .
- Clip
- Replace.
- Ensure it is seated correctly.
- Removing and installing, refer to HEAT EXCHANGER .
- Screw
- Tightening specification 2.5 Nm
- Coolant Pipes
- Disconnecting and connecting from heater core, refer to HEAT EXCHANGER .
- Foam Spacer
- Installed between grommet and A/C unit.
- Grommet
- Insert before installing A/C unit into vehicle bulkhead, refer to HEATING AND A/C UNIT .
- Installing, refer to HEATING AND A/C UNIT .
- O-ring
- Replacing, refer to REFRIGERANT CIRCUIT O-RINGS .
- Allocation.
- O-ring
- Replacing, refer to REFRIGERANT CIRCUIT O-RINGS .
- Allocation.
- Expansion Valve
- Refrigerant lines, disconnecting and reconnecting, refer to REFRIGERANT LINES, DISCONNECTING FROM EXPANSION VALVE .
- Removing and installing, refer to EXPANSION VALVE .NOTE:
After switching off the A/C compressor in this vehicle, it may take a relatively long time for the pressure on the high pressure side to decrease. This is because the expansion valve is cold and the pressure on the low pressure side increases quickly after shutting the compressor off, then the expansion valve closes and the refrigerant flows slowly to the low pressure side.
- Screw
- Tightening specification 10 Nm.
- Removing and installing, refer to EXPANSION VALVE .
- Evaporator Housing
- Disassembling and assembling, refer to EVAPORATOR HOUSING .
- Dust and Pollen Filter
- Removing and installing, refer to DUST AND POLLEN FILTER .
- Follow the replacement intervals, refer to Maintenance, Diagnosis .
- With activated charcoal insert, refer to DUST AND POLLEN FILTER WITH ACTIVATED CHARCOAL INSERT .
- Cover For Dust And Pollen Filter
- Removing and installing, refer to DUST AND POLLEN FILTER .
- Air Guide Channel To Right Footwell Vent
- Different versions on vehicles with manually regulated A/C system (without temperature sensor mount) and on vehicles with automatically regulated A/C system (with temperature sensor mount).
- Plug
- Installed only in vehicles without air duct to vent in rear center console (introduction of a vent in center console not yet finalized).