Data Exchange between Transmission Control Module (TCM) and CAN-Capable Control Modules, checking
- The exchange of data between the individual control modules is carried out by means of a bus system.
- "CAN Bus" describes a system to carry and distribute data.
- The wiring connections between the control modules, over which the data are transmitted, are described as data lines.
- Data are transmitted serially, that means in sequence, over these data lines to the attached control modules (e.g. engine RPM, accelerator pedal position).
Checking bus system
In the DTC table you were instructed to inspect the exchange of data between the Transmission Control Module (TCM) and CAN-capable control modules.
- Connect VAS 5051 Vehicle Diagnosis, Measurement and Information System. Refer to VAS 5051 Vehicle Diagnosis, Measurement and Information System, connecting and selecting functions and select vehicle system "02 Transmission Electronics". Ignition must be switched on.
Display on VAS 5051
- Touch -1- diagnostic function "08 Read Measured Value Block".
Display on VAS 5051
1 - Enter display group Max. input value = 255
- On keypad enter -2- "125" for "Display group number 125" and confirm by touching Q button.
Display on VAS 5051
- Check displays in display fields -1- to -4-.
The display shows the control modules which are CAN- capable with the Engine Control Module (ECM):
- Display 1: CAN-capable control module is a participant on data bus
- Display 0 or no display: CAN-capable control module is not a participant on data bus or not CAN-capable
- End function "08 Read Measured Value Block" by touching ← button.
- Touch "06 End output".
Display on VAS 5051
- In selection -1- touch diagnostic function "00 Read DTC memory complete system".
- DTC memory of all systems in the vehicle capable of On Board Diagnostic (OBD) is read.
If a control module responds and identifies itself, the number of stored DTCs or "No DTC" is displayed on the screen.
Any stored DTCs in a system are shown in sequence. Then the VAS 5051 sends the next address word.
If a DTC referring to "Data bus drive..." or "...CAN bus" is displayed:
- Check whether correct Engine Control Module (ECM) and other CAN-capable control modules have been installed (Part No. and Code).
If the correct control modules have been installed:
- Check whether multiple connectors for control module are fully seated.
If the multiple connectors are fully seated:
- Check CAN bus system.
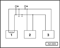
Checking a "Dual Wire Bus System"
Communication takes place between two or more control modules over a "Dual Wire Bus System".
- Analyze DTCs stored in control modules.
Example 1:
Based on the DTCs entered in the DTC memories, it can be seen that control module 1 is not connected to control modules 2 and 3.
| Control module | DTCs entered in the DTC memory: |
| 1 |
|
| 2 |
|
| 3 |
|
- Switch ignition OFF.
- Disconnect control modules connected by bus circuit and check whether a bus wiring connection has an open circuit.
Refer to Electrical Wiring Diagrams, Troubleshooting and Component Locations
- If no malfunction is found in bus wiring, replace control module 1.
Example 2:
Based on the DTCs entered in the DTC memories, it can be seen that control module 2 is not connected to control modules 1 and 3.
| Control module | DTCs entered in the DTC memory: |
| 1 |
|
| 2 |
|
| 3 |
|
- Switch ignition OFF.
- Disconnect control modules connected by the bus circuit and check whether a bus wiring connection has an open circuit.
Refer to Electrical Wiring Diagrams, Troubleshooting and Component Locations
- If no malfunction is found in bus wiring, replace control module 2.
Example 3:
Based on the DTCs entered in the DTC memory, it can be seen that no transmission or reception activity is possible in any of the control modules.
| Control module | DTCs entered in the DTC memory: |
| 1 |
|
| 2 |
|
| 3 |
|
- Switch ignition OFF.
- Disconnect control modules connected by bus circuit wiring and inspect bus wiring for a short circuit to B+ and to ground.
Refer to Electrical Wiring Diagrams, Troubleshooting and Component Locations
If you are unable to determine any cause in the bus wiring for the DTC "Data bus drive faulty", check to see whether one of the control modules is responsible for this DTC.
Test requirement:
- VAS 5051 Vehicle Diagnosis, Measurement and Information System connected and Vehicle OBD selected. Refer to VAS 5051 Vehicle Diagnosis, Measurement and Information System, connecting and selecting functions .
All the control modules which use the CAN bus for communication are disconnected. The ignition is switched OFF.
- Connect one control module.
Display on VAS 5051
- Switch ignition ON.
- Touch appropriate vehicle system in Display -1-.
- Read DTC memory of control module just connected and delete it.
- Touch Δ button.
- In display touch -1- diagnostic function "06 End output".
- Switch ignition OFF and ON again.
- Leave ignition switched ON for 10 seconds. Then, using scan tool, read DTC memory of control module just connected.
- If DTC "Data bus drive faulty" is read, control module just connected must be replaced.
- If DTC "Data bus drive not faulty" is read, connect next control module and repeat procedure.