LEMON Manuals: Even more car manuals for everyone: 1960-2025
Home >> Audi >> 2014 >> A5 Premium Plus >> Repair and Diagnosis (Single Page) >> Quick Lookups >> Wiring Diagrams >> WIRING DIAGRAM [CAEB, CAED, CPMA, CPMB] (1 Of 2) (CABRIOLET) >> Wiring Diagram(S) >> Transmission Park Selector Switch, Transmission Control Module, Selector Lever Sensor System Control Module, Shift Lock Solenoid >> Notes
April 5, 2026: LEMON Manuals is launched! Read the announcement.

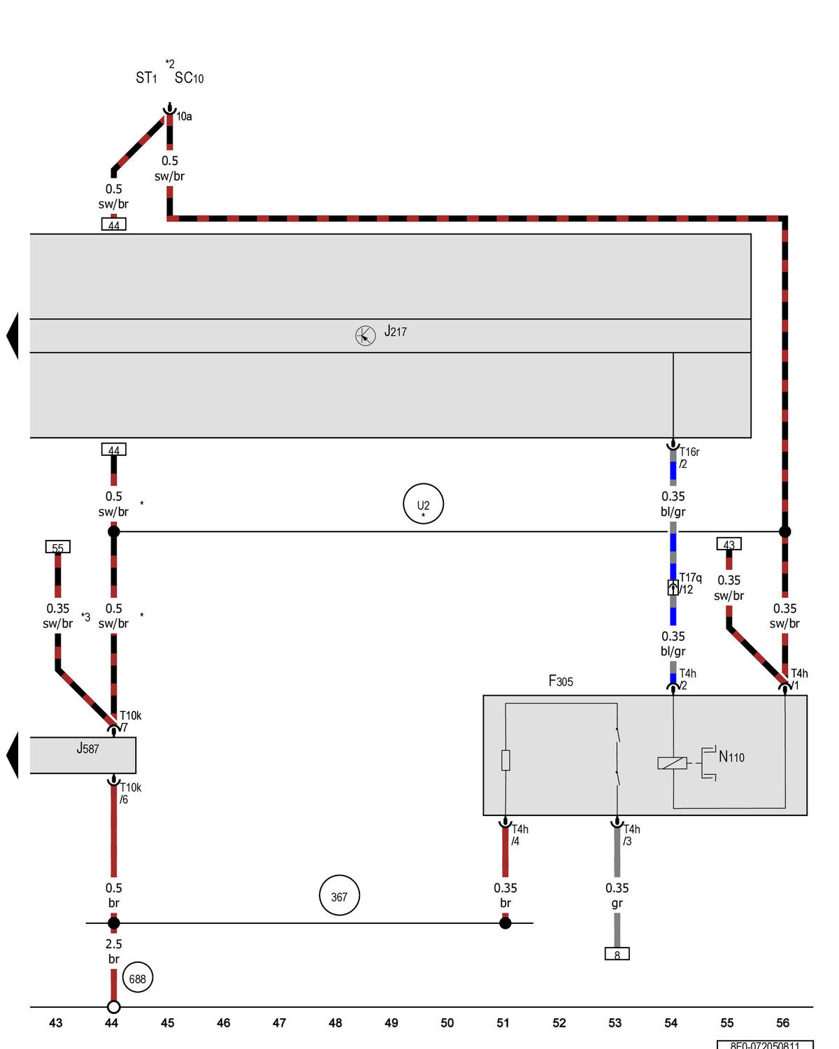
Transmission Park Selector Switch, Transmission Control Module, Selector Lever Sensor System Control Module, Shift Lock Solenoid: Notes

GWW8F0-072050811Courtesy of VOLKSWAGEN GROUP OF AMERICA, INC.