LEMON Manuals: Even more car manuals for everyone: 1960-2025
Home >> Audi >> 2014 >> RS 5 Base >> Repair and Diagnosis (Single Page) >> Quick Lookups >> Wiring Diagrams >> Wiring Diagram [CFSA] (1 Of 2) (Coupe) >> Wiring Diagram(S) >> MOTRONIC Engine Control Module Power Supply Relay, Engine Control Module, Engine Component Power Supply Relay >> Notes
April 5, 2026: LEMON Manuals is launched! Read the announcement.

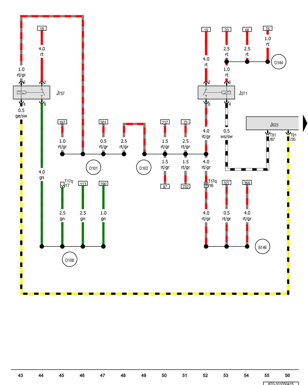
MOTRONIC Engine Control Module Power Supply Relay, Engine Control Module, Engine Component Power Supply Relay: Notes

GWW8T0-101050415Courtesy of AUDI OF AMERICA, LLC