LEMON Manuals: Even more car manuals for everyone: 1960-2025
Home >> Audi >> 2015 >> RS 5 Base >> Repair and Diagnosis (Single Page) >> Quick Lookups >> Wiring Diagrams >> Wiring Diagram [CFSA] (2 Of 2) (Coupe) >> Wiring Diagram >> Camshaft Position Sensor, Knock Sensor 4, Throttle Valve Control Module 2, Engine Control Module >> Notes
April 5, 2026: LEMON Manuals is launched! Read the announcement.

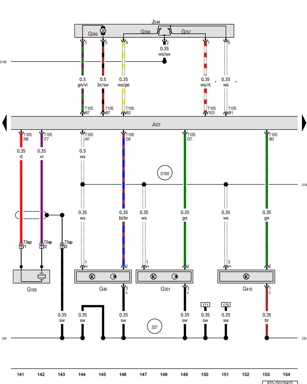
Camshaft Position Sensor, Knock Sensor 4, Throttle Valve Control Module 2, Engine Control Module: Notes

GWW8T0-150120415Courtesy of AUDI OF AMERICA, LLC