LEMON Manuals: Even more car manuals for everyone: 1960-2025
Home >> Audi >> 2015 >> S8 >> Repair and Diagnosis (Single Page) >> Quick Lookups >> Wiring Diagrams >> Wiring Diagram [CGWA,CGWD,CGXB,CGXC,CMDA,CTUB] >> Wiring Diagram(S) >> Oil Pressure Switch, Reduced Oil Pressure Switch, Intake Manifold Runner Position Sensor, Engine Temperature Control Sensor, Engine Control Module >> Notes
April 5, 2026: LEMON Manuals is launched! Read the announcement.

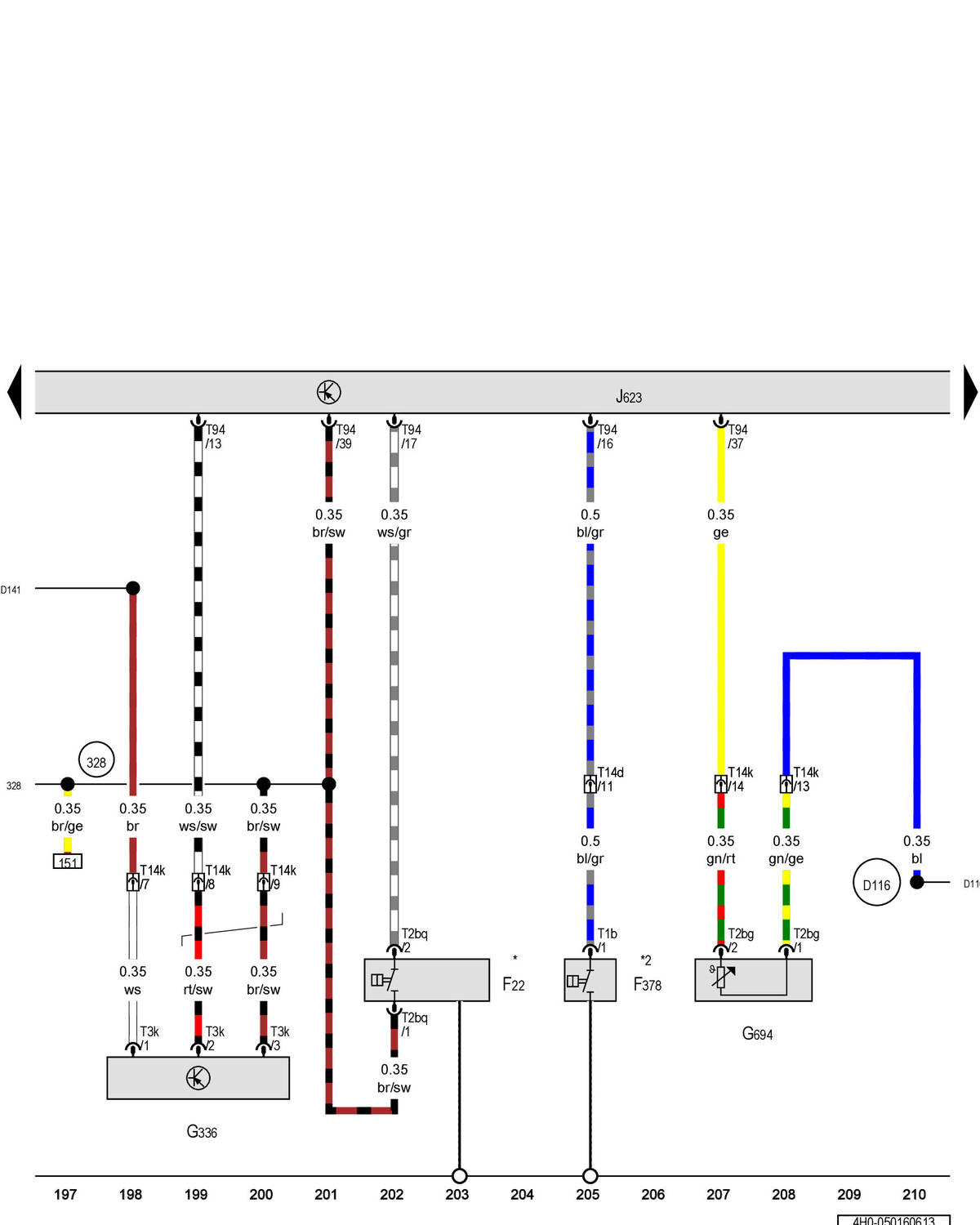
Oil Pressure Switch, Reduced Oil Pressure Switch, Intake Manifold Runner Position Sensor, Engine Temperature Control Sensor, Engine Control Module: Notes

GWW4H0-050160613Courtesy of AUDI OF AMERICA, LLC