LEMON Manuals: Even more car manuals for everyone: 1960-2025
Home >> Audi >> 2016 >> Q3 Premium Plus >> Repair and Diagnosis (Single Page) >> Electrical >> Gauges >> Anti-Lock Brake System (Abs) With Esp - Wiring Diagram >> Anti-Lock Brake System (Abs) With Esp >> ASR/Esp Button, Hill Descent Control Button, Abs Control Module, Vehicle Electrical System Control Module, Fuse Panel B
April 5, 2026: LEMON Manuals is launched! Read the announcement.

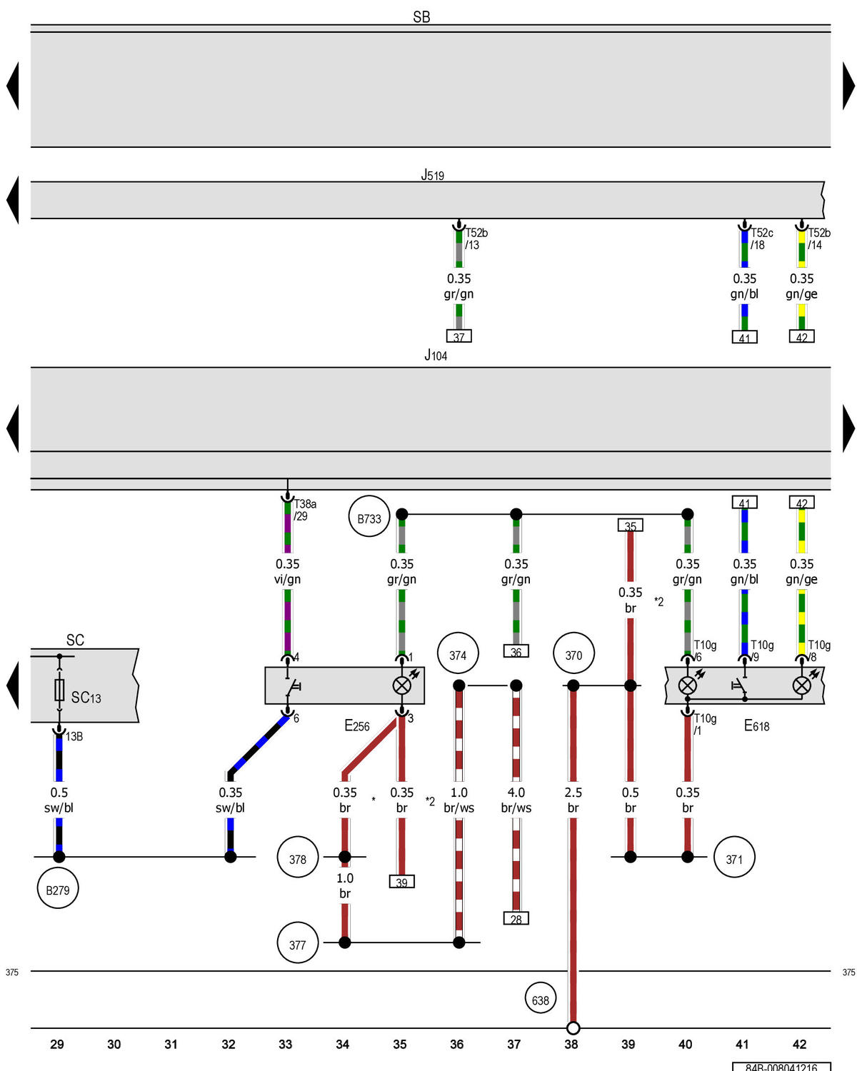
ASR/Esp Button, Hill Descent Control Button, Abs Control Module, Vehicle Electrical System Control Module, Fuse Panel B

GWW84B-008041216Courtesy of AUDI OF AMERICA, LLC

E256  ASR/ESP button

E618  Hill descent control button

J104  ABS control module

J519  Vehicle electrical system control module

SB  Fuse panel B

SC  Fuse panel C

SC13  Fuse 13 (on fuse panel C)

T10g  10-pin connector

T38a  38-pin connector

T52b  52-pin connector

T52c  52-pin connector

(370) Ground connection 5 (in main wiring harness)

(371) Ground connection 6 (in main wiring harness)

(374) Ground connection 9 (in main wiring harness)

(377) Ground connection 10 (in main wiring harness)

(378) Ground connection 12 (in main wiring harness)

(375) Ground connection 13 (in main wiring harness)

(638) Ground connection on right A-pillar

(B279) Positive connection 3 (15a) (in main wiring harness)

(B733) Connection 58s (in main wiring harness) 3

Only for LHD vehicles

*2  Only for RHD vehicles