LEMON Manuals: Even more car manuals for everyone: 1960-2025
Home >> Audi >> 2016 >> Q3 Premium Plus >> Repair and Diagnosis (Single Page) >> Electrical >> Wiring Diagrams >> A/C System With Manual Control - Wiring Diagram >> A/C System With Manual Control (9AC, KH6) >> A/C Control Module, A/C Compressor Regulator Valve
April 5, 2026: LEMON Manuals is launched! Read the announcement.

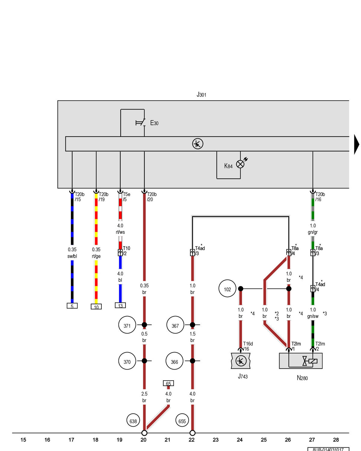
A/C Control Module, A/C Compressor Regulator Valve

GWW8UB-014031017Courtesy of AUDI OF AMERICA, LLC

E30  A/C System Switch

J301  A/C Control Module

J743  Dual-Clutch Transmission Mechatronic

K84  A/C System Indicator Lamp

N280  A/C Compressor Regulator Valve

T2lm  2-Pin Connector, Black

T4ad  4-Pin Connector

T5e  5-Pin Connector

T8a  8-Pin Connector, Near the Left Front Longitudinal Member

T10  10-Pin Connector

T16d  16-Pin Connector

T20b  20-Pin Connector

(103) Ground Connection (in Transmission Wiring Harness)

(366) Ground Connection 1 (in Main Wiring Harness)

(367) Ground Connection 2 (in Main Wiring Harness)

(370) Ground Connection 5 (in Main Wiring Harness)

(371) Ground Connection 6 (in Main Wiring Harness)

(638) Ground Connection on Right A-Pillar

(655) Ground Connection on Left Headlamp

Depending on Equipment

*2  Only for Vehicles with a 2.5L Gasoline Engine

*3  The Color of the Wires Depends on Vehicle Equipment

*4  For Vehicles with 2.5L Gasoline Engine