LEMON Manuals: Even more car manuals for everyone: 1960-2025
Home >> Audi >> 2016 >> Q3 Premium Plus >> Repair and Diagnosis (Single Page) >> Electrical >> Wiring Diagrams >> Headlamps Hid With Range Control - Wiring Diagrams >> Headlamps Hid With Range Control, (8Q3), (GP1) >> Headlamp Range Control Module, Vehicle Electrical System Control Module, Left Daytime Running Lamp And Position Lamp Led Module, Left Front Headlamp
April 5, 2026: LEMON Manuals is launched! Read the announcement.

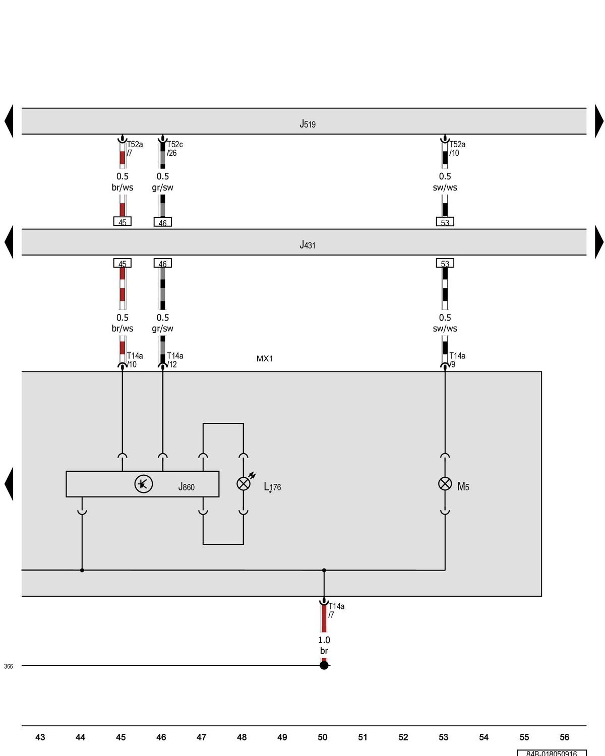
Headlamp Range Control Module, Vehicle Electrical System Control Module, Left Daytime Running Lamp And Position Lamp Led Module, Left Front Headlamp

GWW84B-018050916

J431  Headlamp range control module

J519  Vehicle electrical system control module

J860  Left daytime running lamp and position lamp control module

L176  Left daytime running lamp and position lamp LED module

MX1  Left front headlamp

M5  Left front turn signal bulb

T14a  14-pin connector

T52a  52-pin connector

T52c  52-pin connector

(366) Ground connection 1 (in main wiring harness)

Only for vehicles with daytime running lamps