LEMON Manuals: Even more car manuals for everyone: 1960-2025
Home >> Audi >> 2016 >> Q3 Premium Plus >> Repair and Diagnosis (Single Page) >> Quick Lookups >> Wiring Diagrams >> A/C System With Manual Control - Wiring Diagram >> A/C System With Manual Control (9AC, KH6) >> High Pressure Sensor, A/C Control Module
April 5, 2026: LEMON Manuals is launched! Read the announcement.

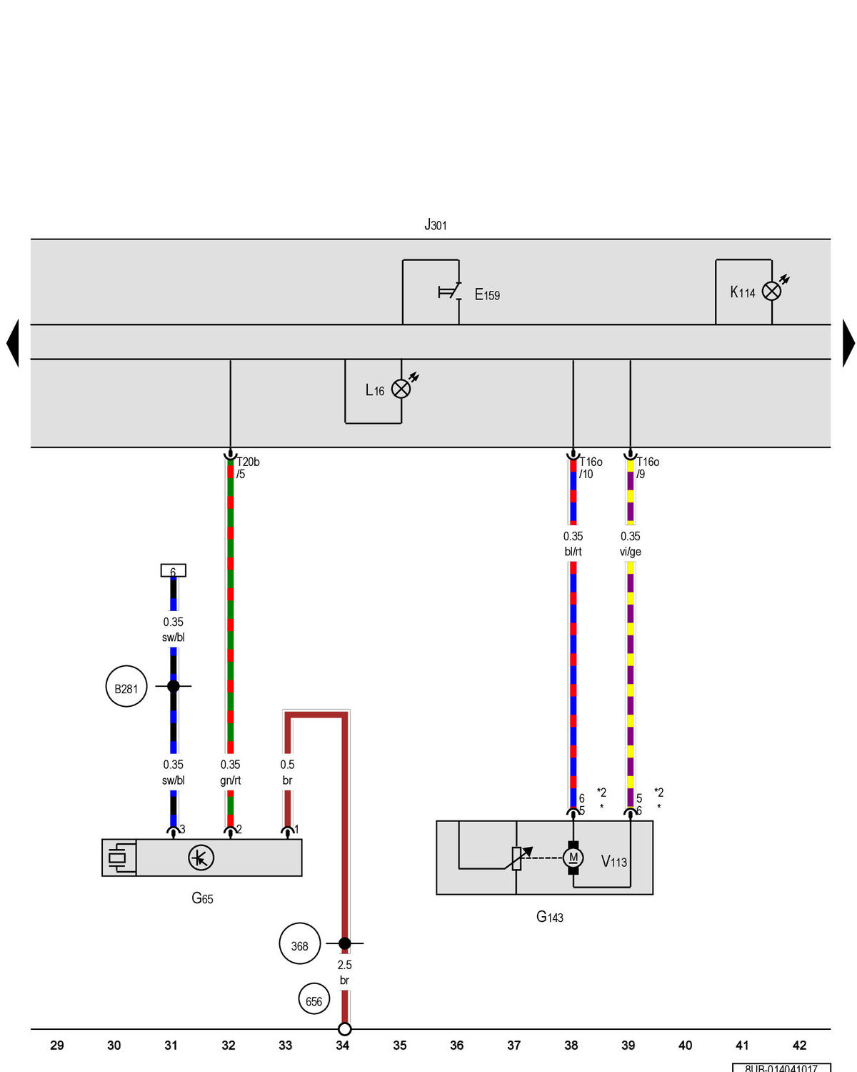
High Pressure Sensor, A/C Control Module

GWW8UB-014041017Courtesy of AUDI OF AMERICA, LLC

E159  Fresh Air/Recirculation Door Switch

G65  High Pressure Sensor

G143  Recirculation Door Motor Position Sensor

J301  A/C Control Module

K114  Fresh Air and Recirculation Mode Indicator Lamp

L16  Fresh Air Control Illumination Bulb

T16o  16-Pin Connector

T20b  20-Pin Connector

V113  Recirculation Door Motor

(368) Ground Connection 3 (in Main Wiring Harness)

(656) Ground Connection on Right Headlamp

(B281) Positive Connection 5 (15a) (in Main Wiring Harness)

For RHD Vehicles

*2  For LHD Vehicles