LEMON Manuals: Even more car manuals for everyone: 1960-2025
Home >> Audi >> 2016 >> Q3 Premium Plus >> Repair and Diagnosis (Single Page) >> Quick Lookups >> Wiring Diagrams >> Anti-Lock Brake System (Abs) With Esp - Wiring Diagram >> Anti-Lock Brake System (Abs) With Esp >> Abs Control Module, Terminal 15 Power Supply Relay, Vehicle Electrical System Control Module, Fuse Panel B
April 5, 2026: LEMON Manuals is launched! Read the announcement.

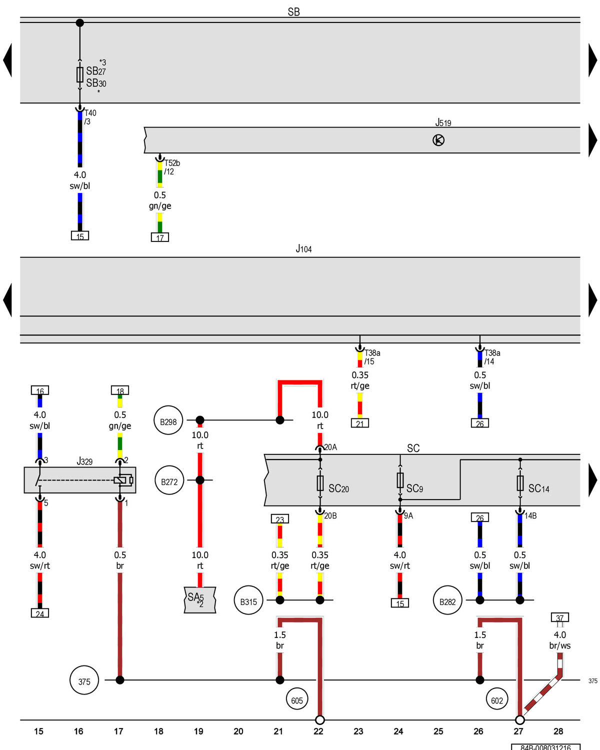
Abs Control Module, Terminal 15 Power Supply Relay, Vehicle Electrical System Control Module, Fuse Panel B

GWW84B-008031216Courtesy of AUDI OF AMERICA, LLC

J104  ABS control module

J329  Terminal 15 power supply relay

J519  Vehicle electrical system control module

SA5  Fuse 5 (on fuse panel A)

SB  Fuse panel B

SC9  Fuse 9 (on fuse panel C)

SC14  Fuse 14 (on fuse panel C)

SC20  Fuse 20 (on fuse panel C)

SB27  Fuse 27 (on fuse panel B)

SB30  Fuse 30 (on fuse panel B)

SC  Fuse panel C

T38a  38-pin connector

T40  40-pin connector

T52b  52-pin connector

(375) Ground connection 10 (in main wiring harness)

(602) Ground connection in left front footwell

(605) Ground connection on upper steering column

(B272) Positive connection (30) (in main wiring harness)

(B282) Positive connection 6 (15a) (in main wiring harness)

(B298) Positive connection 2 (30) (in main wiring harness)

(B315) Positive connection 1 (30a) (in main wiring harness)

through October 2012

*2  Refer to applicable battery wiring diagram

*3  from November 2012