LEMON Manuals: Even more car manuals for everyone: 1960-2025
Home >> Audi >> 2016 >> S8 Base >> Repair and Diagnosis >> External Pages >> Different car >> Section 1190 (Climate Control System (General & Service Information)) >> 87 Air Conditioning >> Refrigerant Circuit General Information >> Refrigerant Circuit With An Electrically Driven A/C Compressor (With And Without Battery Cooling Module)
April 5, 2026: LEMON Manuals is launched! Read the announcement.

Refrigerant Circuit With An Electrically Driven A/C Compressor (With And Without Battery Cooling Module)

WARNING: This page does not describe the selected car, but rather 9 other vehicles, including the 2018 Audi S6, 2018 Audi A6 Quattro, 2018 Audi A6, 2017 Audi S6, and 2017 Audi A6 Quattro. However, it is still accessible from the selected car via links, so may be relevant.

Vehicles with a High-Voltage System (Hybrid Vehicles)

WARNING:

Extremely Dangerous Due to High-Voltage

The high-voltage system is under high-voltage. Death or serious bodily injury by electric shock.

-- Individuals with electronic/medical life- and health sustaining machines in or on their person cannot perform any work on high-voltage systems. Life- and health sustaining machines are for example pain killer pumps, implanted defibrillators, pacemakers, insulin pumps, and hearing aids.

-- Have the high-voltage system de-energized by a qualified person.

WARNING:

There is a Risk of Injury from the Engine Starting Unexpectedly

On electric - hybrid vehicles an active ready mode is difficult to identify. Parts of the body can be clamped or pulled.

-- Turn off the ignition.

-- Place the ignition key outside of the vehicle interior.

WARNING:

Risk of Damaging the High-Voltage Cables

Misuse can damage the insulation of high-voltage cables or high-voltage connectors.

-- Never support objects on the high-voltage cables and the high-voltage connectors.

-- Never support tools on the high-voltage cables and the high-voltage connectors.

-- Never sharply bend or kink the high-voltage cables.

-- When connecting pay attention to the coding of the high-voltage connectors.

NOTE:

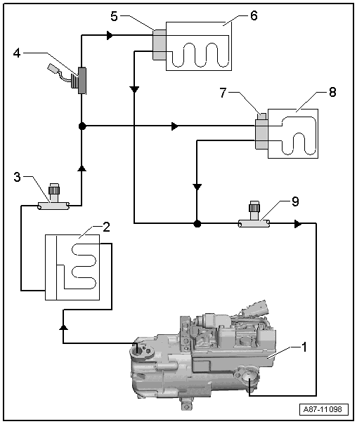
The following illustration shows a refrigerant circuit as an example, as it is installed in an Audi Q5 hybrid, for the design of the refrigerant circuit in the respective vehicle refer to the vehicle-specific repair information.

-Arrows- Point in Direction of Refrigerant Flow.

GWWA87-11098Courtesy of AUDI OF AMERICA, LLC
  1. Electrically-Driven A/C Compressor
    • With A/C Compressor Control Module -J842- and Electrical A/C Compressor -V470-
  2. Condenser
    • With receiver/dryer and dryer cartridge
  3. Service Connection, HP Side
  4. Hybrid Battery Refrigerant Shut-Off Valve 1 -N516-
    • Only for vehicles with a battery cooling module for the Hybrid Battery Unit -AX1-.
      NOTE:

      The Hybrid Battery Refrigerant Shut-Off Valve 1 -N516- is activated, for example, if it is necessary to cool the battery and no cooling is desired in the passenger compartment (open without activation).

  5. Expansion Valve
    • On the evaporator in the A/C system
  6. Evaporator
    • Evaporator in the A/C System
  7. Expansion Valve with Hybrid Battery Refrigerant Shut-Off Valve 2 -N517-
    • On the evaporator in the battery cooling module
    • Only for vehicles with a battery cooling module for the Hybrid Battery Unit -AX1-.
      NOTE:

      The Hybrid Battery Refrigerant Shut-Off Valve 2 -N517- is activated if it is necessary to cool the battery (closed without activation).

  8. Evaporator
    • Evaporator in the battery cooling module
    • Only for vehicles with a battery cooling module for the Hybrid Battery Unit -AX1-.
  9. Service Connection, LP Side