LEMON Manuals: Even more car manuals for everyone: 1960-2025
Home >> Audi >> 2017 >> S5 2D Convertible >> Repair and Diagnosis (Single Page) >> Quick Lookups >> Wiring Diagrams >> WIRING DIAGRAM [CCBA, CGXC, CFSA, CTUB] (1 Of 2) (CABRIOLET) >> Wiring Diagram >> Transmission Control Module, Comfort System Central Control Module, Sub-Transmission 1 Valve 3, Sub-Transmission 1 Valve 4 >> Notes
April 5, 2026: LEMON Manuals is launched! Read the announcement.

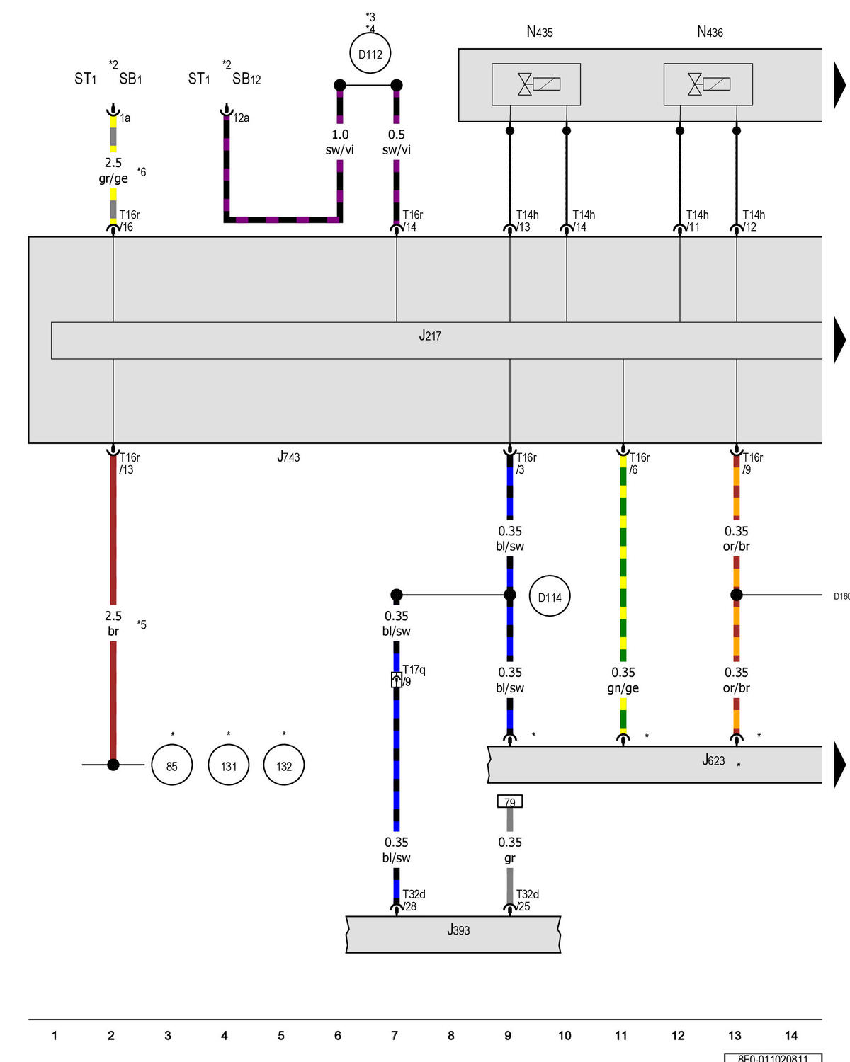
Transmission Control Module, Comfort System Central Control Module, Sub-Transmission 1 Valve 3, Sub-Transmission 1 Valve 4: Notes

GWW8F0-011020811Courtesy of AUDI OF AMERICA, LLC