LEMON Manuals: Even more car manuals for everyone: 1960-2025
Home >> BMW >> 2011 >> M3 2D Convertible, Standard >> Repair and Diagnosis (Single Page) >> General Information >> OEM General Information >> Functional Description -- M3 Convertible >> Body Electrical - Functional Description >> Pedestrian Protection >> Functional networking
April 5, 2026: LEMON Manuals is launched! Read the announcement.

Functional networking

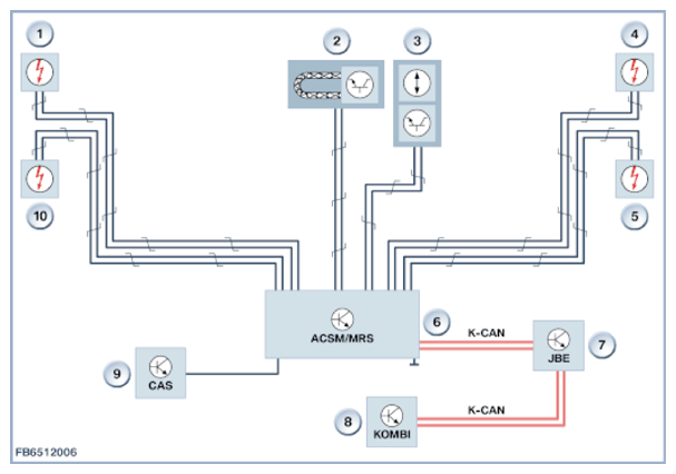
The following graphic shows the functional networking for the pedestrian protection system.

Fig 1: Pedestrian Protection System Communication Diagram
G09871972Courtesy of BMW OF NORTH AMERICA, INC.
Index Explanation
1 Actuator for pedestrian protection, front left (optional)
2 Pedestrian protection sensor (fiber-optic cable)
3 Pedestrian protection sensor (acceleration sensor)
4 Actuator for pedestrian protection, front right (optional)
5 Rear right actuator for pedestrian protection
6 Crash safety module (ACSM)/multiple restraint system (MRS)
7 Junction Box Electronics (JBE)
8 Instrument panel (KOMBI)
9 Car access system (CAS)
10 Rear left actuator for pedestrian protection
Body CAN Body CAN