LEMON Manuals: Even more car manuals for everyone: 1960-2025
Home >> BMW >> 2012 >> 335is 2D Convertible, Standard Trans >> Repair and Diagnosis (Single Page) >> General Information >> OEM General Information >> Functional Description - E93 - Cooling Systems And Engine Performance >> Engine Performance - Functional Description >> Exhaust Emission System >> System overview
April 5, 2026: LEMON Manuals is launched! Read the announcement.

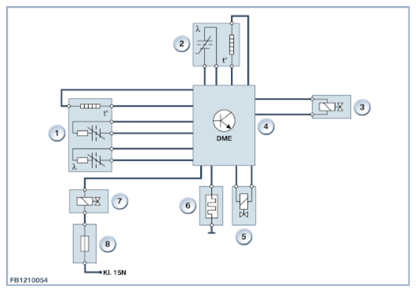
System overview

Fig 1: Engine Ventilation Heating - Circuit Diagram
G09870891Courtesy of BMW OF NORTH AMERICA, INC.
Index Explanation
1 Oxygen sensor before catalytic converter
2 Oxygen sensor after catalytic converter
3 Blow-off valve
4 Digital engine electronics
5 Pressure converter for wastegate valve
6 Engine ventilation heating
7 Electric changeover valve for exhaust flap (model-specific)
8 Luggage compartment power distribution box