LEMON Manuals: Even more car manuals for everyone: 1960-2025
Home >> BMW >> 2012 >> 335is 2D Convertible, Standard Trans >> Repair and Diagnosis (Single Page) >> General Information >> OEM General Information >> Functional Description - E93 - Cooling Systems And Engine Performance >> Engine Performance - Functional Description >> Selective Catalytic Reduction (SCR) System (US Diesel) (Without Passive Tank) >> SCR system overview (without passive tank)
April 5, 2026: LEMON Manuals is launched! Read the announcement.

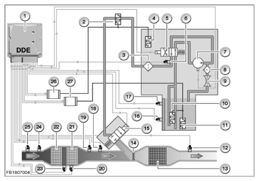
SCR system overview (without passive tank)

Fig 1: SCR - System Diagram
G09841628Courtesy of BMW OF NORTH AMERICA, INC.