LEMON Manuals: Even more car manuals for everyone: 1960-2025
Home >> BMW >> 2012 >> 335xi Standard Trans >> Repair and Diagnosis (Single Page) >> Transmission >> Transmission Control Systems >> Transmission & Driveline System - Functional Description - E92 >> Transmission & Driveline Systems - Functional Description >> All-Wheel Drive System Xdrive With Transfer Box >> System functions
April 5, 2026: LEMON Manuals is launched! Read the announcement.

System functions

The networking of its own control unit is required for the activation of the transfer box.

In particular: Transfer box, Dynamic Stability Control as well as Integrated Chassis Management via FlexRay.

The VTG control unit is a bus user on the FlexRay network.

Fig 1: Overview Of Center Console
G09871507Courtesy of BMW OF NORTH AMERICA, INC.

Example F0x, F1x

Item Explanation
1 Footwell module (FRM)
2 Dynamic stability control (DSC)
3 Transfer box (VTG)
4 Power distribution box, rear
5 Button Hill Descent Control (Hill Descent Control = HDC button)
6 Controller (CON)
7 Central information display (CID)
8 Car information computer (CIC)
9 Integrated chassis management (ICM)
10 Car access system (CAS)
11 Central gateway module (ZGM)
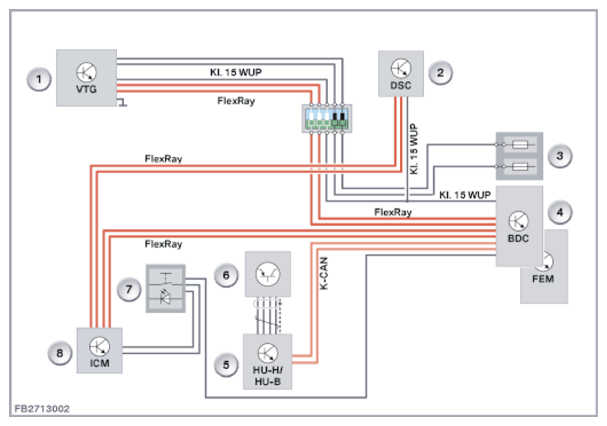
Fig 2: Overview Of Center Console (Example F0x And F1x)
G09871508Courtesy of BMW OF NORTH AMERICA, INC.

Example F2x, F3x, F15

Item Explanation
1 Transfer box (VTG)
2 Dynamic stability control (DSC)
3 Front power distribution box, passenger's side
4 Body Domain Controller (BDC) or front electronic module (FEM)
5 Headunit (HU-H, HU-B)
6 Central information display
7 HDC button in center console operating facility
8 Integrated chassis management (ICM)

The transfer box control unit activates the servomotor. Distribution of the drive torque is oriented upon the torque that can be supported by each axle.

The electronically controlled multidisc clutch smoothly distributes the drive torque as required to the front axle. The rear axle is always powered. This means that all of the drive torque is applied to the rear axle when the multidisc clutch is separated. The drive torque is distributed as follows in normal driving with four-wheel drive:

The transfer box control unit and servomotor cannot be replaced individually. They must be replaced together.

In consultation with the central driving dynamics control function in the Integrated Chassis Management (ICM) integrated in the master control unit, the Dynamic Stability Control (DSC) stipulates the setpoint value for all-wheel control of the xDrive function. The setpoint value depends on the tendency of the vehicle to oversteer or understeer and the wheel slip. The setpoint value is transmitted to the VTG control unit.

The VTG control unit regulates the locking torque at the multidisc clutch in the transfer box in response to the following factors:

The VTG control unit supplies the following information to the DSC control unit: