LEMON Manuals: Even more car manuals for everyone: 1960-2025
Home >> BMW >> 2012 >> X3 28i >> Repair and Diagnosis (Single Page) >> General Information >> OEM General Information >> Functional Descriptions - F25 - Charging System, Anti-Theft, Body Electrical Systems >> Body Electrical System - Functional Description >> Pedestrian protection >> System functions >> Functional networking
April 5, 2026: LEMON Manuals is launched! Read the announcement.

Functional networking

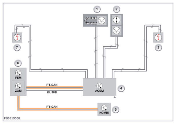
The following graphic shows the functional networking for the pedestrian protection system.

Vehicles with Front Electronic Module (FEM) or Body Domain Controller (BDC): The central gateway module (ZGM) is integrated as independent control unit in the Front Electronic Module (FEM) or Body Domain Controller (BDC). The Front Electronic Module (FEM) or the Body Domain Controller (BDC) ensure the functions from the former Car Access System (CAS) control unit.

Item Explanation
1 Rear left actuator for pedestrian protection
2 Front left actuator for pedestrian protection
3 Pedestrian protection sensor left (with acceleration sensor)
4 Pedestrian protection sensor middle (with acceleration sensor)
5 Pedestrian protection sensor right (with acceleration sensor)
6 Front right actuator for pedestrian protection
7 Rear right actuator for pedestrian protection
8 Crash Safety Module (ACSM)
9 Instrument panel (KOMBI)
10 Car access system (CAS)
11 Central gateway module (ZGM)
Item Explanation
1 Rear left actuator for pedestrian protection
2 Front left actuator for pedestrian protection
3 Pedestrian protection sensor (with optical fibre)
4 Front right actuator for pedestrian protection
5 Rear right actuator for pedestrian protection
6 Crash Safety Module (ACSM)
7 Instrument panel (KOMBI)
8 Car access system (CAS)
9 Central gateway module (ZGM)
Item Explanation
1 Rear left actuator for pedestrian protection
2 Front left actuator for pedestrian protection
3 Pedestrian protection sensor (with optical fibre)
4 Pedestrian protection sensor (with acceleration sensor)
5 Front right actuator for pedestrian protection
6 Rear right actuator for pedestrian protection
7 Crash Safety Module (ACSM)
8 Instrument panel (KOMBI)
9 Car access system (CAS)
10 Central gateway module (ZGM)
Item Explanation
1 Pedestrian protection sensor (with optical fibre)
2 Pedestrian protection sensor (with acceleration sensor)
3 Rear right actuator for pedestrian protection
4 Crash Safety Module (ACSM)
5 Instrument panel (KOMBI)
6 The central gateway module (ZGM) is integrated as independent control unit into the front electronic module (FEM)
7 Rear left actuator for pedestrian protection
Item Explanation
1 Pedestrian protection sensor, left (pressure sensor)
2 Pressure hose
3 Pedestrian protection sensor, right (pressure sensor)
4 Rear right actuator for pedestrian protection
5 Crash Safety Module (ACSM)
6 Instrument panel (KOMBI)
7 Central gateway module (ZGM), integrated as independent control unit in the Body Domain Controller (BDC)
8 Rear left actuator for pedestrian protection
Item Explanation
1 Pedestrian protection sensor, left (pressure sensor)
2 Pressure hose
3 Pedestrian protection sensor, right (pressure sensor)
4 Front right actuator for pedestrian protection
5 Rear right actuator for pedestrian protection
6 Crash Safety Module (ACSM)
7 Instrument panel (KOMBI)
8 Central gateway module (ZGM), integrated as independent control unit in the Body Domain Controller (BDC)
9 Rear left actuator for pedestrian protection
10 Front left actuator for pedestrian protection