LEMON Manuals: Even more car manuals for everyone: 1960-2025
Home >> BMW >> 2012 >> X3 35i >> Repair and Diagnosis (Single Page) >> General Information >> OEM General Information >> Functional Descriptions - F25 - Charging System, Anti-Theft, Body Electrical Systems >> Anti-Theft Systems - Functional Description >> Central locking system (Ver.2) >> System overview
April 5, 2026: LEMON Manuals is launched! Read the announcement.

System overview

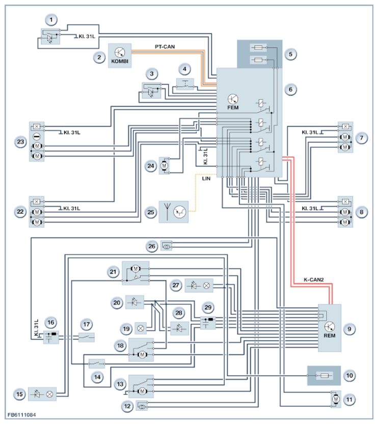
The following graphic shows the central locking system network.

The current wiring diagrams for the individual model series can be found in the ISTA diagnosis system (Integrated Service Technical Application).

Fig 1: Front Electronic Module - Circuit Diagram
G09908706Courtesy of BMW OF NORTH AMERICA, INC.
Index Explanation
1 Tailgate pushbutton, passenger compartment
2 Instrument panel
3 Central locking button (component part of hazard warning switch and central locking button operating facility)
4 Hotel position switch
5 Front power distribution box
6 Front Electronic Module (FEM)
7 System lock, front passenger door, with central locking drive
8 System lock, passenger side rear, with central locking drive
9 Rear Electronic Module (REM)
10 Rear power distribution box
11 Central locking system actuator, fuel filler flap
12 Bumper aerials (for Comfort Access)
13 Tailgate lock with central locking drive, only if tailgate lock is installed on body side (e.g. F31)
14 Outer tailgate pushbutton
15 Luggage compartment light 2 (depending on vehicle equipment either with bulb or LED)
16 Interference-suppression filter
17 Rear window button (e.g. F31)
18 Tailgate lock with central locking drive, only if tailgate lock is installed in tailgate (e.g. F20, F30)
19 Luggage compartment light, tailgate (with LED, depending on vehicle equipment)
20 Luggage compartment light, tailgate (with bulb, depending on vehicle equipment)
21 Rear window locking (e.g. F31)
22 System lock, driver's side rear, with central locking drive
23 System lock, driver's door, with central locking drive
24 central locking drive storage compartment center console
25 Remote control receiver
26 Luggage compartment aerial (for Comfort Access)
27 Luggage compartment light (depending on vehicle equipment either with bulb or LED)
28 Luggage compartment light, tailgate 2 (with LED, depending on vehicle equipment)
29 Interference suppression filter 2 (installation depending on national-market version)