LEMON Manuals: Even more car manuals for everyone: 1960-2025
Home >> BMW >> 2012 >> X3 35i >> Repair and Diagnosis (Single Page) >> General Information >> OEM General Information >> Functional Descriptions - F25 - Charging System, Anti-Theft, Body Electrical Systems >> Body Electrical System - Functional Description >> Camera-based driver support systems (KAFAS) (Ver.1) >> Functional networking
April 5, 2026: LEMON Manuals is launched! Read the announcement.

Functional networking

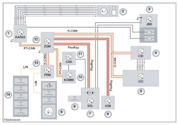
A complex system network with distributed functions in other control units is necessary for implementation of the lane departure warning as well as the high-beam assistant. The following graphic shows the system network.

Fig 1: Integrated Chassis Management - Circuit Diagram
G09908662Courtesy of BMW OF NORTH AMERICA, INC.
Item Explanation
1 Control unit for camera-based driver support systems (KAFAS)
2 Video camera in the inside mirror
3 Junction Box Electronics (JBE)
4 Central information display (CID)
5 Car information computer (CIC)
6 Integrated chassis management (ICM)
7 Steering column switch center (SZL)
8 High beam assistant button
9 Light switch
10 Instrument panel (KOMBI)
11 Car access system (CAS)
12 Central gateway module (ZGM)
13 Footwell module (FRM)
14 Assist systems operating facility