LEMON Manuals: Even more car manuals for everyone: 1960-2025
Home >> BMW >> 2012 >> X3 35i >> Repair and Diagnosis (Single Page) >> General Information >> OEM General Information >> Functional Descriptions - F25 - Charging System, Anti-Theft, Body Electrical Systems >> Body Electrical System - Functional Description >> Camera-based driver support systems (KAFAS) (Ver.2) >> Functional networking
April 5, 2026: LEMON Manuals is launched! Read the announcement.

Functional networking

A complex system network with distributed functions in other control units is necessary for implementation of the lane departure warning as well as the high-beam assistant.

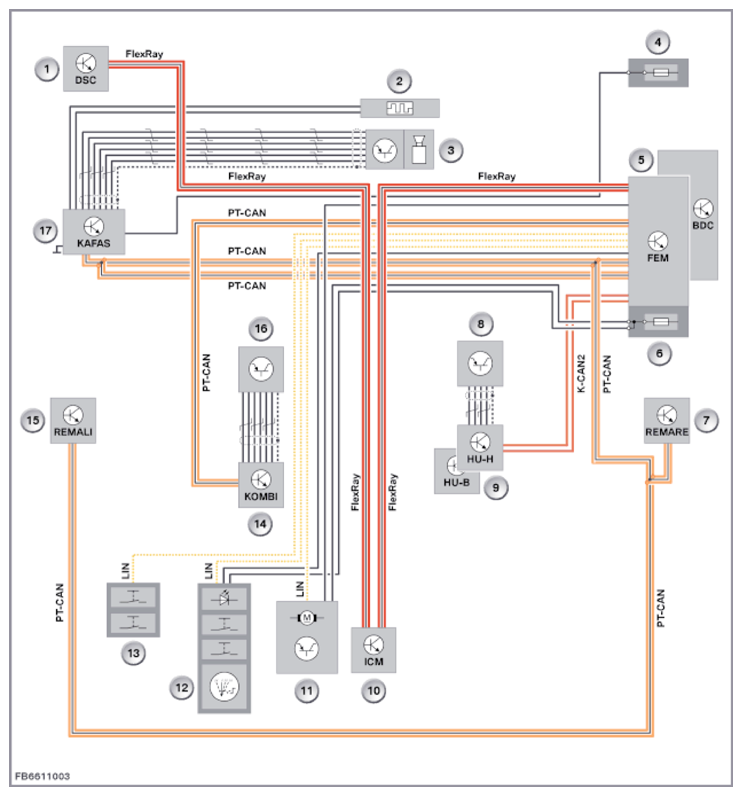
The following graphic shows the system network of the lane departure warning and the high-beam assistant using the example of the F2x, F3x, F15.

Fig 1: Dynamic Stability Control - Circuit Diagram
G09908672Courtesy of BMW OF NORTH AMERICA, INC.
Item Explanation
1 Dynamic stability control (DSC)
2 Heating for KAFAS camera
3 KAFAS camera in the inside mirror
4 Front power distribution box, front passenger
5 Front Electronic Module (FEM) or Body Domain Controller (BDC)
6 Power distribution box
7 Reversible motorized automatic reel, right (REMABF), model-specific
8 Central information display
9 Headunit (HU-H, HU-B)
10 Integrated Chassis Management (ICM). Omitted if the vehicle is equipped with the latest generation of DSC (MK100).
11 Steering column switch cluster with vibration actuator
12 Operating facility for light
13 Assist systems operating facility
14 Instrument panel (KOMBI)
15 Reversible motorized automatic reel, left (REMAFA), model-specific
16 Head-Up Display, model-specific
17 Camera-based driver support systems camera control unit

If only a high-beam assistant (5AC) is present, the system network is as follows for the example of F2x, F3x, F15:

Fig 2: Instrument Panel - Circuit Diagram
G09908673Courtesy of BMW OF NORTH AMERICA, INC.
Item Explanation
1 Instrument panel (KOMBI)
2 Inside mirror with camera and control unit high-beam assistant (FLA)
3 Front fuse and relay module
4 Front Electronic Module (FEM) or Body Domain Controller (BDC)
5 Front fuse and relay module
6 Steering column switch cluster
7 Operating facility for light