LEMON Manuals: Even more car manuals for everyone: 1960-2025
Home >> BMW >> 2012 >> X3 35i >> Repair and Diagnosis (Single Page) >> General Information >> OEM General Information >> Functional Descriptions - F25 - Cooling System, Engine Performance >> Cooling System - Functional Description >> Engine cooling >> System overview
April 5, 2026: LEMON Manuals is launched! Read the announcement.

System overview

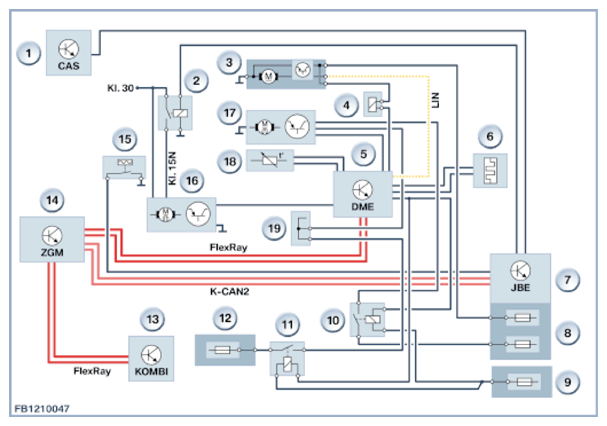
Fig 1: Car Access System - Circuit Diagram
G09908893Courtesy of BMW OF NORTH AMERICA, INC.
Index Explanation
1 Car Access System (CAS)
2 Ignition and injection relay
3 Radiator blind drive
4 Mechanical radiator shutter drive
5 Digital engine electronics (DME)
6 Engine ventilation heating
7 Junction Box Electronics (JBE)
8 Front power distribution box
9 Luggage compartment power distribution box
10 Relay for electric fan (electric fan 400 Watts or 600 Watts)
11 Relay for electric fan (electric fan 850 Watts or 1000 Watts)
12 Power distribution box, battery
13 Instrument cluster (KOMBI)
14 Central gateway module (ZGM)
15 Coolant level switch
16 Coolant pump
17 Electric fan
18 Coolant temperature sensor
19 Power distribution box, engine compartment